題組內容
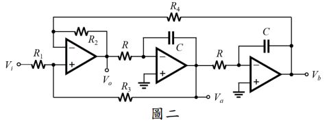
二、圖二使用理想運算放大器,Ho(s) = Vo /Vi,Ha(s) = Va /Vi,Hb(s) =
, s = j2π f,f = 頻率。

, s = j2π f,f = 頻率。
3. Ho(s)、Ha(s)、與
各為何種濾波函數(高通、低通、帶通、全通、帶止)?階數為何?
各為何種濾波函數(高通、低通、帶通、全通、帶止)?階數為何?