題組內容
三、計算題:
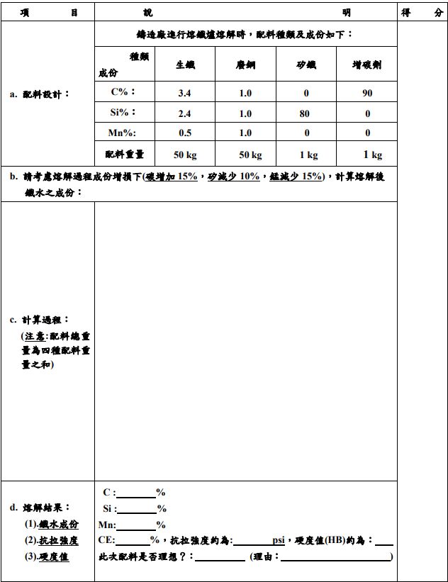
1. 鑄鐵熔煉配料計算:


d. 熔解結果: (1).鐵水成份 (2).抗拉強度 (3).硬度值
C : ___1____%
Si : ___2____%
Mn: ___3____%
CE: ____4___%,抗拉強度約為: ____5___psi,硬度值(HB)約為:____6___
此次配料是否理想?:____7___ (理由:____8___ )
4.
三、計算題:
1. 鑄鐵熔煉配料計算:


d. 熔解結果: (1).鐵水成份 (2).抗拉強度 (3).硬度值
C : ___1____%
Si : ___2____%
Mn: ___3____%
CE: ____4___%,抗拉強度約為: ____5___psi,硬度值(HB)約為:____6___
此次配料是否理想?:____7___ (理由:____8___ )
4.