阿摩線上測驗
登入
首頁
>
電子儀表概要
> 100年 - 100 地方政府特種考試_四等_電子工程:電子儀表概要#32040
100年 - 100 地方政府特種考試_四等_電子工程:電子儀表概要#32040
科目:
電子儀表概要 |
年份:
100年 |
選擇題數:
0 |
申論題數:
8
試卷資訊
所屬科目:
電子儀表概要
選擇題 (0)
申論題 (8)
⑴如圖一所示,繪出 螢幕出現之波形(4 分);
⑵如圖二所示,繪出螢幕出現之波形(4 分);
⑶如圖 三所示,繪出螢幕出現之波形(6 分)並標示出 1, 2, 3, 4, 5 的位置(6 分)。
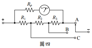
【已刪除】二、如圖四所示,用永久磁鐵移動線圈(PMMC, Permanent Magnet Moving Coil)做直 流安培計。其中指針滿刻度(Full Scale)電流為 20 μA,R = 5 kΩ,R
1
= 0.02 Ω, R
2
= 0.48 Ω,R
3
= 4.5Ω。求波段開關分別在A(5 分),B(5 分),C(5 分)三段 時,可量測之滿刻度電流。
【已刪除】三、如圖五所示,用PMMC(其中指針滿刻度電流為 20 μA,R
p
= 5 kΩ)以及全橋式整 流電路做滿刻度為 110 V(rms)之交流伏特計,其中二極體導通壓降為 0.7 V。求 Rx。(25 分)
四、用滿刻度 50 V 時準確度(Accuracy)為±3%的伏特計量測 36 Ω 的負載,伏特計指 針為 24 V,其中電阻準確度是±10%。求電阻上消耗的功率是幾瓦特(5 分)?功 率的準確度是多少百分比(10 分)?
⑴用數學式推導出L
p
(5 分)與R
p
( 5 分)。
⑵當電橋平衡時,工作頻率為 200 Hz,R
1
= 1.5 kΩ,R
2
= 80 Ω,C
2
= 0.2 μF,R
4
= 450 Ω。求待測電感的Q值(15 分)。
相關試卷
114年 - 114 地方政府公務特種考試_四等_電子工程:電子儀表概要#134796
114年 · #134796
114年 - 114 原住民族特種考試_四等_電子工程:電子儀表概要#130977
114年 · #130977
114年 - 114 普通考試_電子工程:電子儀表概要#128765
114年 · #128765
113年 - 113 地方政府公務特種考試_四等_電子工程:電子儀表概要#124486
113年 · #124486
113年 - 113 原住民族特種考試_四等_電子工程:電子儀表概要#122662
113年 · #122662
113年 - 113 普通考試_電子工程:電子儀表概要#121147
113年 · #121147
113年 - 113 身心障礙特種考試_四等_電子工程:電子儀表概要#119427
113年 · #119427
112年 - 112 地方政府特種考試_四等_電子工程:電子儀表概要#118101
112年 · #118101
112年 - 112 普通考試_電子工程:電子儀表概要#115739
112年 · #115739
112年 - 112 鐵路特種考試_員級_電子工程:電子儀表概要#114884
112年 · #114884