所屬科目:國營事業◆1.計算機概論 2.電子學
1. BIOS(基本輸入輸出系統)通常儲存於下列何種裝置中? (A)軟碟 (B)硬碟 (C) ROM (D) RAM
2. CPU之 Program Counter(程式計數器)register的功用是存放那種資料? (A)程式的長度 (B)程式執行到第幾行 (C)存放程式的指令 (D)下一個要被執行的指令位址。
3.下列何者情況下可盜版軟體? (A)為研究所需 (B)為節省經費 (C)為營利 (D)任何情況下均不可
4.對Java 語言的敘述何者錯誤? (A)不能防護病毒侵入 (B)具物件導向功能 (C)可跨平台執行 (D)經編譯後並非是機器語言
5.就 CPU存取資料而言,對下列何者存取資料的速度最快? (A) RAM (B) Register (C) ROM (D) Cache Memory
6.電腦病毒由系統啟動或程式執行侵入電腦後,會隱藏於何種裝置? (A) RAM (B) ROM (C) PROM (D) BIOS
7.資訊系統安全與管理,除了可藉由密碼控制使用者之權限外,最積極之例行工作為? (A)定期備份 (B)經常變更密碼 (C)硬體設鎖管理 (D)監控系統使用人員
8.將多種型態的資訊,如語言、視訊、傳真等整合在一個網路服務,稱為何種網路? (A)整體服務數位網路 (B)區域網路 (C)加值型網路 (D)廣域網路
9.下列何者不屬於HTML中的影像標籤屬性(image tag attribute in HTML)? (A) HREF (B) ALIGN (C) HEIGHT (D) BORDER
10.有關C語言的敘述何者錯誤? (A) C函式的參數傳遞方式是傳值呼叫(Call by Value) (B)位址(Adress)亦可傳入函式中 (C)C的函式中可呼叫其他函式 (D) C具有使用者自訂資料型態的功能
11.使用於HTML中的超連結(link) tag是列何種 tag? (A) body tag (B) anchor tag (C) head tag (D) image tag
12.在 Internet 中網頁或檔案的唯一位址稱為? (A) domain (B) applet (C) URL (D) HTTP
13.下列何者是常用的資訊安全相關技術? (A)非對稱加密 (B)數位簽章 (C)數位浮水印 (D)以上皆是
14. 下列何者為非? (A) 機器語言對計算機而言, 是一種最自然直接的語言 (B) 組合語言是介於高階和機器語言之間 (C) 編譯器 (Compiler) 和直譯器 (Interpreter) 分別是將高階和組合語言轉換成機器語言的工具 (D) 程式由編譯器處理後得到機器碼, 其整體效能比直譯器處理所得為高
15. 電腦用補數來代表負數的原因為何? (A) 易為大眾所接受 (B) 加法器較容易製作 (C) 適合人類之思考 (D) 是負數的唯一表示法
16. 下列何種程式語言沒有用到物件導向的觀念? (A) C++ (B) C (C) Java (D) HTML
17. 有關電腦病毒描述何者為非? (A) 是一種電腦程式 (B) 一般可區分為開機型、檔案型、混合型 (C) 具有複製功能 (D) 安裝防毒軟體, 且隨時更新最新病毒碼, 就保證電腦百分之百不會中毒
18. 下列何者為非? (A) 堆疊對資料的處理是先進後出 (B) 佇列需利用兩個指標 front (佇列第一個元素) rear (佇列最後一個元素) 方能正確運作 (C) 圖形追蹤可採用先深後廣或先廣後深搜尋達成 (D) 存放在堆積 (Heap) 的父節點與子節點的資料間並無必然關係, 只是依照出現的先後次序任意堆放
19. 下列何者與週邊設備聯絡的方式不透過 CPU, 而在週邊設備與主記憶體間直接傳送? (A) DMA (B) Buffer (C) Polling (D) Interrupt
20. 從物件導向的觀點來看, 文字的字形、大小、顏色是文字的什麼? (A) 事件 (B) 類別 (C) 屬性 (D) 物件
21. 矽晶接面二極體等效電路模型中的擴散電容 (Diffusion Capacitance), 是由下列那一項的物 理現象所形成? (A) 金屬和半導體所形成的歐姆接觸 (C) 接面空乏區 (B) 接面的崩潰效應 (D) 二極體順偏時的注入電荷
22. 史密特觸發器 (Schmitt Trigger) 的輸入和輸出之間存在何種效應? (A) 爾利效應 (Early Effect) (C) 磁滯效應 (Hysteresis Effect) (B) 米勒效應 (Miller Effect) (D) 基體效應 (Body Effect)
23. 某並串回授放大器如右【圖 1】所示, 其中電路上之電流放大器為一理想放大器, =100µA、 =90μA、I0=10mA, 試求電流放大器之電流增益 A 及此回授 放大器之回饋因子 β. (A) A= 1000, β = (B) Α= - 90, β = 111.11 (C) A= 100, β = 90 (D) A= 1000, β= 111.11
24. 在 BJT 電路中, 下列何者是由爾利效應 (Early Effect) 所產生? (A) 穿透崩潰 (Punch-through Breakdown) 現象發生 (B) 累積崩潰 (Avalanche Breakdown) 現象發生 (C) 射極寬度變大 (D) 飽和發生
25. 電路圖右【圖 2】中含射極電阻 RE 的差動放大器 (Differential Amplifier), 其中= 8kΩ、= 0.5mA, RE=100Ω, 電晶體的 β 為 100 則此差動放大器的差模輸入阻抗約為: (A)15 ΚΩ (B)20 ΚΩ (C) 30 ΚΩ (D) 10 ΚΩ
26. 如右【圖 3】所示之電路中, OP 為理想放大器, 試計算電流 I2 為何? (A) V1/R1 (B) - V1/R1 (C) V0/R2 (D) - V0/R2
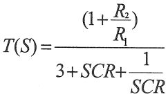
27. 若韋恩橋式 (Wien-Bridge) 振盪器的轉移函數為則下列敘述何者正確? (A) (1+R2/R1)=0 (B) (1+R2/R1)=2 (C) (1+R2/R1)=1 (D) (1+R2/R1)=3
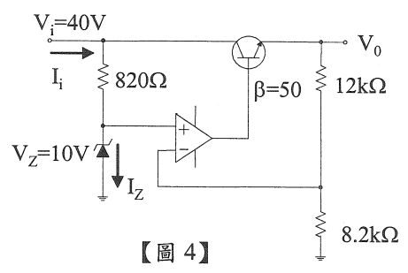
28. 如下【圖4】所示電路 OP 為理想放大器,假設齊納崩潰、BJT 為主動區,則試求 V0、? (A) 18.74 V, 36.6 mA (B) 18.6 V, 28.3 mA (C) 24.6 V, 36.6 mA (D) 34.5 V, 28.3 mA
29. 如下【圖5】中所示電路,已知二極體導通電壓 =0.7V,試求其 V0 值為多少? (A) 2V (B) 0.6 V (C) 3.6V (D) 5 V
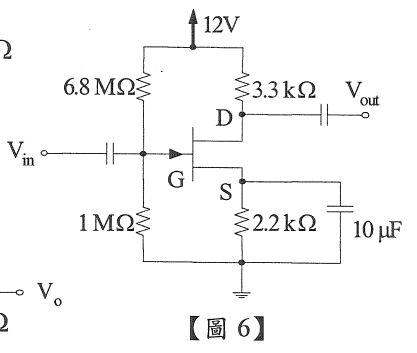
30. 如下【圖6】中所示電路, 約為 7V,試求其 其值各為多少? (A) 1.51 mA, 1.795 V (B) 1.51 mA, -1.795 V (C) 3.42 mA, 2.8 V (D) 3.42 mA, -2.8 V
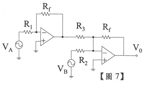
31. 如下【圖7】所示 OP 為理想放大器=500 kΩ、R1=100 kΩ、R2=100 kΩ、R3=250 kΩ試求此電路的輸出電壓 V0? (A)(B)(C)(D)
32. 如下【圖8】所示為 B 類輸出級 (Class B output stage) 放大器,忽略之效應,=8V、=50Ω,試求最大弦波輸出功率 (Maximum sine-wave output power) 其值為何? (A) 0.64 W (B) 0.08 W (C) 1.28 W (D) 0.32 W
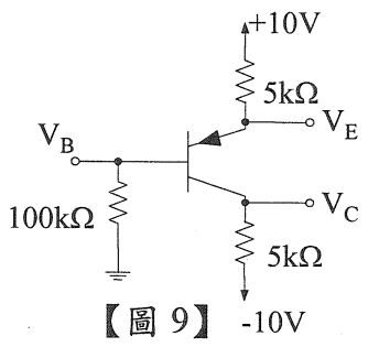
33. 如下【圖9】所示電路其量測得 為 1.0V、 為 1.7V,此電晶體的 β 值為多少?集極電壓應為多少? (A) 16.5, 1.75 V (B) 16.5, -17.5 V (C) 165, -1.75 V (D) 0.165, 17.5 V
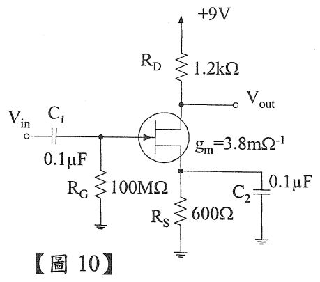
34. 如下【圖 10】所示為場效電晶體放大器,試求此共源極放大器之電壓增益? (A) 4.56 (B) -4.56 (C) -45.6 (D) 45.6
35. 一具空乏型負載的 NMOS 放大器和一 CMOS 數位邏輯反相器相互比較之下,它們之輸入-輸出特性曲線之最大不同處為何? (A) 空乏型負載之 NMOS 放大器最高輸出電壓較大 (B) 空乏型負載之 NMOS 之最低輸出電壓可為零,但 CMOS 不為零 (C) 兩者相位差 180 度 (D) CMOS 之輸出電壓可為零,但空乏型負載之 NMOS 不為零
36. 如下【圖 11】所示之反相放大器電路其回授型態為何? (A) 並並 (Shunt-shunt) (B) 並串 (Shunt-series) (C) 串串 (Series-series) (D) 串並 (Series-shunt)
37. 如下【圖 12】所示屬何種電路? (A) 兩級間串接直接耦合放大器 (B) 兩級間串接 RC 耦合放大器 (C) 兩級間串接變壓器耦合放大器 (D) 達靈頓 (Darlington) 電路
38. 某一電晶體電路的 =1mA、=400MHz,其中 =10.9pF (EB 接面電容),試求 (CB 接面電容) 值為多少? (A) 2pF (B) 3pF (C) 4pF (D) 5pF
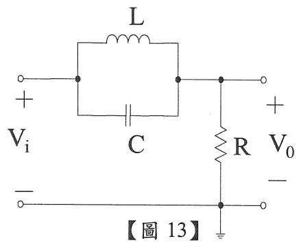
39. 如下【圖 13】所示電路為何種濾波器電路? (A) 低通 (B) 高通 (C) 帶拒 (Notch) (D) 帶通 (Band pass)
40. N 通道增強型 (Enhancement type) MOSFET 通道導通的條件是?( 臨限電壓) (A)(B) (C)(D)
41. 考慮下列遞迴函式
若程式正常執行,請問執行 Fib(5) 傳回的數值為? (A) 13 (B) 8 (C) 15 (D) 3
42. 承上題,Fib(5) 總共執行 Fib 函式幾次? (A) 15 (B) 9 (C) 20 (D) 13
43. 有 A, B, C 三個數,A 為 ,B 為,C 為 (1010.0101)2,其大小關係為? (A) A > B > C (B) B > A > C (C) A > C > B (D) C > A > B
44. 一布林表示式:,其最簡式為何? (A) 1 (B) 0 (C) (D)
45. 一布林表示式:,其化簡的結果為何? (A)(B)(C) (D)
46. 一布林表示式:F(x, y, z) = Σm(1, 3, 4, 5, 7),其化簡的結果為何? (A)(B) (C) (D)
47. 將下列鍵值:468, 115, 121, 98, 746, 769, 805, 46, 48, 512, 33;直接建立一個二元搜尋數 (Binary search tree) 後,欲找到鍵值為 512 的節點,需要經過幾次節點的比較? (A) 3 (B) 4 (C) 5 (D) 6
48. 處理遞迴呼叫的程式時,最適合用來儲存區域變數的資料結構為何? (A) linked-list (B) stack (C) queue (D) tree
49. 4 個 Nodes 能形成多少不同之二元樹 (binary tree)? (A) 13 (B) 14 (C) 15 (D) 16
50. 一系統有 6 部的印表機,系統中每一個 Process 最多需 2 部印表機才可完成工作。請問在 deadlock free 的狀況下,系統最多可同時存在幾個 Process 執行? (A) 3 (B) 4 (C) 5 (D) 6
51. 如下【圖 14】所示之電路及其轉移特性曲線 (Transfer Characteristics),其中 A、B、C 分 別為 Q1 或 Q2 工作狀態之轉換點,在轉移特性曲線 B 點及 C 點之間,電晶體 Q1 及 Q2 的工作 區域為何? (A) Q1 歐姆區 (Ohmic Region),Q2 飽和區 (Saturation Region) (B) Q1 歐姆區,Q2 歐姆區 (C) Q1 飽和區,Q2 飽和區 (D) Q1 飽和區,Q2 歐姆區
52. 運算放大器參數之一,迴轉率 (Slew rate) 之單位為? (A) V/μs (B) R.P.M (C) km/s (D) rad/s
53. 下列敘述何者不是達靈頓 (Darlington) 放大電路的特性? (A) 電壓增益高 (B) 輸入阻抗高 (C) 輸出阻抗低 (D) 電流增益高
54. 雙極性接面電晶體 (BJT) 放大器的下列組態中何者的電壓增益較少? (A) CE 組態 (B) CB 組態 (C) CC 組態 (D) 疊接組態 (Cascode)
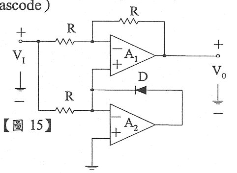
55. 如下【圖 15】中所示若各 OP 為理想放大器,試求此電路 V0 對 之轉換特性表示式。 (A) (B) (C)(D)
56. 已知某個電晶體的功率遞減曲線如右下【圖 16】所示, 其金屬殼與散熱片間的熱阻為 0.5℃/W, 散熱片與周圍間的熱阻為 4℃/W,若工作於周圍溫度 = 60℃ 時,試計算此電晶體的最大許可功率損耗值為何? (A) 80W (B) 60 W (C) 40 W (D) 20 W
57. 在 A 類 (Class A),B 類 (Class B),AB 類 (Class AB) ,C 類 (Class C) 放大器中,以哪一類放大器之功率轉換轉換效率最低? (A) AB 類 (B) A 類 (C) B 類 (D) C 類
58. 回授放大器的穩定條件為 (A) Loop gain 在相位差為 180°時,其絕對值小於 1 (B) Closed-loop gain 在相位差為 180°時,其絕對值大於 1 (C) Closed-loop gain 在相位差為 180°時,其絕對值小於 1 (D) Open loop gain 在相位差為 180°時,其絕對值小於 1
59. 已知下【圖 17】的 OP 為理想運算放大器,且電晶體的值非常大, 其電路為 = 15V、R₁ = R₂ = R₃ = R、 = R/3, 試求出當 = 5V 時 V0 其值為何? (A) -10V (B) -15V (C) 10V (D) 15V
60. 承上題,若當 = -5V 時 V0 其值為何? (A) -10 V (B) -15V (C) 10V (D) 15V