阿摩線上測驗
登入
首頁
>
國營事業◆1.計算機概論 2.電子學
> 102年 - 102 經濟部所屬事業機構_新進職員甄試_電機(乙):1.計算機概論 2.電子學#28474
102年 - 102 經濟部所屬事業機構_新進職員甄試_電機(乙):1.計算機概論 2.電子學#28474
科目:
國營事業◆1.計算機概論 2.電子學 |
年份:
102年 |
選擇題數:
60 |
申論題數:
0
試卷資訊
所屬科目:
國營事業◆1.計算機概論 2.電子學
選擇題 (60)
1.下列何者為控制單元內用以儲存「下一個要執行指令的位置」之裝置? (A)工作暫存器(Working Register, WR) (B)指令暫存器(Instruction Register, IR) (C)程式計數器(Program counter, PC) (D)索引暫存器(Index Register)
2.在 CPU 與輸入/輸出設備溝通的方法中,下列哪一種方法會造成 CPU 忙碌等待(busy waiting)的 情形? (A)輪詢(polling) (B)中斷式(interrupt) (C)直接記憶體(DMA) (D)隔離式(isolated)
3.程序管理(process management)通常由下列何者負責執行? (A)載入程式 (B)編譯程式 (C)作業系統 (D)連結程式
4.磁碟陣列(RAID)可以用來避免硬碟故障造成資料庫的毀損,下列哪一種等級使用之後,該磁碟 可使用的儲存空間只剩下實體儲存空間的一半? (A) RAID 0 (B) RAID 1 (C) RAID 3 (D) RAID 5
5.有一堆疊(Stack),依序執行 push a,push b,pop,push c,push d,pop,push e 後,此堆疊由底部至頂端 依序排列之資料為何? (A) a b c (B) a e c (C) a c b (D) a c e
6.關聯式資料庫(RDBMS)之資料表間以何種方式建立關聯? (A)使用資料庫的樹狀結構建立關聯 (B)使用特殊的檔名來建立關聯 (C)使用兩個資料表的共通屬性建立關聯 (D)使用物件導向的觀念來建立關聯
7.下列何者的邏輯順序和實體順序不一定相同? (A)一維陣列 (B)二維陣列 (C)鏈結串列 (D)佇列
8 程式中能夠具有遞迴呼叫,主要是因為呼叫程式的返回位址是儲存於下列何者? (A)檔案 (B)佇列 (C)堆疊 (D)記錄
9.下列何者不是結構化語言的架構? (A)選擇執行 (B)無條件跳躍執行 (C)重複執行 (D)依順序執行
10.下列何者為採用 IPv4 之正確網際網路 IP 位址? (A) 152.125.35 (B) 146.98.72.25 (C) 130.35.41.6.28 (D) 135.98.72.258
11.下列指令中,何者可以用來檢測網路上某一個網址或 IP 位址是否有主機或網路設備存在? (A) link (B) find (C) ping (D) touch
12.在物件導向程式設計中,將行為和資料一起直接定義在物件上的性質,稱作以下何者? (A)階層 (B)封裝 (C)類別 (D)繼承
13.下列何者是人工智慧常用的程式語言? (A) PERL (B) PASCAL (C) LISP (D) JAVA
14.下列哪一項技術或工具不支援動態網頁的功能? (A) HTML 3 (B) JavaScript (C) JSP (D) Flash
15.下列哪一項不是網頁中執行的應用程式? (A) Servlet (B) JavaScript (C) VBScript (D) Active X
16.想在網頁瀏覽器正確顯示不同國家的文字,最好選擇下列哪一項編碼? (A) UTF-8 (B) EBDIC (C) GB (D) Big 5
17.下列何者不是預防電腦病毒的基本做法? (A)將重要資料隨時備份 (B)登入系統之密碼應不定期更換 (C)不開啟任何來路不明的電子郵件 (D)使用具有合法版權之軟體
18.下列哪一種軟體具有著作權,可以下載及使用。若使用人認為適用,則應繳費予原著作人始 可取得合法使用權? (A)共享軟體(Shareware) (B)免費軟體(Freeware) (C)公共財軟體(Public Domain Software) (D)公開原始碼軟體(Open Source Software)
19.下列哪一項不屬於線上即時通訊應用? (A) LINE (B) Skype (C) WhatsApp (D) Photoshop
20.下列哪一種網路應用類型是 Web 2.0 的代表性服務? (A) Email (B) BBS (C) FTP (D) Wikipedia
21.霍爾效應(Hall effect)使用在半導體測試中,主要用來決定下列何者? (A)半導體內電流 (B)半導體型式(n 或 p) (C)半導體內磁場 (D)半導體溫度
22.在頻率響應波德圖(Bode plot)中,特性曲線的斜率為 6dB/octave 相當於 A dB/decade,則 A 的 值為下列何者? (A) 10 (B) 12 (C) 20 (D) 24
23.負回授放大器的優點中,下列何者有誤? (A)輸入電阻可增大 (B)輸出電阻可增大 (C)頻率響應可改善 (D)線性度可改善
24.由 CMOS FET 組成傳輸閘(Transmission Gate)時,組成元件為下列何者? (A)只有 NMOS (B)只有 PMOS (C) NMOS+PMOS (D) JFET
25. ECL (Emitter-Coupled Logic)電晶體邏輯閘的優缺點中,下列何者有誤? (A)雜訊邊界大 (B)可以有互補輸出 (C)輸出可直接連結 Wired-OR (D) Fan-out 數有限
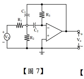
26.如【圖 1】所示的電路作用為下列何者?
(A)積分器 (B)微分器 (C)限制器 (D)整流器
27.下列何者的電流並聯負回授放大器特性敘述有誤? (A)輸入阻抗降低 (B)非線性失真度降低 (C)輸出阻抗降低 (D)頻寬增加
28. BJT 電晶體的作用區域分為工作區、飽和區及截止區,在飽和區之集極與射集接面偏壓敘述 中,下列何者正確? (A)皆為逆向偏壓 (B)皆為順向偏壓 (C)集極為順向偏壓,射極為逆向偏壓 (D)集極為逆向偏壓,射極為順向偏壓
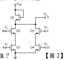
29.如【圖 2】所示之 FET 邏輯電路, 輸出 Y 與下列何者邏輯運算結果相符?
(A) AB+CD (B) AC+BD (C)
(D)
30. B 類功率放大器之轉換效率最佳,下列何者為其最大可能轉換效率值? (A) 75% (B) 78.5% (C) 82.5% (D) 100%
31.如【圖 3】所示的低通電路中,假設輸入電阻為 1 KΩ, 高 3 dB 頻率為 1 KHz,DC 增益為 40 dB,則 C1為以下何值?
(A) 1/π nF (B) 2/π nF (C) 10/π nF (D) 10/(2π) nF
32. BJT 電晶體放大器組態中,下列何者最適合做為阻抗匹配器? (A)共集極 (B)共基極 (C)共射集 (D)共閘極
33.如【圖 4】所示之濾波器電路作用為下列何者?
(A)低通 (B)帶通 (C)高通 (D)全通
34.串級(Cascade)電晶體組態中,為求得最大電壓增益,通常使用下列何者放大器組態作為第二 級放大器?
(A)共集極 (B)共基極 (C)共射集 (D)共源極
35.如右【圖 5】所示的零交越偵測器(Zero-crossing Detector), 當輸入電壓 Vi 為正弦波時,則 Vo 波形為下列何者
? (A)正弦波 (B)方波 (C)三角波 (D)脈衝波
36.差動放大器中差動信號增益為 Ad,共模信號增益為 Ac,則共模拒斥比(CMRR)為下列何者?
37.在一單純 RC 低通濾波器中,R=2/π KΩ,C=1 μF,其截止頻率為下列何者? (A) 7.958 Hz (B) 25 Hz (C) 79.58 Hz (D) 250 Hz
38.有關負回授放大器的穩定性敘述,下列何者有誤? (A) gain margin 為負值則不穩定 (B)如 1+Aβ 的零點皆在複數頻率平面的左邊則穩定 (C)暫態干擾影響會漸漸消失則穩定 (D) phase margin 為負值則不穩定
39.在以示波器測試及調整放大器的輸出波形時,通常輸入下列何者較適用? (A)正弦波 (B)三角波 (C)方波 (D)脈衝波
40.二極體截波電路(diode clipping circuit)如【圖 6】所示, 二極體為理想二極體,當輸入電壓 Vi 為正弦波時, 則輸出電壓 Vo 波形為下列何者(實線)?
41.設計資料表結構時,避免或降低資料重複的過程稱作以下何者? (A)正規化 (B)合併化 (C)模組化 (D)結構化
42.在二元樹的探訪順序中先探訪左子節點,再探訪父節點,最後再探訪右子節點的方法稱作以 下何者? (A)前序法 (B)中序法 (C)後序法 (D)循序法
43.在 UML 提供的圖形工具中,描述系統內各個元件間工作執行的流程,稱作以下何者? (A)活動圖 (B)類別圖 (C)使用情況圖 (D)實作圖
44.關於網域名稱系統(Domain Name System, DNS),下列敘述何者正確? (A)DNS 伺服器可以透過網域名稱解析得到對應的 MAC 位址 (B)每一台 DNS 伺服器都記錄了網際網路上所有主機名稱與 MAC 位址之間的對應 (C)假如世界上所有的 DNS 伺服器都當機,則網際網路運作完全不受影響 (D)DNS 採用分散式及階層式的網域名稱管理架構 ,DNS 伺服器查不到的資訊可向其上層的 DNS 伺服器請求查詢
45.有關駭客攻擊手法中,阻斷服務(DOS)之攻擊係指下列何者? (A)利用電腦病毒感染主機,使其無法正常服務 (B)利用植入後門程式,進行資料竊取或竄改 (C)利用輸入 SQL 隱碼,進行資料竊取或竄改 (D)利用大量封包傳遞以癱瘓網路
46.透過瀏覽器連線到 Gmail 收發電子郵件,使用下列哪一項通訊協定進行連線? (A) POP 3 (B) IMAP (C) HTTPS (D) SMTP
47.下列哪一項不是網頁使用 CSS 的主要目的? (A)套用樣式 (B)相容於各種瀏覽裝置 (C)可快速變更頁面外觀 (D)加快網頁載入速度
48.使用 SSL(Secure Sockets Layer)的方式與網站進行安全性連線時,使用下列哪一項資訊進行網 站身分識別? (A)電腦名稱 (B) IP 位址 (C)使用者帳號 (D)數位憑證
49.關於 4G 電信通訊標準,下列敘述何者有誤? (A) 4G 是指第四代的意義 (B)基本技術需求是靜態傳輸速率在 1Gbps,高速移動則為 100Mbps (C) WIMAX 標準和 LTE 標準都是 4G 標準之一 (D)無需 IP 位址也可實作出行動裝置連線至網際網路的機制 VR t υo 計算機概論、電子學 第 5 頁,共 5 頁 + _ Vx C Vo Rf C C R R 【圖 7】 + _ VS C1 Vo R1 C2 R2 R3 + + _ _ 【圖 8】 R RL IL Q1 Q2 Q3 +15V +15V -15V + _ Vi Vo R 2R 2R + _ Rin 【圖 10】 + _ I 6.3V Z + _ Q1 Q2 RL 2KΩ 3.5KΩ + _ VL 30V 10KΩ 2KΩ hFE=100 hFE=100
50.雲端運算在技術層面,下列敘述哪些正確:A.硬體發展及虛擬化技術成熟有助於雲端運算推 展,B.雲端運算可以輕鬆實現不同設備間的資料共享,C.雲端運算使用特定的終端裝置,以 保證安全,D.雲端運算不限制使用地點。 (A) ABD (B) ABC (C) ACD (D) BCD
51.兩個不相互作用且上 3 dB 頻率 fH 皆相同的帶通濾波器作串級(Cascade)組態,則整個上 3 dB 頻率 fA 與 fH 的比值為下列何者?
(A)
(B)√2-1 (C)√2 (D)1 1
52.如下【圖 7】所示為一主動式共振帶通濾波器,假設其電壓增益-Ao=50,中心頻率為 160 Hz ,3 dB 頻寬為 16 Hz,C
1
=C
2
= 0.1 μF,則 R
1
為下列何者?
(A) 2 KΩ (B) 2π KΩ (C) 3 KΩ (D) 3π KΩ
53.電流鏡電路如下【圖 8】所示,假設 Q
1
、Q
2
及 Q
3
特性完全相同且 β>>1 及 VBE=0.7 V,如 R=2 KΩ,則 IL為下列何者?
(A) 7.5 mA (B) 10 mA (C) 14.3 mA (D) 28.6 mA
54.一轉換函數為
,且 s3=10*s1=100*s2,則主要極點(dominant pole)為下列何者? (A) s1 (B) s2 (C) s3 (D) 2*s1
55. FET 場效電晶體相較於 BJT 電晶體的特性敘述下列何者有誤? (A) FET 是單極性裝置 (B) FET 具有高電流驅動能力 (C) FET 可作為對稱性的雙向開關 (D) FET 較無雜訊產生
56.運算放大器電路如右【圖 9】所示,輸入電阻 Rin 為下列何者?
(A) -0.5 R (B) -R (C) 0.5 R (D) R
57.有一 0.5W、2.5V 的齊納二極體(Zener Diode),其最大電流為下列何者? (A) 75 mA (B) 100 mA (C) 150 mA (D) 200 mA
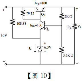
58.有一穩壓電路如下【圖 10】所示,假設 Q
1
、Q
2
電晶體的 I
C
=IE (IB 忽略) ,V
BE
=0.7V,則 V
L
為下列何者?
(A) 6.3 V (B) 7 V (C) 11 V (D) 20 V
59.全波整流器的峰值負載電流值為 Im 時,則 Irms 值為下列何者?
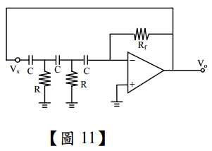
60.移相振盪器如下【圖 11】所示,則其振盪頻率為下列何者?
申論題 (0)
相關試卷
105年 - 105 經濟部所屬事業機構_新進職員甄試_電機(乙):2.電子學#71776
105年 · #71776
105年 - 105 經濟部所屬事業機構_新進職員甄試_電機(乙):1.計算機概論#60334
105年 · #60334
104年 - 104 經濟部所屬事業機構_新進職員甄試_電機(乙):1.計算機概論 2.電子學#60438
104年 · #60438
103年 - 103 經濟部所屬事業機構_新進職員甄試_電機(乙):1.計算機概論 2.電子學#18983
103年 · #18983
101年 - 101 經濟部所屬事業機構_新進職員甄試_電機(乙):1.計算機概論 2.電子學#35955
101年 · #35955
100年 - 100 經濟部所屬事業機構_新進職員甄試_電子:1.計算機概論 2.電子學#125613
100年 · #125613