所屬科目:國營事業◆1.計算機概論 2.電子學
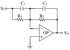
26. 如右圖之電路,在下列哪種條件下,其電壓增益值V ⁄V 與 C1 C2 頻率無關? (OP:理想運算放大器) (A) R1C2 = R2C1 (B) R1R2 = C1C2 (C) C1 = C2 (D) R1C1 = R2C2
27. 如右圖之電路,流經Rf的電流值If為多少? (OP:理想運算放大器;D 為二極體,其導通電 壓 = 0.7 V;VZ:稽納二極體的逆向崩潰電壓) (A) 0.14 mA (B)28 mA (C) 0.42 mA (D) 0.56 mA
31. 如右圖之電路,假設,所有的 MOSFET (Q1~Q4)的爾利電壓(Early Voltage)|VA | 50 V,且gm = 0.5mA⁄V ,忽略基體效應(Body Effect),請問輸出電阻Ro的值為多少? (A) 116 MΩ (B) 126 MΩ (C) 256 MΩ (D) 502 MΩ
32. 如右圖之電路,假設MOSFET Q1、Q2、Q3 之工 VDD 作點均在飽和區且忽略爾利效應(Early Effect), g 0.5mA⁄V,Q3 與 Q2 的通道寬度比W3 ⁄W2 = 1.2,試求此電路的小信號電壓放大倍數 vo/vi 等於多 少? vo /vi (A) 70 (B) 80 (C) 90 (D) 100
33. 如右圖之電路,假設的電流增益β 均為 80,VT=25 mV,且爾利電壓(Early Voltage)|VA|= 100 V ,求Ro的電阻值為多少?
(A) 191 MΩ (B) 291 MΩ (C) 391 MΩ (D) 491 MΩ
35. 對一增強型的 PMOS 電晶體,其,爾利電壓(Early Voltage) |VA | =50 V,將閘極(G)端接地,源極(S)端接 5V,當汲極端電壓 vD= +4 V時, 求其汲極電流值 為多少? (A) 0.14 mA (B) 0.27 mA (C) 0.40 mA (D) 0.59 mA
36. 在積體電路中,NMOS的基體端應如何接? (A)接至電流源 (B)接至汲極(Drain) (C)接至源極(Source) (D)接至最低電壓
39. 如右圖之電路,已知此CMOS反向器電路的V 0.8 V,V -0.8 V VDD =5V 且K K ,假設vO1 0.5 V時,請問vI的電壓值為多少? (A) 1.55 V (B) 2.06 V I O2 (C) 2.86 V N1 N2 (D) 3.75 V
41. 如右圖的一組並聯-串聯式(Shunt-Series)負回授放大電路,電 VDD 晶體參數g g 6 mA⁄V,忽略爾利效應(Early Effect) 及基體效應(Body Effect),電阻RS= RD=10 k Ω及RF =90 k Ω ,求電流放大倍數為多少? (A) -6.9 (B) -9.9 IS (C) -12.9 (D) -15.9 F RS
42. 如何有效降低增強型NMOS電晶體的Threshold Voltage電壓值VT,下列敘述何者正確? (A)降低基體(Substrate)的濃度(NA) (B)降低源極(Source)區域的濃度(ND) (C)降低汲極(Drain)區域的濃度(ND) (D)降低閘極(Gate)區域的 :矽氧化層的permittivity; :矽氧化層厚度)
43. 對一npn型的BJT所組成的共基極(Common Base)放大器,下列敘述何者有誤? (A)輸入阻抗Ri= re (很小) (B)高頻響應比共射極(Common Emitter)放大器差 (C)電流增益(D)電壓增益變化的影響小
45. 下列有關MOS電流鏡和BJT電流鏡的比較何者有誤? (A) MOS電流鏡無β效應(有限β值效應) (B)通常MOS電流鏡的來的大 (C) MOS電流鏡rO 的影響比BJT電流鏡小(有限 rO 值效應) (D) Wilson電流鏡的電路可降低BJT電流鏡β值有限效應及增加輸出電阻值
46. 如右圖的電晶體放大電路,,求小信號電壓放 大增益值vo/vi 為多少?(C1、C2 及CS 可視為短路) (A) -5.7 (B) -10.7 (C) -20.7 (D) -30.7
47. 如右圖的數位邏輯電路,A、B為邏輯輸入,請問Y輸出為何? (A) (B) A +B (C) AB (D)
48. 開路放大器的增益函數 ,當回授因子β值為多少時,會使閉回路放大器成為臨 界阻尼響應。 (A) 0.525 (B) 0.625 (C) 0.725 (D) 0.825
49. 如右圖之電路,假設所有電晶體完全相同, 且爾利電壓(Early Voltage),並忽略電流 IB,請問要使此電路 R=1kΩ I 1 操作在線性區域內 [ vomin , vomax ],其輸入電壓值vI 要在哪種範圍? (A) -3.6 V≤ vI≤ 5.5 V (B) -3.6 V≤ vI ≤ 6.5 V (C) -2.6 V≤ vI ≤ 5.0 V (D) -2.6 V ≤ vI ≤ 6.5
50. 如右圖之電路,一個MOSFET 放大器的小 Cgd 信號高頻等效電路,假設R 100 kΩ, gm= 4 mA⁄V,R 'L=5 kΩ,且Cgs= Cgd= 1 pF,RS= 100 Ω,請問高頻-3dB 的ωH 值為多少? (A) 367.6 k rad⁄s S (B) 453.5 k rad⁄s RS (C) 566.3 k rad s (D) 623.0 k rad⁄s