阿摩線上測驗
登入
首頁
>
電子學
> 100年 - 100 臺灣菸酒股份有限公司_從業職員及從業評價職位人員甄試_電氣技術員、電子技術員:電子學#27407
100年 - 100 臺灣菸酒股份有限公司_從業職員及從業評價職位人員甄試_電氣技術員、電子技術員:電子學#27407
科目:
電子學 |
年份:
100年 |
選擇題數:
40 |
申論題數:
0
試卷資訊
所屬科目:
電子學
選擇題 (40)
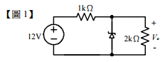
1.如【圖 1】所示之電路,稽納二極體之崩潰電壓為 9 V,則 V
o
為何?
(A) 6 V (B) 8 V (C) 9 V (D)10 V
2.單相二極體橋式全波整流器之輸入電壓為12√ 2sin337t V,則其輸出電壓平均值為何? (A) 17 V (B) 12 V (C) 10.8 V (D)6.5 V
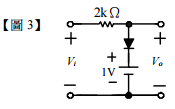
3.如【圖 3】所示之電路,若V
i
= 4 √2sin20 V ,則V
o
之最小值為何?
(A) 1 V (B) 0 V (C) -1 V (D)-5.7 V
4.若 BJT 偏壓於作用區,基極電流為 0.04 mA 而射極電流為 4 mA,BJT 的a 值為何? (A) 0.99 (B) 0.98 (C) 0.97 (D)0.96
5. BJT 的集極電流和基極電流分別為 I
C
與 I
B
,若 I
C
< BI
B
,則 BJT 工作於用哪一區? (A)截止區 (B)作用區 (C)飽和區 (D)崩潰區
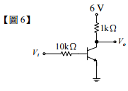
6.如【圖 6】所示之電路,若電晶體之 β =80,V
CE (sat)
= 0V 且工作於飽和區,則最小基極電流為何?
(A) 48 µA (B) 55 µA (C) 64 µA (D)75 µA
7.在電路中射極隨耦器的功用為何? (A)功率轉換 (B)阻抗轉換 (C)電流轉換 (D)電壓轉換
8.有關 BJT 之偏壓電路,下列何者穩定度最低? (A)固定偏壓電路 (B)自給偏壓電路 (C)分壓偏壓電路 (D)射極回授偏壓電路
9. BJT 放大電路中,哪一種組態電路的電壓增益與電流增益均可大於 1? (A)共基極組態電路 (B)共集極組態電路 (C)共射極組態電路 (D)共汲極組態電路
10.有關達靈頓電路特性之敘述,下列何者錯誤? (A)輸入阻抗高 (B)電壓增益略小於 1 (C)電流增益高 (D)輸出阻抗高
11.有一 N 通道 JFET,其 I
DSS
=10 mA,V
GS(OFF)
= -4 V,若 V
GS
= -2 V 則汲極電流 I
D
為何? (A) 5.2 mA (B) 4.2 mA (C) 3.6 mA (D)2.5 mA
12.若 N 通道空乏型 MOSFET 之夾止電壓 V
GS(P)
= -4V,閘極電壓 V
G
= -1V,汲極電壓 V
D
= 6 V 且源極電壓 V
S
= 1 V, 則其工作於何種模式? (A)截止區模式 (B)夾止飽和區模式 (C)歐姆區模式 (D)崩潰模式
13.有關 MOS FET 特性之敘述,下列何者錯誤? (A)單載子元件 (B)易受靜電影響 (C)汲極電流具正溫度係數 (D)為電場控制元件
14.運算放大器內部為何種耦合方式之多級串聯放大電路? (A)直接耦合 (B) RC 耦合 (C)變壓器耦合 (D)RL 耦合
15.某運算放大器之共模增益為 10,差模增益為 10
5
,則其共模拒斥比 CMRR 為何? (A) 60 dB (B) 70 dB (C) 80 dB (D)100 dB
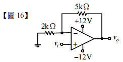
16.如【圖 16】所示之理想運算放大器電路,若 v
i
= -1V ,則 v
o
為何?
(A) 5.5 V (B) -3.5 V (C) -8 V (D)-12 V
17.如【圖 17】所示之理想運算放大器電路,若 v
i
= 2V ,則 v
o
為何?
(A) 4 V (B) 2 V (C) -2 V (D)-4 V
18.運算放大器內部主要電路的輸入級為下列何者? (A)差動放大電路 (B)射極隨耦器 (C)達靈頓放大電路 (D)電流放大電路
19.如【圖 19】所示之電路,運算放大器之開路增益為 120 dB,則發生正飽和的最小 v
i
為何?
(A) 100 mV (B) 10 mV (C) 150 µV (D)12 µV
20.弦波振盪電路之閉迴路增益約為何? (A) √29 (B)√ 3 (C) 1 (D)0
21.決定韋恩電橋振盪器之振盪頻率的網路為下列何者? (A)負回授網路 (B)正回授網路 (C)負載阻抗 (D)偏壓電路
22.如【圖 22】所示之運算放大器電路,該運算放大器是理想的。此電路的輸入電阻 Ri=VS/IS 為:
(A) R
1
(B) R
1
+ R
2
(C) R
1
+ R
2
+ R
3
(D)R
1
+ R
2
+ R
3
∥R
4
23.同 22 題電路,若 R
1
=R
2
= R
3
=R
4
,此電路的 V
o
/V
s
為:
(A) -1 (B) -2 (C) -3 (D)-4
24.如【圖 24】所示,有一個矽二極體之 i
D
與 v
D
之關係式為:i
D
=I
Se
,其中 V
T
為熱電壓,一般取為 25mV。若 當 iD=1mA 時,其 v
D
=0.7V;則當 i
D
=10mA 時,其 v
D
之值為:(取 ln10=2.3)
(A) 0.7V (B) 0.73V (C) 0.76V (D)0.79V
25.如【圖 25】所示之二極體電路,設二極體導通時之電壓 V
D
=0.7V,已知 R=2kW,R
1
=1kW,R
2
=1kW,V
1
=3V, V
2
=5V,則當 V
S
=+10V 時,輸出電壓 Vo約為:
(A) 3.7V (B) 4V (C) 5.8V (D)10V
26.
如【圖 26】所示之電路,設齊納(Zener)二極體的 VZ=5V,5mA < iZ < 100mA;當 VS=6.3V,R=10歐姆 時,若此電
路要正常運作,iL 的最大電流可為:
(A)0
(B)30mA
(C)125mA
(D)130mA
27.可推知其跨於基 極射極的 rp 值為: (A) 200W (B) 250W (C) 2kW (D)2.5kW
28.續 27 題,並可推知其集極電流 IC值約為:(取熱電壓 VT=25mV) (A) 1mA (B) 2mA (C) 4mA (D)8mA
29.設 V
CC
=5V,電晶體導通之 VBE=0.7V,電晶體飽和之 V
CE
=0.2V,此電晶體最可能操 作在:(A)截止(cut off)模式 (B)主動(active)模式 (C)飽和(saturation)模式 (D)反向主動(reverse active)模式
30.同 29 題電路,若電晶體之β=50,R
c
=2kW,R
B
=5.5kW,則集極電流 I
C
值為: (A) 0.6mA (B) 1.2mA (C) 2mA (D)2.4mA
31.如【圖 31】所示之電流鏡電路,設各電晶體具有相同特性,並均操作於主動模式(active mode),且不計爾列 效應(Early effect)。若 V
CC
=5V,R=1kW,假設導通之 V
BE
=0.7V 並忽略β,則 I
O
值約為:
(A) 4.3mA (B) 4.8mA (C) 7.8mA (D)8.6mA
32.電晶體之臨界電壓 Vt=1V。若當 I=1mA 時測得 Vo=2V;則若 I 增為 4mA 時,Vo 的值為: (A) 2V (B) 3V (C) 4V (D)5V
33.同 32 題電路,該電晶體操作在: (A)截止(cut off)模式 (B)三極體(triode)模式 (C)飽和(saturation)模式 (D)正好在三極體模式和飽和模式的交界處
34.Q
1
與 Q
2
具有相同特性,其臨界電壓(threshold voltage)V
t
=0.8V。當此電路操作於共模輸入電壓 V
G1
=V
G2
=V
CM
時,該 V
CM
的最大值應限定在:
(A) 0.8V (B) 2V (C) 2.8V (D)5V
35.同 34 題電路,此電路之功率耗損 PD 約為: (A) 5mW (B) 10mW (C) 20mW (D)40mW
36.如【圖 36】所示為一簡化的共源(CS)放大器(其偏壓電路略去未繪示),其中 R
sig
為輸入訊號源的內阻。電阻 R
sig
對此 CS 放大器的中頻電壓增益 A
M
及對高 3-dB 頻率 f
H
的影響為:
(A)對 A
M
及 f
H
的影響均極大
(B)對 A
M
的影響極大,對 f
H
的影響極小
(C)對 A
M
的影響極小,對 f
H
的影響極大
(D)對 A
M
及 f
H
的影響均極小
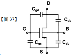
37.如【圖 37】所示為一個 MOSFET 及其 4 個極間電容。當此 MOSFET 接成共源(CS)放大器時,對該放大器之 高頻響應具有最大影響的極間電容通常是:
(A) C
gs
(B) C
gd
(C) C
db
(D)C
sb
38.一個理想的互導放大器(transconductance amplifier)應具有下列何種特性: (A)極大的輸入電阻與極大的輸出電阻 (B)極大的輸入電阻與極小的輸出電阻 (C)極小的輸入電阻與極大的輸出電阻 (D)極小的輸入電阻與極小的輸出電阻
39.若一個負回授放大器在高頻引起不穩定的振盪,則該回授放大器(含回授網路)的轉換函數至少含有幾個極點頻 率? (A) 1 個 (B) 2 個 (C) 3 個 (D)4 個
40.對負回授放大器施加一頻率補償電容,其作用是使該回授放大器的迴路增益(loop gain)L 在可能的振盪頻率 ω
180
,限定其大小|L|為: (A)恰為 0 (B)小於 1 (C)恰為 1 (D)大於 1
申論題 (0)
相關試卷
115年 - 115-1 臺北市立大安高工教師甄選試題_電子/控制科:電子學#138452
115年 · #138452
115年 - 115 國營臺灣鐵路股份有限公司從業人員_甄試試題_第10階-助理技術員-電力、電務:電子學概要#138261
115年 · #138261
114年 - 114 地方政府公務特種考試_三等_電力工程、電子工程、電信工程:電子學#134800
114年 · #134800
114年 - 114 地方政府公務特種考試_四等_電力工程、電子工程、電信工程:電子學概要#134742
114年 · #134742
114年 - 114 專技高考_電子工程技師:電子學#133712
114年 · #133712
114年 - 114 公務升官等考試_薦任_電力工程、電子工程、電信工程:電子學#133247
114年 · #133247
114年 - 114 原住民族特種考試_四等_電子工程:電子學概要#130947
114年 · #130947
114年 - 114 專技高考_專利師(選試專業英文及電子學)、專利師(選試專業日文及電子學):電子學#130110
114年 · #130110
114年 - 114 普通考試_電力工程、電子工程、電信工程:電子學概要#128790
114年 · #128790
114年 - 114 高等考試_三級_電力工程、電子工程、電信工程:電子學#128768
114年 · #128768