所屬科目:電子學
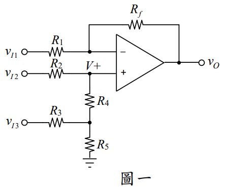
一、有一個理想運算放大器(Operational Amplifier)電路如圖一所示,此電路有 3 個輸入電壓訊號,分別為:。電路中 = 80 kΩ,R1 = 40 kΩ, R2 = 10 kΩ ,R3 =20 kΩ ,R4 = 10 kΩ ,R5 = 20 kΩ 。請計算 = ?
(一)請計算= ?
(二)當= 0.7 V (EB 接面順向偏壓)且= 0.4 V 時,電晶體 Q1 會進入 飽和模式(Saturation Mode) ,若要讓 Q1 保持在主動模式(Active Mode) , 請問 的最大值為何?
(一)上 3 dB 頻率。
(二)零點(Zero)頻率。
四、圖四為一個串並(Series-Shunt)回授放大器電路,電路中 npn BJT 電晶體 Q1 與 Q2 的參數如下 :β1=β2 = 100 , = 10 mA/V , = 10 kΩ , = ∞ 。 電路中 , = 20 kΩ , = 20 kΩ , R1 = 2 kΩ , R2= 18 kΩ 。請計算:電壓增益 、輸入電阻 與輸出電阻 。
(一) = 0 V 時, ?
(二) = 5 V , = 0 V 時, =?