阿摩線上測驗
登入
首頁
>
電子學
> 101年 - 101 身心障礙特種考試_四等_電子工程:電子學概要#45161
101年 - 101 身心障礙特種考試_四等_電子工程:電子學概要#45161
科目:
電子學 |
年份:
101年 |
選擇題數:
0 |
申論題數:
5
試卷資訊
所屬科目:
電子學
選擇題 (0)
申論題 (5)
一、試以運算放大器繪出一個正相放大器及一個反相放大器的基本電路,再以此兩個放 大器結合產生一個能進行減法運算的電路。(20 分)
【已刪除】二、試求下列電路之電壓增益(設小訊號參數為g
m
、g
mb
、g
ds
或r
ds
)。(20 分)
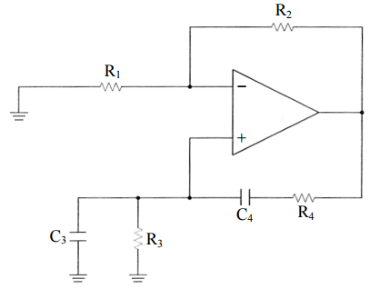
【已刪除】三、試求下列濾波電路之電壓增益。(20 分)
【已刪除】四、下列數位電路圖中使用三個 JK 正反器(Flip Flop)及一個 AND 邏輯閘構成。當輸 入一系列的時脈信號(clock signal)時,請分別繪出其三個輸出端(X、Y、Z)的 信號;並請問此電路是一個什麼電路?(20 分)
【已刪除】五、試求下列振盪電路的振盪條件及振盪頻率。(20 分)
相關試卷
115年 - 115-1 臺北市立大安高工教師甄選試題_電子/控制科:電子學#138452
115年 · #138452
115年 - 115 國營臺灣鐵路股份有限公司從業人員_甄試試題_第10階-助理技術員-電力、電務:電子學概要#138261
115年 · #138261
114年 - 114 地方政府公務特種考試_三等_電力工程、電子工程、電信工程:電子學#134800
114年 · #134800
114年 - 114 地方政府公務特種考試_四等_電力工程、電子工程、電信工程:電子學概要#134742
114年 · #134742
114年 - 114 專技高考_電子工程技師:電子學#133712
114年 · #133712
114年 - 114 公務升官等考試_薦任_電力工程、電子工程、電信工程:電子學#133247
114年 · #133247
114年 - 114 原住民族特種考試_四等_電子工程:電子學概要#130947
114年 · #130947
114年 - 114 專技高考_專利師(選試專業英文及電子學)、專利師(選試專業日文及電子學):電子學#130110
114年 · #130110
114年 - 114 普通考試_電力工程、電子工程、電信工程:電子學概要#128790
114年 · #128790
114年 - 114 高等考試_三級_電力工程、電子工程、電信工程:電子學#128768
114年 · #128768