阿摩線上測驗
登入
首頁
>
電子學
> 102年 - 102 原住民族特種考試_四等_電子工程:電子學概要#43674
102年 - 102 原住民族特種考試_四等_電子工程:電子學概要#43674
科目:
電子學 |
年份:
102年 |
選擇題數:
0 |
申論題數:
5
試卷資訊
所屬科目:
電子學
選擇題 (0)
申論題 (5)
【已刪除】一、試求下列以運算放大器(Operational Amplifier)為主動元件的電路之各別輸出信號 與輸入信號的轉移函數。(20 分)
【已刪除】二、以 JK 正反器(Flip-flop)及簡單邏輯閘完成下面數位邏輯電路,試詳述其三輸出端, X、Y 及 Z 端之輸出信號。(20 分)
【已刪除】三、試以數學分析詳述下面共射極電晶體電路中回授電容如何進行頻率補償?(20 分)
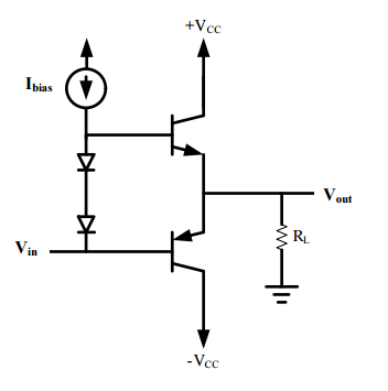
【已刪除】四、試詳述下面電晶體電路之操作原理,並說明其優點。(20 分)
【已刪除】五、試以簡單邏輯閘設計一個七段顯示器,以顯示從 0(000)到 7(111)八個阿拉伯數字。 (20 分)
相關試卷
115年 - 115-1 臺北市立大安高工教師甄選試題_電子/控制科:電子學#138452
115年 · #138452
115年 - 115 國營臺灣鐵路股份有限公司從業人員_甄試試題_第10階-助理技術員-電力、電務:電子學概要#138261
115年 · #138261
114年 - 114 地方政府公務特種考試_三等_電力工程、電子工程、電信工程:電子學#134800
114年 · #134800
114年 - 114 地方政府公務特種考試_四等_電力工程、電子工程、電信工程:電子學概要#134742
114年 · #134742
114年 - 114 專技高考_電子工程技師:電子學#133712
114年 · #133712
114年 - 114 公務升官等考試_薦任_電力工程、電子工程、電信工程:電子學#133247
114年 · #133247
114年 - 114 原住民族特種考試_四等_電子工程:電子學概要#130947
114年 · #130947
114年 - 114 專技高考_專利師(選試專業英文及電子學)、專利師(選試專業日文及電子學):電子學#130110
114年 · #130110
114年 - 114 普通考試_電力工程、電子工程、電信工程:電子學概要#128790
114年 · #128790
114年 - 114 高等考試_三級_電力工程、電子工程、電信工程:電子學#128768
114年 · #128768