所屬科目:統測◆04電機與電子群資電類◆(二)數位邏輯、數位邏輯實習、電子學實習、計算機概論
3. 一個二輸入 AND 閘,其中 A、B 為輸入,F 為輸出,下列何者可以代表 F 之布林函數? (A) A+ B (B) (C) (D)
4. 若 F1 (A,B,C) = AB + ,,則 F1⊕F2之結果以標準積項的和 表示時,其結果為何? (A) (0,5,6) (B) ( 1 , 2 ,5 ,7 ) (C) (1,2,5,6)(D)(3,5,6,7)
6. 布林函數 F(A,B,C,D) = ( 1 , 3 , 7 , 11 , 15 ),另外 F(A,B,C,D) 尚有 3 個隨意項( don’t care ) 分別為 與 ,將 F 進行卡諾圖化簡後,下列何者不可能是其 化簡後之結果? (A) CD +(B) CD + (C) D(+C) (D) CD +
7. 若布林函數 F(A,B,C,D) = AD + B + ABC +,則為下列何者? (A) (B) (C) (D)
8. BCD 加法器可使用二個 4 位元加法器及一些邏輯閘所組成的修正電路來完成,如圖( 一) 所示,則此修正電路的布林函數為何? (A) Co= K +M8M4+M8M2 (B) Co= K +M4M2+M4M1 (C) Co= K +M4M1+M2M1 (D) Co= +M8M4+M8M2
9. 一個 1 位元比較器輸入為 X 與 Y,輸出有 FX <Y (X 小於Y)、FX >Y (X 大於 Y)、FX < =Y (X 小於 等於 Y)、FX =Y (X 等於 Y)與 FX >=Y (X 大於等於 Y),下列敘述何者錯誤? (A) FX >=Y = X +(B) FX=Y = XY +(C) FX<=Y = +Y (D) FX<Y +FX >Y =1 ˉ
10. 如圖(二)所示,設正反器輸出初值 Q1=1、Q0=0,當 CLK輸入 10kHz脈波後,F 輸出為何? (A) F=1 (B) F=0 (C) F 輸出 5 kHz 脈波 (D) F 輸出 2.5 kHz 脈波 ˉ
11. 一個輸出為 3 位元之狀態時序圖如圖 (三 )所示,輸入 1 個時脈週期可以使目前狀態依箭頭 轉變至下一個狀態,設狀態初值為 000,經過 4 個時脈週期後,輸出狀態值為何? (A) 111 (B) 101 (C) 100 (D) 001
12. 如圖(四)所示之邏輯電路,輸出 F 的布林函數為何? (A) X +Y (B) +Y (C) X + (D) +
14. 下列有關理想 CMOS IC 之敘述,何者正確? (A) 工作電源電壓限制在 5V± 5% (B) 雜訊免疫力約為電源電壓的 3% (C) 在靜態下,幾乎不消耗功率 (D) 扇出能力低於 10
15. 某一邏輯閘具有二個輸入 A 與 B,一個輸出 Y,經實驗後量得之輸入與輸出關係如表 ( 一 ) 所示,則此邏輯閘為下列何種功能? (A) XOR (B) XNOR(C) AND (D) OR
16. 下列何者可以完成如圖(五)所示之功能? (A) F(A,B,C)= ( 1 , 3, 5,7 ) (B) F(A,B,C)= ( 0 , 2 ,4 ,6 ) (C) F(A,B,C)= ( 1 , 2 ,4 ,6 ) (D) F(A,B,C)= ( 0 , 1, 3,5 )
18. 一個半減器之輸入被減數為 X、減數為 Y,借位輸出為 Bout = Y ,若僅能以二輸入 NAND閘 來實現 Bout 布林函數,則至少需要使用多少個 NAND 閘? (A) 1 (B) 2 (C) 3 (D) 4
19. 如圖 ( 六 ) 所示為 4 對 1 多工器之示意圖及真值表,多工器輸入分別為 A、B、C 與 D, 輸出為 Y,控制信號為 G,選擇信號則為 S1 與 S0 ,真值表中X 為隨意項(don’t care),則下列 何者為輸出 Y 之布林函數? (A)(B)(C) (D)
20. 如圖(七)所示,當 4個開關中只有SW3被按下(即開關閉合),則 A、B之輸出 TTL邏輯準位 為何? (A) A=0、B=0(B) A=0、B=1 (C) A=1、B=0 (D) A=1、B=1
21. 將 SR 正反器連接成 JK 正反器如圖(八)所示,若方塊 A 及方塊 B 分別僅能使用 1 個二輸入 邏輯閘,則下列何者正確? (A) 方塊A 使用AND、方塊B 使用OR (B) 方塊A 使用NAND、方塊B 使用NOR (C) 方塊A 使用AND、方塊B 使用AND (D) 方塊A 使用NAND、方塊B 使用NAND
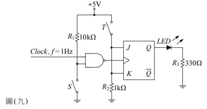
22. 如圖 ( 九 ) 所示電路,其中 ON 代表開關閉合,OFF 代表開關開路,若要讓 LED 產生明滅 閃爍之顯示,則開關S 及 T 之設定為何? (A) S 為 ON、T 為 ON (B) S 為 ON、T 為 OFF (C) S 為 OFF、T 為 ON (D) S 為 OFF、T 為 OFF
23. 將 3 個 JK 正反器接成如圖 ( 十 ) 所示之計數器電路,假設 Q2 Q1 Q0初值為 001,若 CLK 輸入 2 個時脈週期後,則 Q2Q1Q0輸出值為何? (A) 010 圖(十) (B) 011 (C) 100 (D) 101
24. 二個 4 位元右移移位暫存器 A 與 B 之控制電路示意圖及輸入信號如圖(十一)之( a )及( b ) 所示,移位暫存器 A與 B均在 CLK輸入為正緣時產生觸發,並進行向右移位一次,SIA、SIB 與 SOA、SOB分別為其串列輸入與串列輸出,假設移位暫存器 A之初值為 1011,移位暫存器 B 之初值為 0111,則 Clock (時脈)信號輸入 12 個週期後,移位暫存器 A 與 B 內部所儲存 的值分別為何? (A) A=1011、B=0111 (B) A=0000、B=1011 (C) A=1011、B=1011 (D) A=0000、B=0111 ˉ
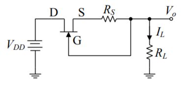
29. 如圖(十二)所示為場效電晶體電路,若場效電晶體工作於飽和區,則電路具有何種功能? (A) 倍壓(B) 輸出定電流 (C) 電流放大 (D) 開關控制
32. 一電路與其輸入信號如圖 ( 十三 ) 所示,電路中 Z1與 Z2為稽納二極體,在電路可正常工作 下,則下列何者為不可能測得的輸出波形? (A) (B) (C) (D)
33. 如圖(十四)所示為電晶體直流負載線實驗電路,若電晶體之 β=100,調整 VBB使得 IB=20μA, 若不考慮電表的負載效應,則此時直流伏特表與直流安培表分別顯示的值為何? (A) 0.2V、11.8mA (B) 4V、2mA (C) 10V、2mA (D) 11V、1mA ˉ
34. 一個非反相放大器如圖(十五)所示,下列敘述何者錯誤? (A)(B) 當 RA = ∞, RB = 0Ω 時, =1 (C) 本電路具有負回授 (D) 當 RA = 0Ω, RB = ∞時,可視為電壓隨耦器
37. 一個反相史密特觸發器 ( Schmitt trigger ) 如圖 ( 十六 ) 所示,若 vo在正、負飽和時,輸出之 電壓分別為+12V、–12V,上、下臨界(或觸發)電壓分別為+2V、–2V,則下列有關 R1與 R2 之敘述,何者正確? (A) R2=5R1 (B) R2=2R1 (C) R1=5R2 (D) R1=2R2
47. 依據美國國家標準協會(ANSI)編製的標準化流程圖符號,以下何者名稱與其符號不相符? (A) 處理: (B) 判斷(決策): (C) 列印: (D) 副程式: