阿摩線上測驗
登入
首頁
>
機動學
> 102年 - 102 高等考試_三級_汽車工程:機動學#44077
102年 - 102 高等考試_三級_汽車工程:機動學#44077
科目:
機動學 |
年份:
102年 |
選擇題數:
0 |
申論題數:
5
試卷資訊
所屬科目:
機動學
選擇題 (0)
申論題 (5)
一、用圖說明具直動滾子型從動件的盤形凸輪機構之壓力角,並試舉一可降低壓力角之 方法。(15 分)
二、解釋齒輪傳動基本定律(fundamental law of gearing),並說明一對相互接觸的漸開 線(involute curve)如何可滿足齒輪傳動基本定律。(15 分)
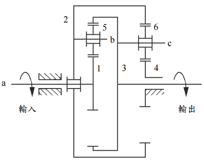
【已刪除】三、如下圖所示之齒輪機構,令 Ni 代表桿件 i 之齒數、桿件 1 為輸入桿、桿件 3 為輸出 桿,請求出 ω
3
/ω
1
。(20 分)
四、解釋一組囓合正齒輪間的干涉(interference of matching spur gears)現象,並請提出 一消弭干涉的方法,且說明其可能衍生之副作用。(20 分)
【已刪除】五、如下圖所示之連桿機構,試求:
桿件數、運動對數與種類,及其自由度(含計算過程)。(15 分)
以瞬心法說明此一瞬間,桿 2 與桿 5 的角速度方向關係與約略大小比值。(15 分)
相關試卷
105年 - 105 高等考試_三級_汽車工程:機動學#54436
105年 · #54436
104年 - 104 高等考試_三級_汽車工程:機動學#42609
104年 · #42609
103年 - 103 高等考試_三級_汽車工程:機動學#43154
103年 · #43154
101年 - 101 高等考試_三級_汽車工程:機動學#44917
101年 · #44917
100年 - 100 高等考試_三級_汽車工程:機動學#45668
100年 · #45668
99年 - 99 高等考試_三級_汽車工程:機動學#46842
99年 · #46842
97年 - 97 公路特種考試_高員三級_汽車工程:機動學#48933
97年 · #48933
96年 - 96 交通事業郵政升資考試_員級晉高員級_機械工程:機動學#51090
96年 · #51090