所屬科目:1計算機概論和2電子學
34.假設交流電源,則經半波整流後的平均輸出電壓為何? (A) 110 √2 V (B) 110 V (C) 110√ 2 /π V (D) 110/ π V
35.如【圖 35】所示之二極體截波器(clipper),若 vi = 10 sin (2π×60t) V 且 VB = 8 V,則 vo的最大值為何? (A) 0 V (B) 2 V (C) 10 V (D) 18 V
36.根據穩壓率的定義: ,若 VO,nor = 5 V、VO,max = 5.5 V,請問下列 VO,min的值符合 5%的穩壓率要 求者為何? (A) 5.0 V (B) 5.1 V (C) 5.2 V (D) 5.3 V
41.如【圖 41】所示 BJT 電路,使 VC約為 2 V 之 RC值為何? (A) 1.2 kΩ (B) 1.4 kΩ (C) 1.6 kΩ (D) 1.8 kΩ
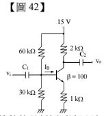
42.如【圖 42】所示以分壓器偏壓之 BJT 共射極(common-emitter, CE)放大器,則下列敘述何者錯誤? (A)計算直流偏壓條件時,C1與 C2可視為開路 (B)集極到基極間電壓約等於 1.4 V (C)電壓增益約為−2 倍 (D)基極電流 IB約等於 4 µA
44.如【圖 44】所示以 CC 放大器為主的達林頓對(Darlington pair)放大器,則等效的共射極電流增益β為何? (A) 50 (B) 150 (C) 5000 (D) 2
47.如【圖 47】所示的 JFET 電路,IDSS = 12 mA 且 VP = −3 V,請問下列 RD值何者可以使該 JFET 操作於夾止區? (A) 0.9 kΩ (B) 1.1 kΩ (C) 1.3 kΩ (D) 1.5 kΩ
52.如【圖 52】所示電路,下列敘述何者錯誤? (A)此 NMOSFET 永遠操作於三極區 (B)當 V 小於 VT時,此電路視同開路 (C)此電路經常取代電阻作為負載使用 (D)其小信號等效電阻與直流偏壓電流的平方根成反比
題目三: 如【圖三】所示之增強型 NMOSFET 偏壓電路,若其操作於夾止區,K = 0.5 mA / V 2、 VT = 3 V,請求出 ID與汲極電壓 VD的最大容許交流振幅。【10 分】
題目四: 如【圖四】所示的 BJT 電流鏡(current mirror),假設 Q1、Q2 為匹配電晶體,請證明: 【其中α為共基極電流增益(common-base current gain)】【10 分】