所屬科目:技檢◆電器修護-乙級
1.電熱器的表示符號是(A)(B)(C)(D)。
2.洗衣機漏電時,其處理方式為(A)加強接地(B)追查原因並排除故障(C)更換插頭方向(D)將洗衣機和地絕緣(墊上絕緣物)。
3.直熱式電鍋,飯煮太焦的原因?(A)水量不足(B)電熱板上有異物(C)內鍋變形(D)動作溫度設定太 高。
4.電子鍋無法保溫最可能的原因為(A)溫度保險絲斷(B)電熱管壞(C)電源線斷(D)保溫電熱絲斷。
5.工程製圖實線、虛線須避免穿越下列何種線條?(A)尺寸線(B)中心線(C)實線(D)虛線。
6.動鐵式計器係利用(A)螺絲(B)空氣(C)彈簧(D)線圈作為阻尼作用。
7.有一4極60Hz感應電動機,滿載轉速為1728rpm,求該電動機滿載轉差率為(A)4%(B)2%(C)6%(D)8%。
8.電磁爐面使用器具(A)沒有面積沒有材質限制(B)有面積有材質限制(C)沒有面積有材質限制(D)有 面積沒有材質限制。
9.霓虹燈點亮後,二次側電壓約會(A)上生一成(B)下降二成(C)下降一成(D)上升二成。
10.給水開關受(A)換向開關(B)水流開關(C)計時開關(D)水位壓力開關控制。
11.一般分離式冷氣機其冷媒管路超過多少公尺需補充冷媒?(A)5公尺(B)15公尺(C)50公尺(D)10 公尺。
12.導致電暖器不熱的可能故障原因?(A)石英管破(B)反射板髒(C)停電(D)開關接點不通。
13.相對溼度的單位為(A)kg/m3(B)%(C)m3/kg(D)kg/kg。
14.銲接管路為防止管內產生黑膜時,須用(A)充氮氣銲接(B)充氯氣銲接(C)充氧氣銲接(D)真空銲接。
15.微波爐所產生之微波是利用______方式進行熱的傳遞。(A)輻射(B)傳導(C)漂移(D)對流
16.銼刀正確使用方法是(A)前推時不用力,拉回亦不施壓力(B)前推時用力,拉回時亦施壓力(C)前 推時用力,拉回時不施壓力(D)前推時不用力,拉回時施壓力。
17.在下圖中的符號表示
(A)過載保護(B)離心開關(C)熱動接點(D)恆溫器。
18.有一冷凍系統其高壓表壓力為150Lb/in2G,低壓表壓力為15Lb/in2G,此壓縮機之壓縮比為 (A)0.1(B)4(C)5.5(D)10。
19.左立體圖的視圖為(A)前視圖(B)俯視圖(C)右側視圖(D)左側視圖。
20.電器設備失火時,應使用下列何種滅火?(A)水(B)氯化鈉(C)二氧化碳(D)砂。
21.洗衣機一般稱塑鋼外殼是指外殼用(A)塑膠加鋼(B)F.R.P.(C)PP塑膠(D)P.V.C.塑膠。
22.三用電表靈敏度為DC20kΩ/V,AC8kΩ/V,則三用電表撥在AC250V檔,其內阻為(A)5MΩ (B)20kΩ(C)1MΩ(D)2MΩ。
23.用按鈕開關代替啟動器的日光燈是(A)30W(B)20W(C)40W(D)10W。
24.測量小電流、高電壓時,試問下列那一種方式為正確的接法? (A)(B)(C)(D)。
25.日光燈管內壁塗有何種粉末?(A)螢光粉(B)鋁粉(C)麵粉(D)氟粉。
26.全自動洗衣機進水水壓,一般約在(A)1.5~2.0㎏/cm2之間(B)15~20㎏/cm2(C)10~18㎏/cm2(D)0.2~8㎏/cm2。
27.微波爐所利用的高週波頻率是(A)2450MHz(B)40kHz(C)60Hz(D)2450kHz。
28.我國市用電源頻率為多少Hz?(A)60Hz(B)80Hz(C)70Hz(D)50Hz。
29.下列何種狀況會導致電吹風機風量不足?(A)扇葉鬆脫(B)馬達線斷(C)扇葉卡住(D)電壓太高。
30.使用多聯式插座,若每一個插座可用6A,則6孔多聯插座最多可用(A)6A(B)36A(C)視其電源線額定(D)60A。
31.電鍋之煮飯電熱絲為20Ω,保溫電熱絲為200Ω,兩者串聯,若電壓220VAC,保溫時電功 率?(A)200W(B)20W(C)220W(D)22W。
32.複合壓力表之連接管,低壓部份應採用(A)白色(B)藍色(C)紅色(D)黃色。
33.真空度20cmHg之蒸發壓力為(A)0.76kg/cm2表壓力(B)0.271kg/cm2表壓力(C)0.271kg/cm2絕對壓力(D)0.76kg/cm2絕對壓力。
34.高壓水銀燈內部水銀蒸汽壓力約多少mmHg?(A)7600(B)76(C)760(D)7.6。
35.水銀燈之管電阻係呈現(A)先負電阻性後正電阻性(B)先正電阻性後負電阻性(C)負電阻性(D)正電 阻性。
36.水銀燈點燈時間需經多少分鐘?(A)1~2(B)3~5(C)8~11(D)5~8。
37.洗衣馬達接成4極而作高速逆時針方向旋轉,則此水流選擇開關是置於(A)強反轉(B)強漩渦(C) 弱漩渦(D)弱反轉。
38.電鬍刀馬達之轉子為(A)離心式(B)鼠籠式(C)凹極式(D)凸極式。
39.休克之急救應使傷者,先行平躺後(A)保持體溫(B)供應飲水(C)降低溫度(D)迅速送醫。
40.當功率因數為1時,則電壓與電流之相位差為(A)90°(B)30°(C)60°(D)0°。
41.一般洗衣機之馬達正反轉是受(A)皮帶控制(B)電源反接控制(C)變速齒輪箱控制(D)啟動線圈出線 頭對調所致。
42.電冰箱的蒸發器出口端加裝低壓儲液器(Accumulator)其功能是(A)使過量的冷媒蒸發避免液 壓縮(B)儲存冷媒供蒸發器用(C)儲存冷媒提高熱交換效果(D)儲存冷媒冷卻壓縮機用。
43.單槽洗衣機在脫水行程中,打開脫水槽上蓋後由於______產生作用能使脫水槽立即停止運轉。(A)微動開關與剎車系統(B)微動開關(C)定時開關(D)剎車系統
44.電器設備的接地線安裝位置,那一個是錯的?(A)接地棒(B)連接匣的面板固定螺絲(C)PVC水管 (D)配電盤。
45.三用電表刻度盤之鏡片,其功用為(A)便於夜間使用(B)增加亮度(C)防止靜電干擾(D)減少視覺誤 差之產生。
46.抽真空時之連接管應要求(A)內徑大、長度長(B)內徑大、長度短(C)內徑小、長度短(D)內徑小、 長度長。
47.有一電熱線電阻10Ω,外加電壓110V,通電10分鐘時所產生之熱量約為多少仟卡?(A)348 (B)2882(C)144(D)174。
48.若一窗型冷氣機之散熱風口面積為40cm×50cm,風扇之風速為20m/min,則其散熱風量為(A)20m3/min(B)40m3/min(C)2m3/min(D)4m3/min。
49.已知氖燈之耐壓為55V,其內阻為120kΩ,欲在110V之電源上使用,需串聯電阻(A)100k Ω(B)80kΩ(C)120kΩ(D)140kΩ。
50.使用梯子時,梯腳除需加止滑器外,並與地面成約多少度較妥?(A)75度(B)45度(C)30度(D)60 度。
51.果汁機之兩磁場線圈極性相同時,將使果汁機(A)轉慢(B)不變(C)轉快(D)不轉。
52.目前市面上電熱管式電熱水器無法加熱,可能的故障是(A)電壓太低(B)水壓太小(C)電壓太高(D) 水壓太大。
53.由電容器啟動之馬達,其轉子回轉速若以r.p.m.計,其公式為: (A)(B)(C)(D)。
54.測冷媒充填是否正確可使用______測試得之。(A)電壓計(B)真空計(C)壓力錶(D)探漏器
55.脫水機脫水原理,係利用(A)向心力(B)反作用力(C)重力(D)離心力。
56.振簧型電表主要為測定(A)電壓(B)功率(C)電流(D)頻率。
57.啟動器可以手按開關來代替,是限於______以下之日光燈。(A)10W(B)40W(C)30W(D)50W
58.小型電冰箱壓縮機啟動用之啟動繼電器為(A)PTC式(B)熱線式(C)電壓式(D)雙金屬片式。
59.冷媒在蒸發器所吸收之熱量,比在冷凝器放出的熱量(A)大(B)視環境而定(C)相同(D)小。
60.紅色⊕在工廠中代表(A)倉庫(B)醫務處(C)廁所(D)辦公室。
61.電冰箱在正常運轉時,壓縮機之吸入溫度較蒸發溫度(A)相同(B)忽高忽低(C)高(D)低。
62.安裝分離式冷氣機時,如果室外機高於室內機且落差太大時,應注意(A)回油問題(B)噪音問題 (C)震動問題(D)散熱問題。
63.使用電磁爐時,可以把電磁爐放置(A)桌巾上(B)布墊上(C)桌子上(D)地毯上。
64.40W以上之日光燈管應使用______以上高功因安定器。(A)60%(B)80%(C)50%(D)70%
65.下列何種情形會使麵包烤得太黑?(A)麵包太輕(B)熱控開關調整不良(C)電壓太低(D)電壓太高。
66.下列何種定律又稱電動機定則(A)法拉第定律(B)佛來明左手定則(C)安培右手定則(D)佛來明右手 定則。
67.吹風機馬達的型式為(A)串激式(B)推斥式(C)蔽極式(D)分相式。
68.電源濾波用電解電容器會爆炸之原因為(A)電解電容器耐壓太高(B)電源頻率不對(C)電解電容器 極性接反(D)電源變壓器短路。
69.冷媒由壓縮機吐出是(A)低溫低壓氣體(B)高溫高壓液體(C)高溫高壓氣體(D)低溫低壓液體。
70.洗衣機中洗衣槽內迴轉盤轉速約為馬達轉速的(A)1/2倍(B)相同(C)2倍(D)1/4倍。
71.下圖電路常用於那一種電器產品
(A)電冰箱(B)吸塵器(C)電扇(D)電暖器。
72.R-22冷媒在標準壓力之下的沸點溫度為(A)-33.4℃(B)-29.8℃(C)-24℃(D)-40.8℃。
73.日光燈點亮後,取走啟動器時,日光燈(A)馬上熄滅(B)經短時間後才熄滅(C)發生閃爍(D)照常發亮。
74.脫水馬達啟動繞組斷路時,馬達(A)不運轉但有嗡嗡之聲(B)會運轉但變慢(C)正常運轉(D)不運轉也無嗡嗡之聲。
75.雙槽洗衣馬達被接成4極,而作高速逆時針方向旋轉,此時的水流選擇開關是置於(A)弱漩渦 (B)強漩渦(C)強反轉(D)弱反轉。
76.1Kcal/hr等於:______BTU/hr。(A)3.967(B)0.252(C)3.414(D)0.86
77.若吸塵器電動機之碳刷磨損,不可能產生下列何結果?(A)產生火花(B)產生噪音(C)馬達燒燬(D) 轉速加快。
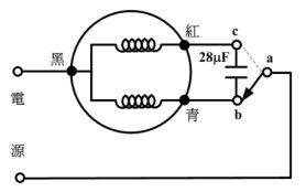
78.一般家用冰箱冷藏室的溫度約(A)0~5℉(B)10~15℃(C)0~5℃(D)0~15℉。
79.4P的單相感應電動機其同步轉(A)1600rpm(B)1200rpm(C)2400rpm(D)1800rpm。
80.下圖為洗衣馬達之
(A)正、反轉控制(B)水位控制(C)轉速控制(D)時間控制。