阿摩線上測驗
登入
首頁
>
電子學
> 103年 - 103 原住民族特種考試_三等_電力工程:電子學#43244
103年 - 103 原住民族特種考試_三等_電力工程:電子學#43244
科目:
電子學 |
年份:
103年 |
選擇題數:
0 |
申論題數:
8
試卷資訊
所屬科目:
電子學
選擇題 (0)
申論題 (8)
【已刪除】一、如圖所示之電路,在 20℃ V
DD
= 6 V,R = 2 kΩ 的情況,VT(熱電壓,thermal voltage)以 25.3 mV 計算,二極體在導通狀態,假設二極體偏壓在 0.7 V 時,二極 體電流為 1.5 mA 請利用反覆計算(iteration)的方法,求 I
D
和 V
D
之值,計算過程 V
DD
,V
D
以 V 為單位,I
D
以 mA 為單位,請計算到小數點以下第三位其餘四捨五入 即可。(20 分)
【已刪除】二、如圖之電路 R
1
= 2 kΩ,R
2
= 2 kΩ,假設二極體在偏壓 0.6 V 開始導通,而完全導通 時,偏壓固定在 0.8 V(假設二極體電流 I
D
≧1 mA 即表示二極體完全導通),請計 算並畫出此電路之輸入電壓和輸出電壓的關係(即 V
I
– V
O
的關係圖),同時標出曲 線轉折點之輸入輸出電壓值。(20 分)
⑴本電路之中帶增益(midband gain)A
M
;(8 分)
⑵低截止頻率(lower 3dB frequency)f
L
。(12 分)
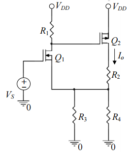
【已刪除】四、如圖之反饋電路,假設 g
m1
= g
m2
= 5 mA/V,R
1
= 10 kΩ,R
3
= R
4
= 200 Ω,R
2
=1 kΩ, r
o1
,r
o2
可忽略,求本電路之 I
o
/V
s
(即 A
f
值)。(20 分)
⑴雜訊邊限(noise margins);(6 分)
⑵其轉換過渡區(transition region)之寬度;(6 分)
⑶假設最小雜訊邊限(minimum noise margins)是 1 V,請問 V
DD
為多少?(8 分)
相關試卷
114年 - 114 地方政府公務特種考試_三等_電力工程、電子工程、電信工程:電子學#134800
114年 · #134800
114年 - 114 地方政府公務特種考試_四等_電力工程、電子工程、電信工程:電子學概要#134742
114年 · #134742
114年 - 114 專技高考_電子工程技師:電子學#133712
114年 · #133712
114年 - 114 公務升官等考試_薦任_電力工程、電子工程、電信工程:電子學#133247
114年 · #133247
114年 - 114 原住民族特種考試_四等_電子工程:電子學概要#130947
114年 · #130947
114年 - 114 專技高考_專利師(選試專業英文及電子學)、專利師(選試專業日文及電子學):電子學#130110
114年 · #130110
114年 - 114 普通考試_電力工程、電子工程、電信工程:電子學概要#128790
114年 · #128790
114年 - 114 高等考試_三級_電力工程、電子工程、電信工程:電子學#128768
114年 · #128768
113年 - 113-2 國營臺灣鐵路股份有限公司_從業人員甄試試題_第10階-助理技術員-電務 第10階-助理技術員-電力:電子學概要#137201
113年 · #137201
113年 - 113 臺灣菸酒股份有限公司_從業職員及從業評價職位人員甄試試題_從業職員_電子電機:電子學#133997
113年 · #133997