阿摩線上測驗
登入
首頁
>
電子學
>
103年 - 103 原住民族特種考試_三等_電力工程:電子學#43244
> 申論題
題組內容
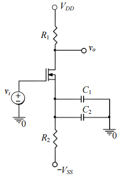
三、如圖之電路,r
o
可忽略,偏壓電流 I
D
= 2 mA,且 g
m
= 2 mA/V,另外 R
1
= 20 kΩ, R
2
=10 kΩ,C
1
= C
2
= 10 µF,求:
⑴本電路之中帶增益(midband gain)A
M
;(8 分)
相關申論題
⑵低截止頻率(lower 3dB frequency)fL。(12 分)
#138662
⑴雜訊邊限(noise margins);(6 分)
#138664
⑵其轉換過渡區(transition region)之寬度;(6 分)
#138665
⑶假設最小雜訊邊限(minimum noise margins)是 1 V,請問 VDD 為多少?(8 分)
#138666
(二) = 5 V , = 0 V 時, =?
#561019
(一) = 0 V 時, ?
#561018
四、圖四為一個串並(Series-Shunt)回授放大器電路,電路中 npn BJT 電晶體 Q1 與 Q2 的參數如下 :β1=β2 = 100 , = 10 mA/V , = 10 kΩ , = ∞ 。 電路中 , = 20 kΩ , = 20 kΩ , R1 = 2 kΩ , R2= 18 kΩ 。請計算:電壓增益 、輸入電阻 與輸出電阻 。
#561017
(二)零點(Zero)頻率。
#561016
(一)上 3 dB 頻率。
#561015
(二)當= 0.7 V (EB 接面順向偏壓)且= 0.4 V 時,電晶體 Q1 會進入 飽和模式(Saturation Mode) ,若要讓 Q1 保持在主動模式(Active Mode) , 請問 的最大值為何?
#561014
相關試卷
114年 - 114 地方政府公務特種考試_三等_電力工程、電子工程、電信工程:電子學#134800
114年 · #134800
114年 - 114 地方政府公務特種考試_四等_電力工程、電子工程、電信工程:電子學概要#134742
114年 · #134742
114年 - 114 專技高考_電子工程技師:電子學#133712
114年 · #133712
114年 - 114 公務升官等考試_薦任_電力工程、電子工程、電信工程:電子學#133247
114年 · #133247
114年 - 114 原住民族特種考試_四等_電子工程:電子學概要#130947
114年 · #130947
114年 - 114 專技高考_專利師(選試專業英文及電子學)、專利師(選試專業日文及電子學):電子學#130110
114年 · #130110
114年 - 114 普通考試_電力工程、電子工程、電信工程:電子學概要#128790
114年 · #128790
114年 - 114 高等考試_三級_電力工程、電子工程、電信工程:電子學#128768
114年 · #128768
113年 - 113-2 國營臺灣鐵路股份有限公司_從業人員甄試試題_第10階-助理技術員-電務 第10階-助理技術員-電力:電子學概要#137201
113年 · #137201
113年 - 113 臺灣菸酒股份有限公司_從業職員及從業評價職位人員甄試試題_從業職員_電子電機:電子學#133997
113年 · #133997