阿摩線上測驗
登入
首頁
>
電子學
> 103年 - 103 專技高考_專利師(選試專業英文及電子學)、專利師(選試專業日文及電子學):電子學#43236
103年 - 103 專技高考_專利師(選試專業英文及電子學)、專利師(選試專業日文及電子學):電子學#43236
科目:
電子學 |
年份:
103年 |
選擇題數:
0 |
申論題數:
14
試卷資訊
所屬科目:
電子學
選擇題 (0)
申論題 (14)
【已刪除】 ⑴
【已刪除】 ⑵
【已刪除】 ⑶
⑴假設電晶體均工作於飽和區,以 g
m _ n
、 r
o _ n
、 g
m _ p
、 r
o _ p
、 R
L
為參數推導出 A
v
。 (10 分)
⑵帶入所給的數據,計算出此電路的 A
v
。(10 分)
⑴求此一電路的輸出阻抗 R
o
。(5 分)
⑵求此一電路的放大倍率 A
v
。(5 分)
⑶此一電路可透過電晶體的並聯來降低輸出阻抗與提升增益,若要求此一電路有 0.99 的放大倍率且負載 R
L
有相同的直流偏壓電流,則並聯的顆數為何?(5 分) 此時閘極偏壓V
GG
必須修正為何值?(5 分)
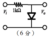
⑴求其輸入阻抗。(6 分)
⑵求其輸出阻抗。(7 分)
⑶求其放大倍率。(7 分)
【已刪除】 ⑴
【已刪除】 ⑵
【已刪除】 ⑶
相關試卷
115年 - 115-1 臺北市立大安高工教師甄選試題_電子/控制科:電子學#138452
115年 · #138452
115年 - 115 國營臺灣鐵路股份有限公司從業人員_甄試試題_第10階-助理技術員-電力、電務:電子學概要#138261
115年 · #138261
114年 - 114 地方政府公務特種考試_三等_電力工程、電子工程、電信工程:電子學#134800
114年 · #134800
114年 - 114 地方政府公務特種考試_四等_電力工程、電子工程、電信工程:電子學概要#134742
114年 · #134742
114年 - 114 專技高考_電子工程技師:電子學#133712
114年 · #133712
114年 - 114 公務升官等考試_薦任_電力工程、電子工程、電信工程:電子學#133247
114年 · #133247
114年 - 114 原住民族特種考試_四等_電子工程:電子學概要#130947
114年 · #130947
114年 - 114 專技高考_專利師(選試專業英文及電子學)、專利師(選試專業日文及電子學):電子學#130110
114年 · #130110
114年 - 114 普通考試_電力工程、電子工程、電信工程:電子學概要#128790
114年 · #128790
114年 - 114 高等考試_三級_電力工程、電子工程、電信工程:電子學#128768
114年 · #128768