阿摩線上測驗
登入
首頁
>
電子學
> 103年 - 103 鐵路特種考試_高員三級_電子工程:電子學#43467
103年 - 103 鐵路特種考試_高員三級_電子工程:電子學#43467
科目:
電子學 |
年份:
103年 |
選擇題數:
0 |
申論題數:
8
試卷資訊
所屬科目:
電子學
選擇題 (0)
申論題 (8)
【已刪除】一、一非反向放大器之閉路增益為 1000,所使用之運算放大器有 3 mV 輸入偏移電 壓(Input Offset Voltage)且輸出飽和位準(Output Saturation Level)為±13 V,則 不會造成輸出限幅(Output Clipping)之最大輸入弦波振幅為何(12 分)?如圖一 所示,若此放大器為電容耦合式(Capacitively Coupled),則最大可能輸入振幅是 多少(8 分)
(1)回授因子 (Feedback Factor)β。(10 分)
(2)幣回路增益( Closed-Loop Gain)A
f
。(10 分)
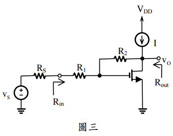
【已刪除】 三、圖三之回授放大器中 I = 1 mA、V
GS
= 0.8 V,而 MOSFET 之 V
t
= 0.6 V 且 V
A
= 30 V。 若 R
s
= 10 kΩ、R
1
= 1 MΩ且 R
2
= 4.7 MΩ,請求出電壓增益 v
o
/v
s
、輸入阻抗 R
in
與輸 出阻抗 R
out
。(20 分)
(1)圖四使用理想之運算放大器,請推導其轉換函數 V
o
(s)/V
i
(s)。(12 分)
(2) 請以波德圖(Bode Plot)或頻率響應圖說明此電路屬於何種濾波器。(8 分)
(1) 請說明圖五屬於那種類型的數位電路(如:CMOS、TTL、ECL…等)。(10 分)
(2)求出 Y 的布林函數(Boolean Function)。(10 分)
相關試卷
115年 - 115-1 臺北市立大安高工教師甄選試題_電子/控制科:電子學#138452
115年 · #138452
115年 - 115 國營臺灣鐵路股份有限公司從業人員_甄試試題_第10階-助理技術員-電力、電務:電子學概要#138261
115年 · #138261
114年 - 114 地方政府公務特種考試_三等_電力工程、電子工程、電信工程:電子學#134800
114年 · #134800
114年 - 114 地方政府公務特種考試_四等_電力工程、電子工程、電信工程:電子學概要#134742
114年 · #134742
114年 - 114 專技高考_電子工程技師:電子學#133712
114年 · #133712
114年 - 114 公務升官等考試_薦任_電力工程、電子工程、電信工程:電子學#133247
114年 · #133247
114年 - 114 原住民族特種考試_四等_電子工程:電子學概要#130947
114年 · #130947
114年 - 114 專技高考_專利師(選試專業英文及電子學)、專利師(選試專業日文及電子學):電子學#130110
114年 · #130110
114年 - 114 普通考試_電力工程、電子工程、電信工程:電子學概要#128790
114年 · #128790
114年 - 114 高等考試_三級_電力工程、電子工程、電信工程:電子學#128768
114年 · #128768