阿摩線上測驗
登入
首頁
>
1.電工及電子學;2.數位系統;3.電工機械
> 104年 - 中鋼104師級電機#23378
104年 - 中鋼104師級電機#23378
科目:
1.電工及電子學;2.數位系統;3.電工機械 |
年份:
104年 |
選擇題數:
56 |
申論題數:
0
試卷資訊
所屬科目:
1.電工及電子學;2.數位系統;3.電工機械
選擇題 (56)
1 如圖 1、圖 2 所示,請問 (1)電晶體 Vce 的電壓值是多少? (2)如果將 Rb 372KΩ 的電阻器 開路,那麼電晶體 Vce 的電壓值又是多少? (3)如果將 Rb 372KΩ 的電阻器改成 100KΩ, 那麼電晶體 Vce 的電壓值又是多少? 請依照(1)、(2)、(3)的順序選擇正確的答案:
(A) 3.72V、0.2V、8V (B) 9.3V、0V、5V (C) 5V、10V、0.2V (D) 0.2V、0V、5V
2. 兩線式的壓力傳送器輸出範圍:4~20mA,代表壓力 0~200Kgf/cm
2
,現用電流表量到 8mA,表示現場壓力為多少 Kgf/cm
2
? (A) 100 (B) 70 (C) 50 (D) 40
3. 假設電磁閥的電阻性負載,整流子為電磁閥的驅動元件,輸入端為 AC 110V,輸出電壓 為 DC 90V,當整流子放在現場(整流子到電磁閥間的線阻為 0 歐姆 Ω),量到電磁閥兩端 流過 1 安培( A )電流,今將整流子移到 500 公尺遠的電氣室內,整流子到電磁閥以兩芯(2 core),2mm
2
PVC 電纜連接整流子與電磁閥,依據電纜手冊查到線阻為 10Ω/KM,請問 電磁閥兩端量到的電壓為?(四捨五入,捨去小數點) (A)85 (B) 83 (C) 81 (D) 79
4. Relay 線路如右圖 3,由 C,D,E,F,G 五個 Relay 組成 的電路,A、B 兩端分別提供+-60VDC 電源,發現 G relay 未受電,測量點 1~4 電壓,分別為+60 、-60、-60、-60 VDC,請問是哪一個 Relay 未動作或 接點有問題?
(A) C (B) D (C) E (D) F
5. 下圖 4 為定電流迴路模擬器,請就目前選擇開關之位置,選擇迴路電流 I 的值與右邊輸 出端之 V+與 V-兩端電壓值的正確答案:
(A)4mA 1V (B)6mA、6.5V (C) 10mA、2.5V (D) 12mA、3V
6. 三相 460VAC 斷路器如右圖 5,上方為輸入端 AC 460V, 下方為輸出端,今發現斷路器過熱異常跳脫,量上方電壓 R-S、S-T、T-R 分別為 AC 460 V、AC 459 V、AC 458 V, 輸出端電壓 R-S、S-T、T-R 分別為 AC 300 V、AC 259 V、 AC 458V,請問斷路器哪一極有問題?
(A) R (B) S (C) T (D) R 與 S
7. 如圖 6 所示電路,試求電流 I 為多少?
(A) 1mA (B) 2mA (C) 3mA (D) 4mA
8. 若要以三用電表判斷二極體的好壞,可將三用電表切在哪個檔位? (A) DCV 檔 (B) DCmA 檔 (C) 歐姆檔 (D) ACV 檔
9. 如右圖 7 所示之電路,若齊納(Zener)二極體 之額定功率為 0.5W,崩潰電壓 V
Z
為10V,當 輸入電壓 V
S
= 20V 時,則負載電阻 R
L
最大 可為何值?
(A) 100Ω (B) 150Ω (C) 200Ω (D) 250Ω
10. 如圖 8 所示,假設 OPA 為理想運算放大器, 且 V1 = 4mV,V2 = 3mV,試求電壓 Vo 為何?
(A) - 4 mV (B) -12 mV (C) - 20 mV (D) - 40 mV
11. 若某數位 IC 規格表,列出其高態輸出之最小輸出電壓為 V
OH
= 2.4V 、低態輸出之最大 輸出電壓為 V
OL
= 0.4V 、高態輸入之最小輸入電壓為 V
IH
= 2.0V 及低態輸入之最大輸入電 壓為 V
IL
= 0.8V ,則其高低態的雜訊邊限 V
NH
與 V
NL
分別為: (A) V
NH
= 0.4V ; V
NL
= 0.4V (B) V
NH
= 1.6V ; V
NL
= 1.6V (C) V
NH
= 2.0V ; V
NL
= 1.2V (D) V
NH
= 2.4V ; V
NL
= 0.4V
12. 下列有關場效電晶體 FET 敘述,何者錯誤? (A) 接面場效電晶體 JFET 輸入阻抗高是因為閘極的反向偏壓 (B) 增強型 MOSFET 在閘極未加電壓時沒有通道存在 (C) N 通道空乏型 MOSFET 在 V
GS
=0V 時,電流 I
D
最大 (D) 若以 N 通道 MOSFET 當電子開關,則 V
DS
<V
GS
- V
th
,且 V
GS
- V
th
> 0
13. 某公司設置許多「三相交流同步發電機」的汽電共生機組,當這些同步發電機經大修保 養後要與整個電力系統併聯時,下列哪些數值必須維持最小的差值,才不會發生「非同 步併聯」的情形? (A) 電壓大小、電流大小、相序/角度 (B) 頻率大小、相序/角度、電流大小 (C) 頻率大小、電壓大小、相序/角度 (D) 頻率大小、功率因數大小、電壓大小
14. 工廠一般都會裝設「電容器」來改善「功率因數」問題,可以獲得下列哪些好處? 甲、可提升功率因數大於 1 乙、減少電壓降 丙、增加配電設備絕對容量 丁、減少線路損失 戊、可減少電費 己、減少線路電流 庚、減少可負載側馬達所需電流 (A) 乙丁戊己 (B) 乙丙丁戊己 (C) 甲乙丙丁戊己 (D) 甲乙丙丁戊己庚
15. 如圖 9 所示,三相不接地供電系統,以 3 個 PT 接至 R、S、T 3 燈號,正常狀況下各相 間電壓如圖示,R、S、T 3 燈號皆呈現半亮狀態,設若僅 T 相電源線接地,則下列敘述 何者正確?
(A) R 燈呈現半亮狀態、S 燈呈現半亮狀態、T 燈呈現熄滅狀態 (B) R 燈呈現全亮狀態、S 燈呈現全亮狀態、T 燈呈現半亮狀態 (C) R 燈呈現全亮狀態、S 燈呈現全亮狀態、T 燈呈現熄滅狀態 (D) R 燈呈現半亮狀態、S 燈呈現半亮狀態、T 燈呈現全亮狀態
16. 現場裝置有緊急停止開關以電纜接至 MCC (馬達控制中心)作馬達緊急停止操作用途, 為避免電纜斷線而影響操作,電纜線應接至緊急停止開關的: (A) A 接點(Normally open ) (B) B 接點(Normally close ) (C) 可接至 A 接點(Normally open ) 或 B 接點(Normally close ) (D) 以上皆非
17. 工廠基於節能及產線因應製程速度變動需求,帶動現場皮帶(CONVEYOR)之三相感應馬 達由變頻器驅動,三相感應馬達處在變頻電源環境下,下列敘述何者錯誤? (A) 長期運轉在低速下,馬達散熱風扇不適合由馬達軸直接傳動 (B) 三相感應馬達處在變頻電源環境下,馬達與變頻器之距離不宜過長 (C) 三相感應馬達處在變頻電源環境下,絕緣耐力要求較高 (D) 三相感應馬達由變頻器操控轉速,在相同轉矩下,馬達低速運轉時效率較高速運轉 時效率為高
18. 下列有關直流電動機的敘述何者正確? (A) 轉速特性曲線是在額定電壓下,保持負載不變,尋找輸出轉速與電樞電流的關係 (B) 轉矩特性曲線是在額定電壓下,保持負載不變,尋找輸出轉矩與電樞電流的關係 (C) 速率調整率是指電動機在額定電壓下,無載和滿載時的速率差,與無載速率之比 (D) 電壓調整率係指電動機在額定轉速下,無載和滿載的端電壓差,與滿載端電壓之比
19. 20 kV、100MVA 三相交流發電機的暫態阻抗為 0.2 p.u.(per unit),請問於計算全系統時, 若選擇 100 kV 為基準電壓與 500 MVA 為基準容量下,該暫態阻抗值應為何? (A) 0.04 p.u. (B) 0.2 p.u. (C) 0.25 p.u. (D) 0.4 p.u.
20. 兩個變壓器並聯運用,下列何者不正確? (A) 兩個單相變壓器,一為加極性,另一為減極性,其餘規格相同,可透過二次側端子 接線接法,讓兩個單相變壓器並聯運用 (B) 兩個三相變壓器一二次電壓額定相同,接法一為 Delta-Delta,另一為 Delta-Y,兩個 三相變壓器可以並聯運用 (C) 兩變壓器並聯,滿載%阻抗不同,其餘規格相同,則個別變壓器負載容量之負擔與 其滿載%阻抗大小成反比 (D) 相序相同為兩個變壓器並聯運用之必要條件之一
21. 三相感應電動機正逆轉控制電路中,其互鎖作用之主要目的為何? (A) 過載 (B) 短路 (C) 開路 (D) 逆相
22. 某直流串激馬達當其電樞電流為 5A 時產生轉矩為 15 kg-m,設無載磁化曲線為線性關 係,試求電樞電流為 10A 時所產生之轉矩為: (A) 30kg-m (B) 45kg-m (C) 60kg-m (D) 15kg-m
23. 設 A、B、C 代表三相電源端,a、b、c 代表三相感應電動機的接線端,當電動機正轉時, 接法為 A-a、B-b、C-c,試問下列何種接法仍能保持該機正轉? (A) A-b、B-a、C-c (B) A-c、B-b、C-a (C) A-a、B-c、C-b (D) A-b、B-c、C-a
24. 電力電驛(power relay)之接點不可用來直接驅動下列何者元件? (A) 電磁接觸器之線圈 (B) 指示燈 (C) 蜂鳴器 (D) 三相感應電動機
25. 某並激式直流發電機之電樞電阻為 1 Ω ,而激磁場電阻為 100 Ω ,並供電給 200V,4kW 之負載,則其電樞電壓值為: (A) 200V (B) 222V (C) 400V (D) 218V
26. 感應電動機使用 Y-∆起動法,其主要目的為何? (A) 提高起動轉矩 (B) 增加輸出功率 (C) 降低起動電流 (D) 提高運轉效率
27. 一部三相 4 極、12kVA、220V、60Hz、Y 接線之同步發電機,若忽略其電樞繞組之電阻, 在不同激磁電流 I
F
下進行測試,其所得數據如下:開路測試: I
F
= 4A 時,端電壓為 220V。短路測試: I
F
= 3A 時,電樞電流等於額定電流。則此時發電機之短路比(SCR) 約為多少? (A) 1.33 (B) 1.15 (C) 0.87 (D) 0.75
28. 使用可程式控制器(PLC)之系統,當以程式書寫器完成程式編輯進行程式下載(Down Load) 至 PLC 時,PLC 之中央處理單元(CPU)之操作模式選擇,何者為正確? (A) 運轉(RUN)模式 (B) 停止(STOP)模式 (C) 程式保護(P.PROCT)模式 (D) 以上均可
29. 可程式控制器(PLC)之系統,有關硬體卡片組裝及功能之敘述,何者不正確? (A) 電源模組有固定安裝槽位,一般位於槽位最左側 (B) CPU 模組無固定安裝槽位,但必需緊鄰電源模組 (C) 一般數位輸入及輸出卡片安裝或更換,必需先斷電 (D) 類比輸入及輸出卡片均含獨立處理單元,執行運算功能
30. 可程式控制器(PLC)之主要程式語法有階梯圖(Ladder Diagram:LD)、敘述法(Statement List:STL)、功能方塊圖(Function Block:FB)及流程圖(Sequence Flow Chart:SFC)等; 已知一輥輪噴砂系統,每執行一次噴砂作業,則必須控制輥輪轉動、運送台車前進、噴 砂室捲門關閉、噴砂機啟動、噴砂閥門開啟等,並依序完成動作程序,今以 PLC 進行自 動程序控制,則最適合採用的程式語法為何? (A) LD (B) STL (C) FB (D) SFC
31.
當 S= ” 1 ” 、 R=” 1 ”,則 Q 的狀態為何? (A) 0 (B) 不變 (C) 1 (D) 不一定
32. 如右圖 10 所示, X01 為輸入,Y01 為輸出, T5 為計時器, K200 為 20 秒,則此控制邏輯的 功能為何?
(A) 閃爍 (B) ON 延遲計時器 (C) OFF 延遲計時器 (D) 自保持
33. 使用可程式控制器(PLC)之 0-10VDC 類比輸出卡片控制變頻器,驅動一組輥輪做轉速控 制;變頻器速度指令為 0-10VDC,最大轉速設定為此輥輪馬達之同步轉速;輥輪馬達使 用三相 AC460V 60Hz 6 極交流感應馬達;PLC 類比輸出卡片最大解析值為 4000;今欲控 制輥輪馬達轉速每分鐘 900 轉輸出,則 PLC 類比輸出卡片之解析值設定為何? (A) 2000 (B) 2500 (C) 3000 (D) 3500
34. 如圖 11 所示,則下列哪一個選項的 PLC 控制迴路是正確的?
35. 有一 PLC 電路使用 2 只計時器(T1 與 T2)作時間延遲,當 T1 設定時間為 20 秒,T2 亦設定為 20 秒,則組合此 2 只計時器,其最大延遲時間為多少? (A) 400 秒 (B) 40 秒 (C) 200 秒 (D) 20 秒
36. 可程式控制器 PLC 之計數器,若計數輸入端與復歸輸入端同時閉合,則下列選項敘述何 者正確? (A) 計數器無法作動 (B) 計數器計數值加 1 (C) 計數器計數值歸零 (D) 計數器計數值減 1
37. 下列何種指令不具有旋轉位移功能? (A) ROL (B) WOR (C) ROR (D) SFTR
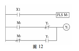
38. 如圖 12 所示 PLC 電路,當 X1 輸入信號 第一次 ON 及第二次 ON,其 Y1 第一次及 第二次的輸出狀態結果為:
(A) Y1 OFF,Y1 OFF (B) Y1 ON,Y1 ON (C) Y1 OFF,Y1 ON (D) Y1 ON,Y1 OFF
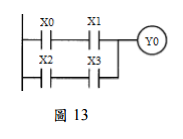
39. 如圖 13 所示,試問此電路應使用下列何種指令,來連結 X0 與 X1 之接點,或者 X2 與 X3 之接點?
(A) AND (B) ANB (C) OR (D) ORB
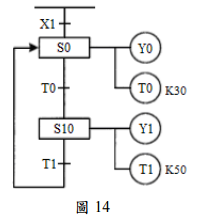
40. 如圖 14 所示,則下列哪一個選項的動作時序圖是正確的?
複選題
41. 下圖 15 所示電路中,有關各電容器在電路中之作用,下列敘述何者正確?
(A) C
B
作為交聯電容使用,將輸入信號耦合到電路 (B) C
c
作為交聯電容使用,將輸出信號耦合到負載 (C) C
E
作為旁路電容使用,在放大器工作時旁路電阻 R
E
,可以增加放大器的電壓增益
(D) C
E
對於偏壓沒有影響
複選題
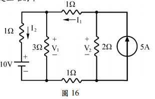
42. 如圖 16 所示電路,試問下列哪些選項敘述是正確的?
複選題
43. 有關理想運算放大器的特性,下列敘述何者正確? (A) 開迴路電壓增益無限大 (B) 輸入阻抗無限大 (C) 輸出阻抗為 10kΩ (D) 頻帶寬度 1kHz
複選題
44. 如圖 17 所示,假設 K=0.125mA/V
2
, V
th
=2V,r
d
=∞,則下列敘述哪些是正確的?
(A) 汲極電流 I
D
=2mA (B) 汲極電壓 V
D
=4V (C) 交流電壓增益 A
V
約為−3 (D) 輸出阻抗 R
o
為 4kΩ
複選題
45. 如圖 18 所示,假設 O PA 的飽和電壓為 ±11V, 則下列選項敘述哪些是正確的?
(A) 電路 Vo 輸出振盪週期為 2RC.ln(0.83)秒 (B) 電路中 a、b 兩點的波形不同,但頻率、振幅相同 (C) 電阻 R 增加時,電路 Vo 輸出振盪頻率會上升 (D) 電路 Vo 輸出波形為方波且工作週期為 50%
複選題
46. 有一具 50kVA、2400V/240V、60Hz 之單相變壓器,在額定頻率下做開路及短路試驗, 求得實驗數據如下:開路試驗:V
OC
=240V、I
OC
=5.41A、P
OC
=186W;短路試驗: V
SC
=48V、I
SC
=20.8A、P
SC
=617W,試問下列選項敘述哪些是正確的? (A) 無載功因為 0.413 (B) 磁化電流為 4.63A (C) 短路功因為 0.618 (D) 鐵損電流為 0.775A
複選題
47. 兩部並聯運轉之三相同步發電機,其下列敘述何者正確? (A) 兩部發電機的容量必須相同才可並聯運轉 (B) 兩部發電機的相序必須相同才可並聯運轉 (C) 改變激磁電流,可以改變該發電機的無效功率負擔 (D) 改變激磁電流,可以改變該發電機的電流相位
複選題
48. 下列哪些接地適用於第三種接地? (A) 內線系統接地 (B) 高壓用電設備接地 (C) PT 及 CT 二次側接地 (D) 支持低壓用電設備之金屬體接地
複選題
49. 下列有關於直流電動機轉速控制的敘述,哪些是正確的? (A) 電樞電壓控制法是利用外加的電源電壓來控制轉速,電樞端電壓越小,轉速越快 (B) 電樞電阻控制法是在電樞電路中串聯一可變電阻以調整轉速 (C) 分激式電動機的激磁場轉速控制法,是在分激磁場串聯變阻器以控制轉速 (D) 串激式電動機的激磁場轉速控制法,是在串激磁場繞組串聯變阻器以控制轉速
複選題
50. 關於變壓器之敘述,下列何者正確? (A) 兩側之電壓比與匝數成正比 (B) 兩側之電流比與匝數成反比 (C) 變壓器的銅損可由短路實驗求得 (D) 在固定的電源電壓下,鐵損會隨著負載的大小變動
複選題
51. 在工業配電線路中,常用指示燈來做為負載的動作狀況,試問紅色指示燈通常所代表的 意義為何? (A) 運轉中 (B) 異常 (C) 停止 (D) 危險
複選題
52. 有關液位控制器(61F-G)之敘述,下列何者正確? (A) S0~S1 接 220V,S0~S2接 110V (B) E1、E2、E3 為電極棒接線端 (C) E1~E2 控制水塔有效用水量 (D) E1 可控制水位之下限
複選題
53. 如圖 19 所示,下列時序圖何者正確?
複選題
54. 下列有關可程式控制器 PLC 應用之敘述,哪些是正確的? (A) 可程式控制器 PLC 並聯連接的 a 接點,宜採用 OR 指令 (B) PLC 用在電動機正反轉電路,若內部軟體已作互鎖保護,則外部可不必再作互鎖 保護 (C) 可程式控制器 PLC 之 A/D 模組,其功能是將數位信號轉換為類比信號 (D) 一般 PLC 的輸出端可直接連接電磁閥及指示燈,但不可直接連接 100W 的白熾燈, 以免接點毀損
複選題
55. 如圖 20 所示為 PLC 階梯圖程式,試問下列哪些選項的動作說明是正確的?
(A) 第一次按 PB1 後放開時,Y1 動作且保持;第二次按 PB1 後放開時,Y1 復歸 (B) 按 PB2 後放開時,Y2 動作且保持 (C) 按住 PB3 時,Y2 動作;放開 PB3 時,Y2 復歸 (D) 按住 PB4 時,Y3 動作;放開 PB4 時,Y3 復歸
複選題
56. 可程式控制器的步進階梯圖如右圖 21,X0 為輸入, Y1、Y2 為輸出,計時器 T1、T2 及 T3 之時基為 0.1 秒,下列敘述何者正確?
(A) 可隨時透過輸入開關 X0 作正常之 Y1、Y2 停止 或復歸動作 (B) X0 每次啟動可自動執行單一循環控制 (C) Y1 啟動持續時間為 5 秒 (D) Y2 啟動持續時間為 15 秒
申論題 (0)
相關試卷
111年 - 111 中國鋼鐵股份有限公司_新進人員甄試_員級_電機:1.電工及電子學 2.數位系統 3.電工機械#111764
111年 · #111764
110年 - 110 中國鋼鐵股份有限公司_新進人員甄試_員級_電機:1.電工及電子學 2.數位系統 3.電工機械#97706
110年 · #97706
108年 - 108 中國鋼鐵股份有限公司_新進人員甄試_員級_電機:1.電工及電子學 2.數位系統 3.電工機械#75957
108年 · #75957
107年 - 中國鋼鐵股份有限公司 107 年新進人員甄試員級-1.電工及電子學 2.數位系統 3.電工機械#75012
107年 · #75012
106年 - 106年中鋼新進人員員級-1.電工及電子學 2.數位系統 3.電工機械#60092
106年 · #60092
104年 - 104 中國鋼鐵股份有限公司_新進人員甄試_員級_電機:電工及電子學、數位系統、電工機械#23198
104年 · #23198