所屬科目:1.電工及電子學;2.數位系統;3.電工機械
2.一邏輯閘之真值表如圖一所示,該邏輯閘之種類為? (A) AND(B) OR (C) NOR (D)XOR
3.一電路如圖二所示,試求出 B-C 端點的戴維寧等效電壓()及戴維寧等效電阻()? (A)=2.43 V;=2.5 kΩ(B) =5.88 V;=2.5 kΩ (C) =2.43 V;=3.29 kΩ (D)=5.88 V;=3.29 kΩ
7.一 BJT 電路如圖三所示,試求出基極電流? (A) 4.34μA(B) 43.4μA (C) 434μA (D)4.34mA
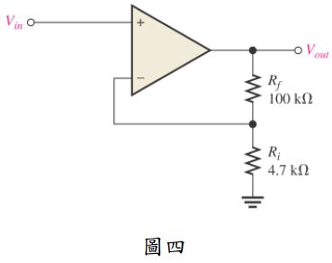
8.一放大器電路如圖四所示,則其閉迴路增益(Closed-loop voltage gain)為? (A) 21.3(B) 22.3 (C) 23.3 (D)24.3
9.一 BJT 放大器電路如圖五所示,當一 50mV rms 小訊號電壓施加於基極,則輸出端的小訊號 電壓為? (A) 5mV rms(B) 50mV rms (C) 500mV rms (D)5000mV rms
11.一邏輯閘電路如圖六所示,該邏輯閘電路為? (A) AND(B) OR (C) NOT (D)NOR
12.一二極體-電晶體邏輯電路如圖七所示,該電路為何種邏輯閘? (A) AND(B) OR (C) NAND (D)NOR
27.一 MOSFET 電路如圖八所示,以下敘述何者為是? (A) Q1 為 N-MOSFET 且 Q2 為 P-MOSFET(B)該電路為一差動放大器電路 (C) Q1 及 Q2 可 同時操作於飽和區 (D)該電路為一反相器
28.一 JFET 電路如圖九所示,以下敘述何者為是? (A)該電路為共源極放大電路(B)該電路為共汲極放大電路 (C)該電路之電壓增益大於 1 (D)該電路之電壓增益小於 1