所屬科目:1.電工及電子學;2.數位系統;3.電工機械
5.如【圖 5】所示,若要利用三用電表測量 I2 電流,下列敘述何者正確?
(A) ab 開路,紅棒接 a,黑棒接 b (B) ab 短路,紅棒接 a,黑棒接 b (C) de 開路,紅棒接 a,黑棒接 c (D) bc 開路,紅棒接 b,黑棒接 c
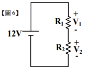
6.如【圖 6】所示,若 R1 的電阻值為 R2的 3 倍,請問 R2 電阻上的電壓為多少伏特? (A) 2V (B) 3V (C) 9V (D) 12V
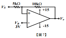
7.如【圖 7】所示之施密特觸發器,上臨界電壓為 VUT、下臨界電壓為 VLT、遲滯電壓為 VH,請問 VUT + VLT + VH為何? (A) 0 (B) 12 (C) 24 (D) 30
8.如【圖 8】所示,下列敘述何者錯誤?
(A)負載 RL短路時,20kΩ電阻所耗的功率為 20mW (B) RL=20kΩ時,Vo=15V (C) RL=20kΩ時,10kΩ電阻消耗功率為 22.5mW (D)無載時(即無 RL ),Vo=20V
9.如【圖 9】電路,30Ω電阻所消耗的功率為何?
(A) 75W (B) 144W (C) 480W (D) 1,080W
12.如【圖 12】的齊納(Zener)二極體電路:在 Iz=5mA 時,Vz=6.1V,rz=20Ω,且 Izk=0.2mA,負載 電阻 RL=0.25kΩ。請問此時 Vo 值為何? (A) 1.25V (B) 2V (C) 6V (D) 6.1V
13.如【圖 13】R1=R2=4 歐姆(Ω),燈泡 RL=2 歐姆,請問燈泡兩端電壓 VL及流過燈泡的電流 IL分 別為何? (A) 4V 2A (B) 2V 2A (C) 2V 1A (D) 4V 1A
14.如【圖 14】R1 =3 歐姆,R3=R4=2 歐姆,R2 =4 歐姆,A1 為理想電流表(內阻 0 歐姆),請問 A1 讀值(多少安培 A),VL(單位 V)? (A) 2A 2.5V (B) 2A 2V (C) 1.25A 2.5V (D) 1.25A 2V
15.【圖 15】電源是 500VDC 供應兩台直流馬達,分流器是電流量測,分流器 1 之 VT ±100mV 等於 ±500A, 分流器 2 之 V1 ±100mV 等於±200A,現 VT=V1=+50mV,請問 I2 為何? (A) 100A (B) 150A (C) 200A (D) 300A
16.如【圖 16】,秤重機安裝四個相同的荷重元,量測重量 0-10 噸,輸出電流 0-10mA(I1~I4) RL=250 歐姆,有一待測物體 VL量測到 5V,請問物體重量為何? (A) 20 噸 (B) 25 噸 (C) 30 噸 (D) 40 噸
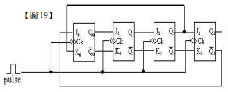
19.【圖 19】之電路,為幾模強森計數器(MOD N)?
(A) 5 (B) 6 (C) 7 (D) 8
21.若 PLC 中已存在【表 21】中程式,請問當按下 6 次 X0,則 Y0~Y17 中哪些會動作?
(A) Y0、Y2 (B) Y2、Y3 (C) Y0、Y1、Y2、Y3、Y4、Y5 (D) Y0、Y1、Y2、Y3、Y4、Y5、Y6
22.如【圖 22-1】邏輯電路,則【圖 22-2】何者為其等效電路圖? (A) a (B) b (C) c (D) d
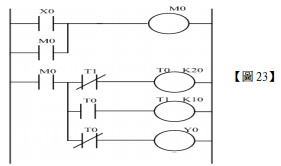
23.如【圖 23】中,按下 X0 啟動按鈕後,負載燈號 Y0 動作為何?
(A) Y0 恆亮 (B) Y0 亮 1 秒後即熄滅 (C) Y0 亮 1 秒後熄 2 秒反覆閃爍 (D) Y0 亮 2 秒後熄 1 秒反覆閃爍
24. RS 正反器狀態特性表如【圖 24】所示,則圖中 A、B、C、D 何者為其激勵表? (A) A (B) B (C) C (D) D
25.【圖 25】為時控 D 型正反器,下列敘述何者正確? (A) D 型正反器,是為了實現 SR 正反器中,S 與 R 控制輸入訊號可以同時為 1 的設計 (B)時脈訊號 CLK 為一個週期性方波,其高態與低態準位持續的時間必須相等 (C)當時脈 CLK=0 時,表示資料不致能,輸出 Q 的次態為不確定狀態 (D)當時脈 CLK=1 時,表示資料致能,輸出 Q 的次態與輸入 D 相同
27.【圖 27】為兩組抽水 Pump 的控制程式,X1 即 X2 分別為 Pump1 即 Pump2 的啟動開關,T1 及 T2 為 20 秒延遲計時器,Y1 及 Y2 分別為 Pump1 及 Pump2 的運轉輸出訊號。則下列敘述何者正確?
(A)此兩 Pump 可以同時運轉 (B) Pump2 運轉 20 秒後會自動啟動 Pump1 (C) Pump1 運轉中,按壓 Pump2 啟動開關(X2),無法中止 Pump1 運轉 (D)連續按壓啟動開關(X1)兩次,Pump1 會持續運轉 40 秒
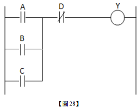
28.【圖 28】PLC 程控,若轉為布林函數表示,則 Y 輸出等於?
(A) (B) (C) (D)
45.如【圖 45】所示 R=3Ω,則下列何者正確?
(A) VBA = -20V (B) VBC = 70V (C) VCA = -50V (D) VN = 0V
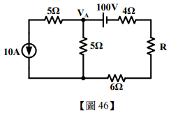
46.如【圖 46】所示,下列敘述何者正確?
(A)當負載電阻 R 為 12.5Ω 時,可獲得最大功率 (B)當負載電阻 R 為 15Ω 時,可獲得最大功率 (C)負載電阻 R 可獲得最大功率為 450W (D)負載電阻 R 可獲得最大功率為 375W
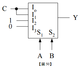
50.如【圖 50】所示為 4×1 多工器,欲使輸出 Y = 1,則輸入 ABC 可能為何? (A) 001 (B) 111 (C) 100 (D) 010