所屬科目:1.電工及電子學;2.數位系統;3.電工機械
8. 當輸入正弦電壓 Vi的振幅大於 5 V 時,下列何者的 Vo 將 如圖 1 所示? (A) (B) (C) (D)
11.一運算放大器的實驗電路如圖 2 所示,設 Vin = 2 V,則輸出 Vo 為何? (A) -20 V (B) +20 V (C) -15 V (D) +15 V
12.圖 3 為那一種電路? (A)對數電路 (B)指數電路 (C)乘法電路 (D)除法電路
13.圖 4 所示為一 (A)低通濾波器 (B)高通濾波器 (C)帶通濾波器 (D)帶拒濾波器
15.圖 5 為順序控制電路圖,其中 P1 與 P2 為配備常開式接點(N.O)的按鈕,1TD 為延遲 5 秒導通的計時繼電器,2TD 為延遲 10 秒導通的計時繼電器,M1 ~ M3 則為一般繼電器。 當操作員按下 P1 按鈕後,請問下面描述何者有誤: (A)繼電器 M2 連續被激磁的時間可達 10 秒 (B)繼電器 M1 線圈被激磁後,按下 P2 按鈕可中斷 M1 激磁 (C)約 10 秒後繼電器 M3 線圈會被激磁 (D)繼電器 M3 被激磁後會中斷 M2 激磁狀態
17.如圖 6 所示,則輸出的布林函數 Q 為: (A)A+B (B)A.B (C)A⊕B (D)A⊙B
18.圖 7 之等效 PLC 程式為:(A) (B) (C) (D)
19.圖 8 為軋鋼廠鋼捲傳送設備馬達運轉連鎖信號之卡諾圖,求其交換函數為: (A) A’BC’+B’C+AB’D+ACD’ (B) A’B’C’+A’BC+AC’D’+ABD (C) A’(B’C’+BC)+AB’D+ACD’ (D) AB’C’D+A’BC+B’C
24.如圖 9 所示,若欲產生最大輸出功率,則負載 RL應當為多少? (A) 3Ω (B) 6Ω (C) 9Ω (D) 15Ω
31.圖 10 為一橋式整流電路,假設二極體均為理想二極體, 當輸入交流電壓 Vin(t)時,下列有關二極體工作狀態的 敘述,何者正確? (A) Vin(t) > 0 時,D1、D3 導通,D2、D4 不導通 (B) Vin(t) > 0 時,D1、D4 導通,D2、D3 不導通 (C) Vin(t) < 0 時,D2、D4 導通,D1、D3 不導通 (D) Vin(t) < 0 時,D2、D3 導通,D1、D4 不導通
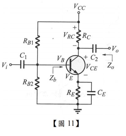
33.圖 11 為一電晶體放大電路,下列有關此電路的敘述 ,何者正確? (A) 此電路為共射集放大電路 (B) CE 為旁路電容,可提高小訊號電壓增益 (C) C1 為耦合電容,可用來阻隔 Vi 的直流電壓 (D) 此放大器的偏壓電路為固定偏壓法, 其偏壓穩定性不佳
3. 圖 12 為一韋恩電橋振盪器,若 R1 = R2 = R,C1 = C2 = C,則振盪頻率 f0 = ________ Hz。
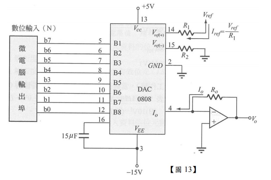
4. 圖 13 為一 8 位元 D/A 轉換器的電路圖,類比輸出電壓 Vo = Io✖Ro = (N/256✖Iref✖Ro,其 中 N 為數位輸入碼的數值,Iref = Vref/R1。若 Vref = 10 V,R1 = R2 = 5 kΩ,Ro = 5 kΩ,當 數位輸入 b7 為 1, b6~b0 皆為 0 時,則輸出電壓 Vo = ________ V。
6. 利用卡諾圖將化為最簡後 (如圖 14),Y=_______
7. 如圖 15 為軋鋼廠轉動設備潤滑油脂系統節錄出之部份程式,Y1 的運轉條件之接點代號 為 ________ (需全部列出)。
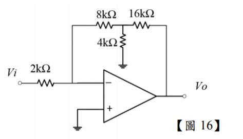
8. 如圖 16 所示之理想放大器電路,請問該電路之閉迴路電壓增異 AV=Vo/Vi= ________ 。
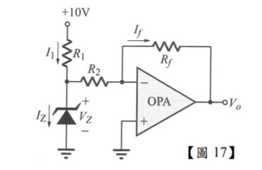
3. 如圖 17 所示之電路,假設運算放大器為理想 OPA,若 VZ = 6 V,R1 = 2 kΩ,R2 = 4 kΩ, Rf = 2 kΩ,試求流過稽納二極體的電流 IZ 為何?