阿摩線上測驗
登入
首頁
>
電子學
> 104年 - 104 公務升官等考試_薦任_電力工程、電子工程、電信工程:電子學#41259
104年 - 104 公務升官等考試_薦任_電力工程、電子工程、電信工程:電子學#41259
科目:
電子學 |
年份:
104年 |
選擇題數:
0 |
申論題數:
7
試卷資訊
所屬科目:
電子學
選擇題 (0)
申論題 (7)
【已刪除】一、如圖所示電路與輸入波形,其中 R
1
= R
2
= R
3
= 1 kΩ ;已知齊納二極體(Zener diode) 的崩潰電壓V
Z
= 6 V 以及導通電壓為 0.7 V ,請畫出其輸出波形 v
o
。(按:請清楚作圖 並標示轉折處位置數值。) (20 分)
【已刪除】二、如 圖 所 示 的 電 路 , 其 中 所 有 電 晶 體 β = 50 和 V
BE
(ON)
= 0.7 V , 以 及 V
EE
= 5 V 、 R
B
= 102 kΩ、R
E1
= 2.3 kΩ、R
C1
= 2.04 kΩ、R
C 2
= 1.275 kΩ 和 R
E 2
= 0.61 kΩ,試求V
1
、 V
2
、V
3
、V
4
及V
5
。(20 分)
【已刪除】三、依據下圖之真值表 (Truth table) 請求其輸出 f ( A, B, C ) 的布林函數 , (Boolean function) 表示式。在 CMOS 半導體製程中,請用電晶體 PMOS 和 NMOS 來設計此電路。 (20 分)
⑴此回授電路之等效電路可以用圖(b)電路模型表示,求出電路參數: G
mf
、 R
if
和 R
of
。(12 分)
⑵求出此電路的輸入電阻 R
in
和輸出電阻 R
out
。 (4分)
⑶當 G
m
很大時( G
m
≈ ∞ ) G
mf
為何?(4 分)
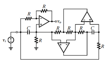
【已刪除】五、假設運算放大器(Operational amplifier)為理想電路,請求出轉換函式 H (s) = v
o
/ v
i
(以 R 和 C 表示)(14 分)從轉換函式的特性,請說明此電路為何種性質的濾波器。 。 (6 分)