阿摩線上測驗
登入
首頁
>
電子學
> 104年 - 104 專技高考_專利師(選試專業英文及電子學)、專利師(選試專業日文及電子學):電子學#42076
104年 - 104 專技高考_專利師(選試專業英文及電子學)、專利師(選試專業日文及電子學):電子學#42076
科目:
電子學 |
年份:
104年 |
選擇題數:
0 |
申論題數:
6
試卷資訊
所屬科目:
電子學
選擇題 (0)
申論題 (6)
【已刪除】一、圖一電路均為理想二極體,在 − 5 V ≤ v
s
≤ 5 V 之區間,畫出 v
o
與 v
s
之轉換特性曲 線。必須標示各線段之斜率與轉折點,並說明理由。(20 分)
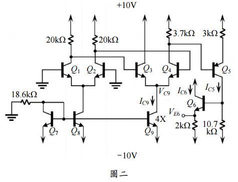
【已刪除】二、圖二積體電路放大器中,所有電晶體導通時│ V
BE
│ = 0.7 V ,直流增益 β = 100 >> 1 , 導通時忽略基極電流。各成對之差動電晶體完全匹配, Q
9
之基極與射極接面之面積 為 Q
7
之 4 倍,計算 I
C 5
、 I
C 6
、 I
C 9
、V
C 9
與V
E 6
。(20 分)
⑴圖三(a)電晶體小信號參數為 g
m
與 r
o
,推導 R
out
以 g
m
、 r
o
與 R
s
之表示式。
⑵圖三(b)之 v
i
為輸入小信號,NMOS 小信號參數: g
mn
= 10 mA/V , r
on
= 4 kΩ ; PMOS 小信號參數: g
mp
= 2 mA/V , r
op
= 6 kΩ 。利用⑴之結果,計算輸出電阻 R
o
。
【已刪除】四、圖四(a)運算放大器之迴轉率(或延遲率,slew rate)為 12 V/μs,其他特性均為理 想。若輸入信號V
s
(t ) 為理想方波如圖四(b),T >> 50 ns,畫出穩態時之V
o
(t ) 波形, 須標示波形之轉折點以及線段之斜率。(20 分)
五、兩整數 A、B 分別以連續兩個二進位元 A
1
A
2
與 B
1
B
2
表示。A 與 B 之數值可能為 -1、0、+1,分別以 11、00、01 表示;整數 Y 之數值為 A、B 和之絕對值: Y = │A + B│ , 並 以 標 準 二 進 位 制 Y
1
Y
2
表 示 , Y
1
、 Y
2
為 二 進 位 元 。 以 卡 諾 圖 (Karnaugh Map)分析,並求出 Y
1
、Y
2
以 A
1
、A
2
、B
1
、B
2
之布林函數式。(20 分)
相關試卷
114年 - 114 地方政府公務特種考試_三等_電力工程、電子工程、電信工程:電子學#134800
114年 · #134800
114年 - 114 地方政府公務特種考試_四等_電力工程、電子工程、電信工程:電子學概要#134742
114年 · #134742
114年 - 114 專技高考_電子工程技師:電子學#133712
114年 · #133712
114年 - 114 公務升官等考試_薦任_電力工程、電子工程、電信工程:電子學#133247
114年 · #133247
114年 - 114 原住民族特種考試_四等_電子工程:電子學概要#130947
114年 · #130947
114年 - 114 專技高考_專利師(選試專業英文及電子學)、專利師(選試專業日文及電子學):電子學#130110
114年 · #130110
114年 - 114 普通考試_電力工程、電子工程、電信工程:電子學概要#128790
114年 · #128790
114年 - 114 高等考試_三級_電力工程、電子工程、電信工程:電子學#128768
114年 · #128768
113年 - 113-2 國營臺灣鐵路股份有限公司_從業人員甄試試題_第10階-助理技術員-電務 第10階-助理技術員-電力:電子學概要#137201
113年 · #137201
113年 - 113 臺灣菸酒股份有限公司_從業職員及從業評價職位人員甄試試題_從業職員_電子電機:電子學#133997
113年 · #133997