所屬科目:國營事業◆1.電路學 2.電磁學
(二)求t > 0時s域電路的Vo(s)=?
(一)
(二)
(三)
(四)
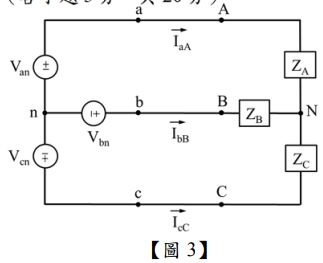
三、如【圖3】所示電路,三線Y-Y連接電路的相電壓分別為Van = 110∠0∘Vrms、Vbn = 110 ∠-120∘Vrms、Vcn = 110∠120∘Vrms,負載阻抗分別為 ZA = 3+j4 Ω、ZB = j5 Ω、ZC = 4+j3 Ω。求釋放到三相負載的各別複功率SA、SB、SC各為多少kVA?(計算至小數點後第 1位,以下四捨五入)(每一答案各5分,共15分)
四、3 個點電荷如【圖 4】所示,Q1 及KQ1 固定不動,Q2 被限制在半圓軌跡(圓心O)上移動,試求 Q2平衡時之角度α=?(以k表示)(15分)
(一)以直線為圓心O,半徑r=ro之圓上的電場=?(須含大小及方向之單位向量為 )(5 分)
(二)移動單位正電荷從r=ro至r =r1所需做之功W=?(10分)
(一)空間中任一位置之磁場強度H (r) =?(10分)