題組內容
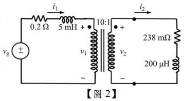
二、如【圖 2】所示,在理想變壓器二次繞組連接一負載阻抗,負載阻抗為一個 238 mΩ的電 阻器串聯一個200 μH的電感器。如果弦波電壓源vg的電壓為2600cos400t V,求下列信號的穩態式子:(計算至小數點後第1位,以下四捨五入)(各小題5分,共20分)
(一)
二、如【圖 2】所示,在理想變壓器二次繞組連接一負載阻抗,負載阻抗為一個 238 mΩ的電 阻器串聯一個200 μH的電感器。如果弦波電壓源vg的電壓為2600cos400t V,求下列信號的穩態式子:(計算至小數點後第1位,以下四捨五入)(各小題5分,共20分)
(一)