阿摩線上測驗
登入
首頁
>
電子學
> 104年 - 104 身心障礙特種考試_三等_電力工程:電子學#42823
104年 - 104 身心障礙特種考試_三等_電力工程:電子學#42823
科目:
電子學 |
年份:
104年 |
選擇題數:
0 |
申論題數:
7
試卷資訊
所屬科目:
電子學
選擇題 (0)
申論題 (7)
【已刪除】一、圖一表示二個CMOS 電路,所有電晶體(Q
1
、Q
2
)尺寸都相同(W/L = 4、
μn
C
ox
= 0.5 mA/V
2
、 門檻電壓:V
t
= 1 V),忽略輸出電阻 ro。為了確保每個電晶體工作在飽和區,試求 直流工作電壓:⑴圖一(a)中的 V
1
及 V
2
。(8 分)⑵圖一(b)中的 V
3
、V
4
及 V
5
。 (12 分)
⑴標示在圖二(a)中的電壓 V
1
及電流 I
1
。(10 分)
⑵圖二(b)中的電壓 V
2
及電流 I
2
。(10 分)
⑴每個節點所看到等效電阻(如圖三中箭頭方向) R
1
, R
2
, R
3
, R
4
。(8 分)⑵流入每個節點電流(如圖三中箭頭方向)I
1
, I
2
, I
3
, I
4
。(8 分)
⑶每個節點電壓 V
1
, V
2
, V
3
, V
4
。(8 分)(上述答案請以 R 及 I 表示)
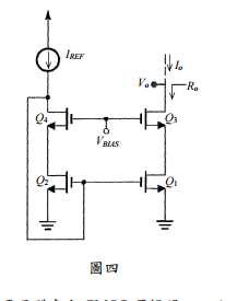
【已刪除】四、圖四表示一個 CMOS 電流鏡電路。所有電晶體(Q
1
~Q
4
)尺寸都相同(W/L = 25、
μn
C
ox
= 2 mA/V
2
、門檻電壓:V
t
= 0.5 V、歐力電壓 Early Voltage:V
A
= 20 V)。參 考電流 I
REF
= 1 mA。為了確保每個電晶體工作在飽和區,試求:⑴ Q
3
及 Q
4
電晶體 的閘極偏壓 V
BIAS
。(6 分)⑵最小的輸出電壓 V
oMIN
。(6 分)⑶在 V
oMIN
工作時的 輸出電阻 R
o
。(8 分)
【已刪除】五、請用 P 型及 N 型 MOS 電晶體畫出 CMOS 邏輯閘:以 A、B、C 及 D 為輸入,輸出 為 Y 的電晶體電路,其布林函數為:
。(16 分)
相關試卷
115年 - 115-1 臺北市立大安高工教師甄選試題_電子/控制科:電子學#138452
115年 · #138452
115年 - 115 國營臺灣鐵路股份有限公司從業人員_甄試試題_第10階-助理技術員-電力、電務:電子學概要#138261
115年 · #138261
114年 - 114 地方政府公務特種考試_三等_電力工程、電子工程、電信工程:電子學#134800
114年 · #134800
114年 - 114 地方政府公務特種考試_四等_電力工程、電子工程、電信工程:電子學概要#134742
114年 · #134742
114年 - 114 專技高考_電子工程技師:電子學#133712
114年 · #133712
114年 - 114 公務升官等考試_薦任_電力工程、電子工程、電信工程:電子學#133247
114年 · #133247
114年 - 114 原住民族特種考試_四等_電子工程:電子學概要#130947
114年 · #130947
114年 - 114 專技高考_專利師(選試專業英文及電子學)、專利師(選試專業日文及電子學):電子學#130110
114年 · #130110
114年 - 114 普通考試_電力工程、電子工程、電信工程:電子學概要#128790
114年 · #128790
114年 - 114 高等考試_三級_電力工程、電子工程、電信工程:電子學#128768
114年 · #128768