阿摩線上測驗
登入
首頁
>
電子學
> 104年 - 104 身心障礙特種考試_四等_電力工程、電子工程:電子學概要#46021
104年 - 104 身心障礙特種考試_四等_電力工程、電子工程:電子學概要#46021
科目:
電子學 |
年份:
104年 |
選擇題數:
0 |
申論題數:
9
試卷資訊
所屬科目:
電子學
選擇題 (0)
申論題 (9)
⑴ Z = 1 MΩ 電阻。(10 分)
⑵ Z = 1 pF 電容, 操作頻率 ω = 10
4
rad/sec。(10 分)
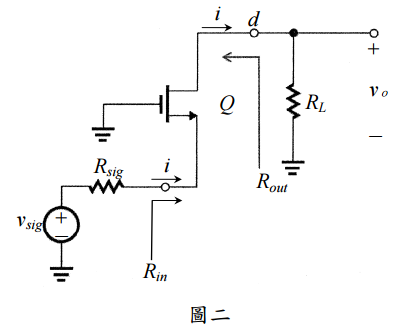
二、圖二表示一個共閘極放大器,訊號源電阻 R
sig
,負載電阻 R
L
,MOS 的轉導為 g
m
,輸 出電阻為 r
o
。試求小訊號等效的輸出入電阻 R
in
、R
out
,及電壓增益 v
o
/v
sig
。(20 分)
⑴其差模增益 A
d
。(8 分)
(2)共模增益 A
cm
。(8 分)
(3)共模拒絕比 CMRR。(8 分)
(1)圖四(a)以 A、B、C、D 為輸入, w、x、y 及 z 為輸出的布林函數。(10 分)
(2)圖四(b)以 A、B、C 為輸入,x 及 y 為 輸出的布林函數。(10 分)
五、一個單極點放大器其增益 A 為 3×10
3
在 100 kHz 及 9×10
3
在 10 kHz。試求轉折頻率 f
3dB
及單位增益頻率 f
t
。(16 分)
相關試卷
115年 - 115-1 臺北市立大安高工教師甄選試題_電子/控制科:電子學#138452
115年 · #138452
115年 - 115 國營臺灣鐵路股份有限公司從業人員_甄試試題_第10階-助理技術員-電力、電務:電子學概要#138261
115年 · #138261
114年 - 114 地方政府公務特種考試_三等_電力工程、電子工程、電信工程:電子學#134800
114年 · #134800
114年 - 114 地方政府公務特種考試_四等_電力工程、電子工程、電信工程:電子學概要#134742
114年 · #134742
114年 - 114 專技高考_電子工程技師:電子學#133712
114年 · #133712
114年 - 114 公務升官等考試_薦任_電力工程、電子工程、電信工程:電子學#133247
114年 · #133247
114年 - 114 原住民族特種考試_四等_電子工程:電子學概要#130947
114年 · #130947
114年 - 114 專技高考_專利師(選試專業英文及電子學)、專利師(選試專業日文及電子學):電子學#130110
114年 · #130110
114年 - 114 普通考試_電力工程、電子工程、電信工程:電子學概要#128790
114年 · #128790
114年 - 114 高等考試_三級_電力工程、電子工程、電信工程:電子學#128768
114年 · #128768