阿摩線上測驗
登入
首頁
>
電子學
> 104年 - 104 鐵路特種考試_高員三級_電力工程、電子工程:電子學(重複)#43182
104年 - 104 鐵路特種考試_高員三級_電力工程、電子工程:電子學(重複)#43182
科目:
電子學 |
年份:
104年 |
選擇題數:
0 |
申論題數:
5
試卷資訊
所屬科目:
電子學
選擇題 (0)
申論題 (5)
【已刪除】一、對於 n 通道增強型 MOSFET 元件符號如圖一所示,其基底(substrate)相對源極常 加上某偏壓 V
BS
,已知 V
BS
= 0 V 時,電晶體之 V
to
= 1 V;當加上|V
BS
| = 2.25 V 時, V
t
變為 1.75 V。試問: (1) V
BS
之正負號應為何?(4 分) (2)加上 V
BS
會引起何種效應?(6 分) (3)當加上|V
BS
| = 1.44 V 時,V
t
=?(10 分)
【已刪除】二、圖二為理想 OP 放大器電路,請求出: (1)流入 Y 處之電流信號大小相對輸入信號電壓比值 i
Y
/v
I
=?(10 分) (2)A
v
= v
O
/v
I
=?(10 分)
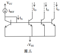
【已刪除】三、圖三電流鏡電路中所有電晶體特性均相同,均具有
β
= 80,忽略電晶體之輸出電阻, 已知 I
REF
= 10 mA,請求出: VCC (1) I
x
=?(10 分) (2)I
o
=?(10 分)
【已刪除】四、圖四中 NMOS 電晶體之 Vt = 1 V,μ
n
●C
ox
= 15 μA/V
2
,W = 50 μm,L = 5 μm,忽略通 道調變效應(λ= 0),已知電路中 I
D
= 0.3 mA,試問: 15 V (1) 電晶體操作於何種工作區?(10 分) (2)R =?(10 分)
【已刪除】五、圖五電路輸出 v
O
為週期性振盪之方波,OP 為理想運算放大器,其最大飽和電壓為 ± 15 V。 (1) 請繪出 v
X
(t)波形圖?(10 分) (2)請求出輸出 v
O
(t)之振盪頻率為多少 Hz?(10 分)
相關試卷
115年 - 115-1 臺北市立大安高工教師甄選試題_電子/控制科:電子學#138452
115年 · #138452
115年 - 115 國營臺灣鐵路股份有限公司從業人員_甄試試題_第10階-助理技術員-電力、電務:電子學概要#138261
115年 · #138261
114年 - 114 地方政府公務特種考試_三等_電力工程、電子工程、電信工程:電子學#134800
114年 · #134800
114年 - 114 地方政府公務特種考試_四等_電力工程、電子工程、電信工程:電子學概要#134742
114年 · #134742
114年 - 114 專技高考_電子工程技師:電子學#133712
114年 · #133712
114年 - 114 公務升官等考試_薦任_電力工程、電子工程、電信工程:電子學#133247
114年 · #133247
114年 - 114 原住民族特種考試_四等_電子工程:電子學概要#130947
114年 · #130947
114年 - 114 專技高考_專利師(選試專業英文及電子學)、專利師(選試專業日文及電子學):電子學#130110
114年 · #130110
114年 - 114 普通考試_電力工程、電子工程、電信工程:電子學概要#128790
114年 · #128790
114年 - 114 高等考試_三級_電力工程、電子工程、電信工程:電子學#128768
114年 · #128768