所屬科目:電子學
6.如【圖 6】所示之二極體電路 VD = 0.6 V,求 Vo為多少? (A) 2.2 V (B) 2.4 V (C) 2.5 V (D) 3 V
7.如【圖 7】所示之電路,二極體為理想二極體,求 I 為多少? (A) 2.5 mA (B) 3.33 mA(C)4.0mA(D)5.83 mA
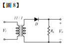
8.如【圖 8】所示之整流電路,輸入電壓 110 V/60 Hz,電阻兩端輸出漣波電壓有效值約為多少? (A) 3.08 V (B) 3.85 V (C) 4.36 V (D) 5.44 V
9.如【圖 9】所示之穩壓電路,稽納二極體最大工作電流為 15 mA,在電路正常工作的條件下,求輸入電壓的範 圍為多少? (A)10 V~25 V (B) 10 V~30 V (C) 15 V~25 V (D) 15 V~30 V
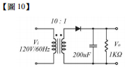
10.如【圖 10】所示之濾波電路,求輸出漣波因數約為多少? (A) 1.2% (B) 2.4% (C) 3.6% (D) 4.8%
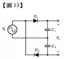
13.如【圖 13】所示之倍壓電路,輸入電壓 Vs = 10sin(200πt)V,當 t = 4 mS 時,求 Vo兩端輸出電壓為何? (A) 10 V (B) 15 V (C) 17.07 V (D) 20 V
14.如【圖 14】所示之截波電路,已知稽納二極體非理想且崩潰電壓 ZD1 = 6V、ZD2 = 4V,若輸入電壓 Vi = 10sin(ωt)V, 則輸出電壓 Vo上下限為何? (A) 3.3 V ~ −5.3 V (B) 3.3 V ~ −6.7 V (C) 4.7 V ~ −5.3 V (D) 4.7 V ~ −6.7 V
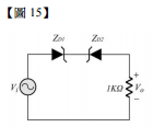
15.如【圖 15】所示之截波電路,稽納二極體為理想,崩潰電壓 ZD1 = 8 V、ZD2 = 5 V,若輸入電壓 Vi = 12sin(ωt)V, 則輸出電壓 Vo上下限為何? (A) 8 V ~ −5 V (B) 7 V ~ −4 V (C) 5 V ~ −8 V (D) 4 V ~ −7 V
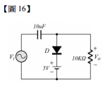
16.如【圖 16】之箝位電路,若輸入電壓 Vi為 2.5 V 峰值,頻率為 1 KHz 之方波,則輸出電壓 Vo上下限為何? (A) −2.5 V ~ 2.5 V (B) 0 V ~ 5 V (C) 2.5 V ~ 5 V (D) 2.5 V ~ 7.5 V
19.如【圖 19】所示之電晶體電路,求 VE 電壓約為多少? (A) 2.01 V (B) 2.96 V (C) 3.44 V (D) 4.7 V
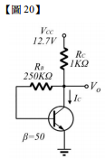
20.如【圖 20】所示之電晶體電路,求 I C電流約為多少? (A) 1.6 mA (B) 2 mA (C) 2.4 mA (D) 3 mA
21.如【圖 21】所示之電晶體電路,下列敘述何者錯誤? (A)電路為集極回授式偏壓電路 (B)電路回授形式為電壓並聯負回授 (C)電路透過負回授能提高電路的穩定度 (D)電路透過負回授能提高電路的輸入阻抗
22.如【圖 22】所示之電晶體電路,求電流增益 Ai 約為多少? (A) 60 (B) 75 (C) 120 (D) 150
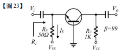
23.如【圖 23】所示之電晶體電路,已知 I E = 1 mA, 求輸入阻抗 Ri 約為多少? (A) 12.5 Ω (B) 16.7 Ω (C) 25 Ω (D) 50 Ω
24.如【圖 24】所示之疊接電路,求電壓增益 Av 約為多少? (A) −75 (B) 75 (C) −150 (D) 150
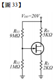
33.如【圖 33】所示之電晶體電路,已知 Vp = −4V、IDSS = 8 mA,求 ID 電流為多少?(A) 0.5 mA (B) 1 mA (C) 2 mA (D) 4 mA
34.如【圖 34】所示之電晶體電路,已知 VT = 3 V、K = 0.5 mA/V2,求gm 為多少?(A) 0.5 mS (B) 1 mS (C) 1.5 mS (D) 2 mS
35.如【圖 35】所示之電晶體電路,求 Vo 為多少?(A) 4 V (B) 4.5 V (C) 5 V (D) 6 V
36.如【圖 36】所示之電晶體電路,求電壓增益 Av 約為多少?(A) −1.6 (B) −2.4 (C) −4.8 (D) −8
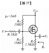
37.如【圖 37】所示之電晶體電路,求輸出阻抗 Ro 約為多少? (A) 600 Ω (B) 750 Ω (C) 1 KΩ (D) 1.5 KΩ
39.下列條件何者符合巴克豪生準則? (A) (B) (C) (D)
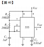
40.如【圖 40】所示之振盪電路,求輸出週期 To約為多少? (A) 21 mS (B) 28 mS (C) 35 mS (D) 42 mS
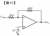
41.如【圖 41】所示之 OPA 電路,已知 Vs = 2 V,求輸出電壓 Vo為多少? (A) -4 V (B) -8V (C) -12 V (D) -13 V
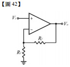
42.如【圖 42】所示之運算放大器電路,為何種形式之負回授? (A)電壓串聯負回授 (B)電壓並聯負回授 (C)電流串聯負回授 (D)電流並聯負回授
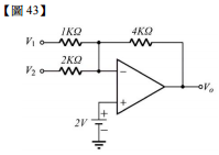
43.如【圖 43】所示之運算放大器電路,已知 V1 = 3 V、V2 = −2 V,求輸出電壓 Vo為多少? (A) 4 V (B) 6 V (C) 8 V (D) 10 V
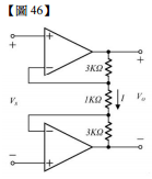
44.如【圖 44】所示之運算放大器電路,求電壓增益 Vo / Vi 為多少? (A) −5 (B) −7 (C) −10 (D) −13
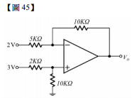
45.如【圖 45】所示之 OPA 電路,求輸出電壓 Vo為多少? (A) 2 V (B) 3.5 V (C) 4 V (D) 5 V
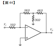
46.如【圖 46】所示之 OPA 電路,求電壓增益 Vo / Vs 為多少? (A) 3 (B) 4 (C) 6 (D) 7
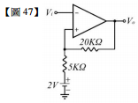
47.如【圖 47】所示之運算放大器電路,若運算放大器的飽和電壓為±12 V,求上臨界電壓 VUT及下臨界電壓 VLT? (A) VUT = 2.4 V、VLT = −2.4 V (B) VUT = 3 V、VLT = −1.8 V (C) VUT = 4 V、VLT = −0.8 V (D) VUT = 4.4 V、VLT = −0.4 V
48.如【圖 48】所示之 RC 相移振盪電路,求振盪頻率 fo為何? (A) (B) (C) (D)
49.如【圖 49】所示之韋恩振盪電路,下列敘述何者錯誤? (A)回授量 (B)電壓增益 (C)振盪頻率 (D)振盪電路輸出為弦波形式
50.如【圖 50】所示之振盪電路,為何種形式振盪器? (A)哈特萊振盪器 (B)考畢子振盪器 (C)韋恩振盪器 (D)無穩態多諧振盪器