所屬科目:技檢◆工業配線-甲級
1. 左圖符號表示 (A) 自動電壓調整器 (B) 積算型無效電力計 (C) 過電流電驛 (D) 無效電力計。 (VARH)
2. 電流切換開關 (AS) 切換時,未經過電流表之各相電流電路,在 AS 內呈現何種狀態? (A) 開路狀態 (B) 短路狀態 (C) 與金屬面板接通狀態 (D) 與金屬旋桿接通狀態。
3. 某變壓器外表上漆有 6.6~50 之字樣,其代表 (A) 該變壓器之額定電壓及額定容量 (B) 該變壓器之出廠代號 (C) 該變壓器之溫升及額定電流值 (D) 該變壓器之極數及極性。
4. 將直流電力變成交流電力的裝置為 (A) 變流器 (B) 整壓器 (C) 整流器 (D) 變壓器。
5. 零相比流器 (ZCT) 於線路必須與何種儀器組合使用 (A) 過電壓電驛 (B) 接地電驛 (C) 靜電檢漏計 (D) 過電流電驛。
6. 高壓配電盤中使用之分段開關,最宜於下列何種情況中斷開 (A) 短路中 (B) 無負載中 (C) 無電壓無負載中 (D) 負載中。
7. 高壓配電盤中所裝之開關類器具,何者不能啟斷故障電流 (A) GCB (B) PF (C) LBS (D) VCB。
8. 有關可程式控制器之敘述,下列何者為錯誤 (A) 易於輸出資料與計算機連接 (B) 體積與所佔之空間較小,維護不易 (C) 容易編寫及修改程式 (D) 能適應惡劣之工作環境。
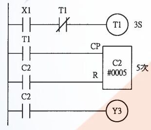
9. 如下圖所示,輸入信號 X1 ON,15 秒後則 (A) Y3 無法輸出 (B) Y3 動作 3 秒後 OFF (C) Y3 保 持 ON 狀態 (D) Y3 輸出一個掃瞄時間。
10. 如下圖流體符號表示 (A) 自動放水集水器 (B) 手動放水乾燥器 (C) 自動放水乾燥器 (D) 手動放水集水器。
11. 在電力系統中改善整體系統功率因數,其電容器宜接近 (A) 母線上 (B) 電阻負載 (C) 電感負載 (D) 主開關之電源側。
12. 使用電抗器起動時,電抗器之分接頭 (TAP) 通常為 (A) 50%-65%-80% (B) 60%-75%-90% (C) 60%-70%-80% (D) 55%-70%-85%。
13. 有關轉子繞線型電動機與鼠籠型電動機的起動方式,下列敘述何者為誤? (A) 前者不可使用 人一△起動 (B) 前者可使用轉子線圈串入電阻起動 (C) 後者可使用降壓起動 (D) 後者可使用轉子線圈串入電阻起動。
14. 引導式止回閥未加引導壓力時 (A) 雙向均可通 (B) 逆向可通 (C) 雙向均不通 (D) 逆向不可通。
15. 數位符號 (圖) 表示 (A) AND 閘 (B) NOT 閘 (C) NAND 閘 (D) OR 閘。
16. 左圖符號代表(A)分激式(B)自激式(C)串激式(D)外激式直流電機。
17. 電源為三相四線式系統之配電盤,加少許負載後LCO 動作,經檢查 R.S.T及零相電流均正常,其動作原因為(A)CT-具極性反接(B)LCO 特性不良(C)CT 極性全部反接(D)LCO 接入 R相電流。
18. 如下圖所示,其電壓有效值為(A)14.14V(B)10V(C)0V(D)7.07V。
19. 屋內型高壓受配電設備(A)必需(B)任意(C)不必(D)視現場環境之需要裝設避雷器。
20. 配電盤中之接觸部,下列何種情形之容許溫昇較高(A)裸銅合金(B)鍍銀(C)銀錫(D)裸銅。
21. 油電斷路器中之絕緣油,下列敘述何者正確?(A)應使用高黏度油,避免沉澱(B)應加入酸類避免腐化(C)使用低電介質強度者以提高絕緣特性(D)新油不能滲入舊油。
22. 電力系統上影響短路電流對稱值與非對稱值之因素為(A)直流成分大小(B)負載種類(C)使用頻率(D)負載大小。
23. 6.6KV 受電設備,在受電點計算所得之三相短路故障容量為70MVA時,裝設受電用斷路器應選用之最小額定啟斷電流為(A)8KA(B)4KA(C)12KA(D)2KA。
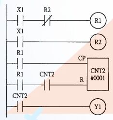
24. 如下圖所示 PLC 電路,輸入信號X1操作第一次ON 及第二次 ON,其輸出 Y1 第一次及第二次之狀態,下述何者為正確(A)Y1ON一次掃瞄時間後 OFF、Y1 一直 OFF(B)Y1ON、 Y1 OFF(C)Y1 OFF、Y1 OFF(D)Y1 ON、Y1 ON。
25. 無熔絲開關標示 100AF50AT,則其連續額定電流為(A)75(B)125(C)100(D)50 安培。
26. 小馬力單相電動機與三相電動機作正逆轉控制時,其配線之差異為何?(A)主電路相同,控制電路不同(B)主電路與控制電路均相同(C)主電路不同,控制電路相同(D)主電路與控制電路 均不同。
27. 周圍溫度50℃使用無熔線開關時,其電流容量約為額定值的(A)90%(B)20%(C)100%(D)50 %。
28. 感應電動機的配電線路上裝置電容器的目的為(A)提高轉速(B)提高馬力數(C)改善相間絕緣 (D)改善功率因數。
29. 配電箱內儀表、信號燈及其他附有電壓線圈之設備,其控制電路之過電流保護裝置所選定的額定值為多少?(A)不得超過15A(B)不得超過50A(C)不得低於20A(D)不得低於15A。
30. 負載為電感性之感應電動機,當並聯一適當之電容器後,則(A)電動機之功率因數降低(B)線路之功率因數提高(C)線路之功率因數降低(D)電動機之功率因數提高。
31. 在CNS 配電盤標準中,下列何種對人體保護最週到?(A)D級(B)B級(C)A級(D)G級。
32. 目前可程式控制器的電晶體輸出模組,能驅動 (A) 直流 (B) 交流 (C) 任意 (D) 交、直流負載。
33. 在高壓控制器跳脫電路上,使用之控制電壓最常見的為 (A)DC110V (B)DC220V (C)AC220V (D)AC110V。
34. 如下圖所示,為切換開關之接點展開圖,下列敘述何者正確 (A) 當切於 2 位置時 1-2、3-4 相通 (B) 具有 3 個外接接點 (C) 具有 6 個切換位置 (D) 當切於 2 位置時 5-6 相通。
35. 電壓切換開關內部接點在切換時是 (A) 視電表之結構而定 (B) 先開後閉或是先閉後開均可 (C) 先開後閉 (D) 先閉後開。
36. IEC 標準中量測用比流器,應測試之變比誤差點為 (A)15%、20%、100%、120% (B)10%、20%、100%、110% (C)20%、40%、100%、150% (D)15%、30%、50%、100%。
37. 電纜埋設位置上方常受重載車或其它重力壓力,應採 (A) 加強混凝土管路式 (B) 溝槽式 (C) 管路直埋式 (D) 直埋式。
38. ACSR 為 (A) 美國線規 (B) 鋼心鋁線 (C) 美國國家標準 (D) 裸銅線。
39. 人機介面與 PLC 的介面中,RS-232C 介面是屬於 (A) 搖桿介面 (B) 並列式介面 (C) 顯示介面 (D) 串列式介面。
40. PT 為 6600V/110V,CT 為 100A/5A,電功率(KW)表之刻度範圍何者較為適當 (A)0~180KW (B)20~1200KW (C)30~800KW (D)0~1600KW。
41. 如下圖加裝電阻器之主要目的在於 (A) 減少 MC 線圈之始動電流 (B) 使動作後能自保 (C) 增加直流電磁鐵吸引力 (D) 動作後使 MC 線圈電流降低。
42. 通信裝置間為相互溝通而訂定一套交換資訊的格式和內容之規則,稱為 (A) 資訊基礎建設 (B) 通訊線路 (C) 參考模式 (D) 通訊協定。
43. 在保護協調之考慮上,愈接近故障點之電驛、斷路器或熔線等,其動作時間應比離故障點遠者為 (A) 不必特別考慮 (B) 慢 (C) 相同 (D) 快。
44. 三部單相變壓器作 3△-△ 連接,當一部發生故障時容量為原來之 (A)2/√3 (B)√3/3 (C)3√3/2 (D)3/√3。
45. 控制系統中若用到七段顯示器時,其可程式控制器之輸出應使用何種介面為宜 (A) 閘流體 (B) 繼電器 (C) 固態電驛 (D) 電晶體。
46. 運轉中,擬在既設 CT 二次電路上更換電流表時,下列何項為最優先之操作?(A) 將 CT 二次側接線斷開 (B) 將欲更換之電流表拆除 (C) 將 CT 二次側短路 (D) 將 CT 一次側接線斷開。
47. 一用戶平均負載為 100KVA 功率因素為 0.6,今欲裝設電容器改善功率因素至 1.0,此電容器之適宜容量為 (A)160KVAR (B)80KVAR (C)100KVAR (D)70KVAR。
48. 電磁開關是那兩種器具之組合?(A) 電磁接觸器與栓型保險絲 (B) 無熔線開關與電磁接觸器 (C) 電磁接觸器與過載電驛 (D) 無熔線開關與過載電驛。
49. 同一線徑時若採用三相 380V 配電,其線路損失為三相 220V 配電時之多少倍?(A) 4 倍 (B) 1/4 倍 (C) 1/3 倍 (D) 3 倍。
50. 電力系統上為防止故障未排除前之誤操作,需裝設 (A) 86 電驛 (B) 67 電驛 (C) 87 電驛 (D) 46 電驛以確保安全。
51. CT 中為(A)額定連續熱電流(B)額定動態電流(C)額定短時間熱電流(D)連續熱電流定額因數。
52. 選擇性接地電驛適用於(A)三相四線△接線(B)三相四線Y 接線(C)三相三線△接線(D)三相三線Y 接線之接地故障保護。
53. 變壓器容量在500KVA 以下使用特種接地,其接地導線應使用(A)14mm²(B)8mm²(C)30mm² (D)22mm²以上之絕緣導線。
54. 在電腦應用上,1K 記憶體之記憶容量為_____Bytes。(A)1024(B)1000(C)100(D)512
55. 依據 CNS3990C4130 高壓配電盤內,主斷路器控制電路之導線線徑為(A)3.5mm² (B)1.25 mm² (C)1.0mm² (D)2.0mm²。
56. 斷路器上的IC值係指下列何者?(A)框架容量(B)跳脫容量(C)啟斷容量(D)額定值。
57. 某電壓源標示為三相四線式 380V/220V,其中 220V 之意義為何?(A)線電壓(B)相電壓(C)欠電壓基準設定值(D)過電壓基準設定值。
58. 電動機之運轉因數係指在容許溫度內可連續運轉之(A)最高效率(B)最大損失功率(C)最長時間(D)最大輸出功率。
59. PLC一個計數器若能計數三位數,若使用兩個計數器組合,其最大能計數幾位數(A)四位數(B)六位數(C)五位數(D)九位數。
60. 兩只變壓器作V-V連接,供電給100KVA 之三相平衡負載,若增加一只相同的變壓器 作△-△連接,則可供電(A)141KVA(B)212KVA(C)260KVA(D)173KVA。
複選題:61. 如下圖所示流體符號,下列敘述哪些錯誤?(A)附溫度補償節流閥(B)附壓力補償節流閥(C)附排洩節流閥(D)固定型節流閥。
62. 依據 CNS 標準,配電盤之額定電壓,下列哪些為非標準值?(A)25KV(B)12KV(C)13.8KV (D)24KV。
63. PLC通信聯網時用到的裝置是(A)Wi-Fi 通信模組(B)PLC Ether-Net 通信模組(C)RS-485 介面(D)RS-232 或RS-422介面。
64. 下列哪些為目前常用的高壓接觸器?(A)OS(B)VCS(C)ATS(D)GCS。
65. 依據 CNS 標準,配電盤中之匯流排以螺絲鎖緊之鍍銀接觸(空氣中),在溫昇測試所得之溫昇下列哪些合乎要求?(A)75℃(B)60℃(C)90℃(D)50℃。
66.下列哪些為配電盤之重要功能?(A)監視警報(B)操作控制(C)分配電力(D)線路保護。
67. 如下圖所示程式,下列敘述哪些正確?(A)Tc 期間 Y0 ON;Td 期間 Y0 OFF(B)Ta 期間 Y0 ON;Tb 期間 Y0 OFF(C)Tc 期間 YO OFF; Td 期間 YO ON(D)Ta 期間 Y0 ON;Tb 期 間YO ON。
68. 氣壓符號中,下列敘述哪些正確?(A)消音器(B)雙壓閥(邏輯閥 AND) (C)切斷閥(D)雙向流量控制閥。
69. 地下電纜與通信管路間以泥土相隔,其間隔下列哪些不宜?(A)25公分(B)30公分(C)15公分(D)20公分。
70. 變壓器之外殼標示24-30代表之意義,下列敘述哪些錯誤?(A)一次電壓一二次電壓(B) 次電壓一一次電壓(C)容量一電壓(D)電壓一容量。
71. 依IEC 標準保護用CT其規格標示5P20/30VA,在額定電流In時其容許之變比誤差下列哪些不可接受?(A)±1%(B)±3%(C)±2%(D)±0.5%。
72. 對人體安全之保護設計,配電盤之等級 IP4X 可容許之異物進入配電盤內,下列敘述哪些錯誤?(A)直徑1.0mm 之導線(B)直徑2.5mm之導線(C)直徑10mm 之導線(D)直徑12mm 導線或手指。
73. 依IEC 標準保護用 CT,其規格為 30VA 5P20 其意義為在20倍過電流時,其變比誤差值下列哪些無法接受?(A)±3%(B)±10%(C)±8%(D)±5%。
74. 選擇電纜之尺寸時,應考慮下列哪些因數?(A)電壓降(B)對短路電流之要求(C)供電方式(D)電 流容量。
75. 如下圖,以直流2線式近接開關配合具有S/S 接線點之 PLC 使用時,須完成下列哪些選項之連接後,方能使直流2線式近接開關正常動作(直流2線式近接開關漏電電流大於P LC 輸入的 OFF 電流,Sink 模式)? (A)a-c(B)b-c(C)p-c,q-d(D)n-d,o-b。
76. 有關比流器,下列敘述哪些正確?(A)比流器依構造不同,可分為繞線式、貫穿式、套管式等,其二次側額定電流為5A(B)比流器因激磁電流小,所以必須使用高導磁係數之磁性材料(C)比流器簡稱CT,其作用乃將一次側的大電流變成二次的小電流(D)比流器的二次側不得開路,否則將感應高電壓造成危險。
77. 人機介面(HMI)實現數值顯示時,可對應 PLC 內部的(A)輸出點(B)資料暫存器(C)輸入點(D) 計時器。
78. 有關比率差動電驛(Ratio Differential Relay),下列敘述哪些正確?(A)只於被保護器內部故障時產生動作,以防止故障的擴大(B)常用於變壓器的差動保護(C)與過電流保護電驛之原理相同(D)能靈敏地檢出被保護器之內部故障。
79. 如下圖所示,就 PLC 邏輯電路而言,當PLC 送電後(A)當 X1 動作則Y1動作(B)先讓X1 動作後再使 X2動作,則Y1及Y2均動作(C)先讓X1 動作後再使X2動作,則僅有Y1 動作(D)先讓X1動作後再使 X2 及X3 動作,則 Y1、Y2 及 Y3 均動作。
80. 有關單相電源,下列敘述哪些正確?(A)單相三線式(1φ3W)是指該電源可提供兩組 110V 電源及一組220V 電源(B)當使用相同線徑的導線,在相同的距離內傳送一樣的功率時,單相二線式(1φ2W)的線路壓降是單相三線式(1φ3W)的一半(C)單相三線式(1φ3W)兩端負載不平衡時,中性線須加裝過載保護裝置,以防止負載燒毀(D)單相二線式(1φ2W)是指該電源有兩條外接線,一為火線,一為地線。