阿摩線上測驗
登入
首頁
>
技檢◆儀表電子-乙級
> 105年 - 11500 儀表電子 乙級 工作項目 09:電子儀表與量測 1-100#38793
105年 - 11500 儀表電子 乙級 工作項目 09:電子儀表與量測 1-100#38793
科目:
技檢◆儀表電子-乙級 |
年份:
105年 |
選擇題數:
100 |
申論題數:
0
試卷資訊
所屬科目:
技檢◆儀表電子-乙級
選擇題 (100)
1. 有一放大器的電壓增益為 100,電流增益為 10,則此放大器的功率增益為何?(A)20dB(B)30dB(C)40dB(D)60dB。
2. 在一負載為 6Ω 的放大器,測得輸出為 40dBm,則此放大器的功率輸出為何?(A)1W(B)10W(C)100W(D)1000W。
3. 示波器在量測兩高頻信號時,一般需使用哪一種量測模式?(A)CHOP(B)ALT(C)A+B(D)A-B。
4. 欲使用三用電表的 LI 與 LV 刻度時,則三用電表應工作於何種量測?(A)直流電壓量測(B)直流電流量測(C)交 流電壓量測(D)歐姆量測。
5. 靜電式陰極射線管的偏向靈敏度,不受下列何者影響?(A)加速電壓(B)偏向板的長度(C)偏向電壓(D)偏向板間 的距離。
6. 同步示波器若“AUTO”開關置於 OFF 位置,且垂直軸無信號輸入時,則螢光幕上將呈現何種現象?(A)一 水平線(B)一光點(C)一垂直線(D)無光跡。
7. 使用電位計(potentiometer)做電壓測定,是屬於下列那一種測定法?(A)直接測定法(B)間接測定法(C)比較測定 法(D)絕對測定法。
8. 惠斯頓電橋(Wheatstone bridge)做電阻測量時,其待測電阻器之值R
X
=R
3
.(R
1
/R
2
) ,若其三個標準電阻器(R
1
、R
2
、R
3
) 的誤差分別為±0.1%、±0.2%、±0.1%,則待測電阻器之誤差為何?(A)±0.1%(B)±0.2%(C)±0.3 %(D)±0.4%。
9. 誤差為±10ppm 時,相當於多少百分比誤差?(A)±0.001%(B)±0.01%(C)±0.1%(D)±1%。
10. 有一信號產生器的輸出阻抗為 50 Ω,輸出端開路時輸出電壓為 10V,當接上 50Ω 的負載,其輸出電壓為何? (A)2V(B)5V(C)7.5V(D)10V。
11. 使用電壓表與電流表測量有電流流過的電阻器之電阻值,此種電阻的測定方法為下列何種?(A)直接測定法 (B)間接測定法(C)絕對測定法(D)比較測定法。
12. 函數波產生器內部為下列何種波形的振盪器?(A)正弦波(B)三角波(C)階梯波(D)脈波。
13. 使用同步示波器做頻率測量,在螢光幕上待測信號一個週期佔 4 格的寬度,經換算待測信號頻率為 1.25kHz, 則此時示波器的時基開關係置於下列何位置?(A)0.2ms/DIV(B)0.5ms/DIV(C)1ms/DIV(D)2ms/DIV。
14. 指針式三用電表若內部電池沒有安裝時,則無法做何種測量?(A)電壓(B)電流(C)電阻(D)dB。
15. 有一電容器上標示為 102J,則此電容器的電容量與誤差為何?(A)102pF±1%(B)1nF±5%(C)102pF±5%(D)0.001μ F±1%。
16. 有一脈波產生器輸出脈波的重覆率(pulse repetition rate)設定在 200 次/秒,若其脈波寬度為 1ms 時,則此脈 波之工作週期(duty cycle)為何?(A)0.05(B)0.1(C)0.2(D)0.5。
17. 諧波失真儀中的凹型(notch)濾波器之主要作用為何?(A)濾除待測信號之基本波(B)濾除待測信號之偶次諧波 (C)濾除待測信號之奇次諧波(D)濾除待測信號之雜訊。
18. 可用來測量同軸電纜線斷路位置的是下列何種電橋?(A)馬克士威(Maxwell)(B)海氏(Hay)(C)歐文(Owen)(D)史林 (Schering)。
19. 儀表負載效應產生之誤差,係屬於下列何種誤差?(A)顯著誤差(gross error)(B)系統誤差(systematic error)(C)混亂 誤差(random error)(D)儀表誤差。
20. 關於屏蔽(shield)的敘述,下列何者是錯誤的?(A)電磁屏蔽對低頻雜訊的抑制效果較佳(B)靜電屏蔽對高頻雜 訊的抑制效果較佳(C)電磁屏蔽使用高導電率的金屬板隔離(D)屏蔽可防止外來的射頻雜訊之干擾。
21. 開關的接點間之接觸電阻的測定,使用下列何種儀表最適當?(A)電子三用電表(B)惠斯頓電橋(C)三用電表(D) 電子式低電阻表。
22. 某安培表與 0.3Ω 電阻器並接後,其量測範圍提高為原來的 10 倍,則此安培表的內電阻為何?(A)0.03Ω(B)2. 7Ω(C)3Ω(D)3.3Ω。
23. 將電源供應器的輸出端短路後,再調整電壓及電流旋鈕,則下列那一種情形正確?(A)電壓表及電流表指示 均會改變(B)電壓表及電流表指示均不會改變(C)電壓表指示不會改變,電流表指示會改變(D)電壓表指示會改 變,電流表指示不會改變。 49
24. 表示引起儀表反應被測數值的最低變化量,稱之為何?(A)準確度(B)精密度(C)靈敏度(D)解析度。
25. 一個 0 至 150V 的指針式電壓表,其保證準確度為±1%,若以此電壓表測試得到 75V 的電壓,則其誤差百分 率為何?(A)±1%(B)±2%(C)±3%(D)±5%。
26. 全波整流型交流電壓表,若被使用於測量直流電壓時,則其電表讀數為待測直流電壓的幾倍?(A)0.707 倍(B) 0.9 倍(C)1.11 倍(D)2.22 倍。
27. 有一個 位數的數位電壓表置於 200V 檔測量範圍時,則其解析度為何?(A)1mV(B)10mV(C)100mV(D)1V。
28. 一個時基為 100ms 的頻率計數器,其測量讀數為 576,則此測量的信號頻率為何?(A)57.6Hz(B)576Hz(C)5.76k Hz(D)57.6kHz。
29. 一個交流數字電壓表的誤差為±(0.5%rdg+2digits),當讀值為 125V 時,其誤差百分率為何?(A)±2.6%(B)±2.1 %(C)±1.6%(D)±0.5%。
30. 有關雙跡示波器中之 CHOP 及 ALT 掃描方式的敘述,下列何者不正確?(A)用 ALT 觀測高頻率信號較佳(B)用 CHOP 可同時顯示兩種波形(C)用 CHOP 觀測低頻率信號不會閃爍(D)用 ALT 觀測低頻率信號時,波形會呈現 一段段不連續的情形。
31. 一個出現在示波器上共佔 4 格的信號,經換算是 8 Vp-p,若使用 10:1 的測試棒,則示波器的垂直振幅控 制旋鈕,係置於那一個位置?(A)2V/DIV(B)0.2V/DIV(C)20mV/DIV(D)2mV/DIV。
32. 一哈特萊(Hartley)振盪器,其電容量可從 l00pF 調整到 400pF,且振盪線圈的電感量為 900μH,則其振盪的 頻率範圍為何?(A)265kHz 至 530kHz(B)265kHz 至 1060kHz(C)133kHz 至 530kHz(D)133kHz 至 1060kHz。
33. 波形分析儀又稱為選擇性頻率表,其所測得的指示值為何?(A)直流電壓值(B)交流有效值電壓(C)交流峰值電 壓(D)交流平均值電壓。
34. 電子式功率因數表主要是利用下列何種原理設計而成?(A)頻率比較(B)相位比較(C)週期比較(D)振幅比較。
35. 因環境溫度、壓力及濕度的影響,而使儀表量測產生誤差,我們稱之為(A)系統誤差(B)儀表誤差(C)混亂誤差 (D)人為誤差。
36. 某電路輸入為 100kHz 之方波,但示波器卻測得其輸出為 300kHz 之正弦波,由此結果可判定此電路為下列 何者?(A)帶通濾波器(B)高通濾波器(C)低通濾波器(D)帶拒濾波器。
37. 指針式三用電表,中心刻度為 20Ω,置於 R×lK 檔,量測一電解電容器,指針由最大偏轉刻度回到零刻度時, 共須 5 秒,其電容量約為多少?(A)30μF(B)40μF(C)50μF(D)60μF。
38. 儀表在量測信號前其輸入衰減器應設定在下列何者位置最適宜?(A)任意位置(B)衰減量最小位置(C)衰減量中 等位置(D)衰減量最大位置。
39. 用示波器量測每週期序列為 11001011 之週期性脈波信號,試問應如何操作才能觀察到其中第 3 個脈波之前 緣細微變化?(A)調整垂直振幅大小(B)調整亮度大小(C)調整觸發準位(D)使用延遲掃瞄。
40. 有一只靈敏度 20kΩ/V 的電壓表;測量範圍有 lV、5V…1000V,若配合一只內部串接 480MΩ 的高壓測試棒, 則其電壓量測範圍可達到多少?(A)24kV(B)25kV(C)48kV(D)200kV。
41. 下列何種信號產生器具有電壓控制振盪頻率(V.C.F)的功能?(A)函數波信號產生器(B)音頻信號產生器(C)射頻 信號產生器(D)脈波信號產生器。
42. 有一只振盪晶體的振盪頻率標示為 10.00MHz,則其有效數字為何?(A)二位(B)三位(C)四位(D)五位。
43. 使用
位的數位電壓表,其準確度為±(1% of rdg+1 dgt)量測一未知電壓,讀得的讀數為 100.0mV 時,則 該量測值的誤差為何?(A)±1.01%(B)±1.1%(C)±2%(D)±11%。
44. 使用
位的數位電壓表,量測 5V 的電壓時,其解析度可達到多少?(A)10μV(B)0.1mV(C)1mV(D)10mV。
45. 使用通用計數器(universal counter)量測信號週期,參考時基為 1μsec 時,若操作在 10 個週期的多重週期平均 量測時,則其解析度可達到多少?(A)0.01μsec(B)0.1μsec(C)1μsec(D)10μsec。
46. 某一通用計數器(universal counter)參考時基的準確度為±5×10 ,若用其測量信號頻率,讀值為 1.0000MHz 時,其誤差(須考慮計數誤差)為何?(A)±0.015%(B)±0.05%(C)±0.06%(D)±0.15%。
47. 示波器垂直軸的偏向因數為 5mV/cm、…、5V/cm,內部使用之陰極射線管的偏向靈敏度為 0.5mm/V,則垂 直放大器的電壓增益須為多少?(A)500(B)1000(C)2000(D)4000。 50
48. 如下圖電路所示為一多範圍電壓表,若 R =2MΩ,求倍率電阻器 R 的值為多少?(A)500kΩ(B)499kΩ(C)400k Ω(D)399KΩ。
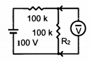
49. 使用一只靈敏度為 2kΩ/V 的電壓表,置於 50V 位置,量測下圖電路所示之電阻器 R 兩端的電壓,因負載效 應所產生的誤差為何?
(A)25%(B)-25%(C)33.3%(D)-33.3%。
50. 示波器的觸發源(trigger source)開關置於“LINE”位置時,觸發電路的觸發信號係取自何處?(A)交流電源電 路(B)垂直放大電路(C)掃描產生電路(D)水平放大電路。
51. 示波器的垂直軸置於 0.2V/DIV 位置作信號觀測,若使用“×1”探棒,在螢光幕上顯示的信號波形高度為 4 DIV 時,則待測信號的振幅為多少?(A)8V
P-P
(B)8V(C)0.8V
P-P
(D)0.8V。
52. 惠斯頓電橋(Wheatstone bridge)的量測臂可由 0 Ω 調整至 11110Ω(最低一級 1Ω 的變化),欲量測一只電阻 值約 1kΩ 的電阻器,則比率臂應置於何處最適當?(A)100:1(B)10:1(C)1:1(D)1:10。
53. 欲做接地電阻的量測,應使用下列何種電橋?(A)惠斯頓電橋(Wheatstone bridge)(B)愷爾文電橋(Kelvin bridge) (C)柯勞許電橋(Kohlrausch bridge)(D)馬克士威電橋(Maxwell bridge)。
54. 欲量測高 Q 值(Q>10)電感器時,應使用下列何種電橋?(A)馬克士威電橋(Maxwell bridge)(B)海氏電橋(Hay bri dge)(C)韋恩電橋(Wien bridge)(D)史林電橋(Schering bridge)。
55. 使用交流電橋做電感器量測時,下列何種電橋有較高的準確度?(A)歐文電橋(Owen bridge)(B)海氏電橋(Hay br idge)(C)史林電橋(Schering bridge)(D)馬克士威電橋(Maxwell bridge)。
56. 有關音頻信號產生器的敘述,下列何者是錯誤的?(A)採用 RC 電橋振盪器產生正弦波輸出(B)方波係將正弦波 整形而輸出(C)輸出阻抗皆設定為 600Ω(D)具有電壓控制振盪頻率(V.C.F)的功能。
57. 量測一放大器的輸出特性,二次諧波失真率為 4%,三次諧波失真率為 3%,則其總諧波失真率為何?(A)3 %(B)4%(C)5%(D)7%。
58. 使用同步示波器觀測信號時,若螢光幕上呈現一約佔 4 格高度的波形,且不穩定的左右移動時,應先操作 下列何控制旋鈕最為適當?(A)觸發斜波(slope)(B)垂直振幅(VOLTS/DIV)(C)水平時基(TIME/DIV)(D)觸發準位(le vel)。
59. 波形分析儀可視為下列何者?(A)窄頻寬帶通濾波器(B)寬頻寬帶通濾波器(C)高通濾波器(D)低通濾波器。
60. 用三用電表的交流10V電壓檔來量測直流5V電壓的結果為何?(A)電表會受損(B)內部電阻會變質(C)指針反向 偏轉(D)讀值不正確。
61. Q 表是用來量測下列何者?(A)電感量及線圈的 Q 值(B)電晶體的 Q 點(C)雜散電容(D)電路的無效功率 Q。
62. 下列何者為量測用的 DC 電橋?(A)歐文電橋(B)馬克士威電橋(C)惠斯頓電橋(D)海氏電橋。
63. 示波器不可直接做下列何種量測?(A)交直流電壓(B)頻率與相位(C)調幅百分比(D)電容值與電感值。
64. 雙軌跡示波器中,欲同時觀察兩高頻信號時,掃描模式開關應置於何處?(A)ALT(B)CHOP(C)ADD(D)CH1 或 C H2。
65. 同步示波器觸發開關撥至 LF-REJ 位置時,則觸發信號會經過下列何者?(A)高通濾波器(B)低通濾波器(C)帶通 濾波器(D)帶拒濾波器。 51
66. 示波器上量得一波形的週期有 4 格,其水平時間旋鈕置於 10μs/DIV,則其頻率為何?(A)2.5kHz(B)25kHz(C)2 50kHz(D)40kHz。
67. 下列何者不是常用之高頻振盪器?(A)晶體振盪器(B)哈特萊振盪器(C)考畢子振盪器(D)韋恩電橋振盪器。
68. 若改變函數波信號產生器中之米勒積分器的電容器的電容值,則可改變輸出波之何種參數?(A)對稱度(B)振 幅(C)頻率(D)直流準位。
69. 示波器之校準波形為何?(A)方波(B)鋸齒波(C)正弦波(D)三角波。
70. 三用電表之誤差若為±2%,若使用 250V 電壓檔所量測之讀數為 200V 時,其實際誤差為何?(A)±1.25%(B)±2. 5%(C)±5%(D)±2%。
71. 三用電表之 OUT 插孔用來做下列何種用途?(A)隔離直流成份(B)測量電容(C)輸出負電壓(D)輸出正電壓。
72.
的數位電表其解析度為何?(A)0.05%(B)0.005%(C)0.0005%(D)0.00005%。
73. 下列敘述何者為正確?(A)對指針式電表而言,準確度 1%即表示滿刻度時之誤差百分率 1%(B)精確度愈高則 準確度愈高(C)有效數字位數愈少,則精確度愈高(D)數字 35000 之有效位數為 5 位。
74. 指針式三用電表不具有下列何種測試功能?(A)DCA(B)ACA(C)DCV(D)ACV。
75. 當指針式三用電表裡的電池電力耗盡時,下列哪一種功能仍然可以使用?(A)
(B)Ω(C)I
CEO
(D)DCA。
76. 一般常見的數位式三用電表,大多採用哪一型的類比至數位轉換器(ADC)?(A)計數型(B)逐步漸近型(C)雙斜率 型(D)並聯比較型。
77. 兩個 10dB 衰減器串接在一起工作時,總衰減量為何?(A)10dB(B)20dB(C)40dB(D)100dB。
78. 0dBm 信號與-10dBm 信號相差為若干?(A)10B(B)10dBμ(C)10dB(D)0dB。
79. 要量測到一個方波信號各個諧波的準確振幅讀值,最適當的的儀器設備為何?(A)示波器(B)頻譜分析儀(C)射 頻功率表(D)計頻器。
80. 兩個同頻率的信號若同時顯示在示波器上,其週期佔 4 大格,但兩個信號之正峰值之間的水平間距相差 1 大格,此表兩個信號之相位相差為多少?(A)45 度(B)60 度(C)90 度(D)180 度。
81. 函數波訊號產生器,通常先用積分電路產生下列何種波形?(A)正弦波(B)三角波(C)方波(D)脈波。
82. 函數波訊號產生器的正弦波通常是利用何種方式產生?(A)RC 振盪器(B)石英振盪器(C)三角波經二極體整形 而得(D)方波經二次積分而得。
83. 下列有關函數波信號產生器的描述,何者不正確?(A)可以產生三角波(B)其弦波的失真較高(C)具有電壓控制 振盪頻率(VCF)的功能(D)使用弦式振盪器直接產生正弦波。
84. 測量低頻率信號(1Hz 以下)時,使用下列何種儀器較佳?(A)一般示波器(B)高頻計數器(C)儲存式示波器(D)週期 計數器。
85. 萬用計數器無法直接用於測量下列何者?(A)頻率比(B)頻率(C)上升時間(D)時間距。
86. 一般頻率計數器將待測信號輸入後,先由哪一種電路轉換為脈波來控制計數?(A)史密特觸發電路(B)箝位電 路(C)微分電路(D)截波電路。
87. 下列何種電橋適合於快速達成精確的電感測量?(A)歐文電橋(B)海氏電橋(C)馬克斯威爾電橋(D)史林電橋。
88. 下列何者不是測量電感之電橋?(A)歐文電橋(B)海氏電橋(C)馬克斯威爾電橋(D)韋恩電橋。
89. 下列何種電橋適合於測量高 Q 值之電感器?(A)歐文電橋(B)海氏電橋(C)馬克斯威爾電橋(D)史林電橋。
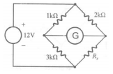
90. 如下圖中的 G 為一微檢流器,當 G 的電流值為零時,則 R 值為多少?
(A)6kΩ(B)9kΩ(C)4.5kΩ(D)3kΩ。
91. 電子電壓表主要是採用下列哪一種電路推動表頭偏轉?(A)達靈頓電路(B)靴帶式電路(C)多級放大器(D)平衡電 路。
92.
位的數位電壓表,於 2V 測試範圍之解析度為多少?(A)1μV(B)10μV(C)100μV(D)1mV。 52
93.
位的數位電壓表,於 20V 測試範圍之解析度為多少?(A)1μV(B)10μV(C)100μV(D)1mV。
94. 以
位之數位電壓表測量 30V 的直流電壓,可以有幾位有效讀數?(A)3 位(B)4 位(C)5 位(D)6 位。
95.
位之數位式萬用表(DMM),準確度標示為±(0.01% of reading + 1 digit),當測量 5V 電壓時,其誤差值 為何?(A)±0.015V(B)±0.0015V(C)±0.003V(D)±0.001V。
96.
位數位三用電表,當解析度為 1mV,滿刻度為何?(A)1.999(B)19.99(C)199.9(D)1999。
97. 4 位元之 D/A 轉換器,其解析度為何?(A)0.25%(B)0.667%(C)2.5%(D)6.67%。
98. 設計 D/A 轉換電路時,若輸出最低電壓為 0V,滿刻度輸出電壓為 5V,欲得到解析度在 2mV 以下,則最少 應選用多少位元以上的 D/A 轉換器?(A)12 位元(B)11 位元(C)10 位元(D)9 位元。
99. 儀表經多次測量時,每次測量值間的差異程度,稱之為何?(A)準確度(B)精密度(C)靈敏度(D)解析度。
100. 儀表之輸出響應與輸入響應之比值,稱之為何?(A)準確度(B)解析度(C)精密度(D)靈敏度。
申論題 (0)
相關試卷
114年 - 11500 儀表電子 乙級 工作項目 10:裝配與測試知識 1-35(2025/11/04 更新)#133310
114年 · #133310
114年 - 11500 儀表電子 乙級 工作項目 09:儀表電學 101-147(2025/11/04 更新)#133309
114年 · #133309
114年 - 11500 儀表電子 乙級 工作項目 09:儀表電學 51-100(2025/11/04 更新)#133308
114年 · #133308
114年 - 11500 儀表電子 乙級 工作項目 09:儀表電學 1-50(2025/11/04 更新)#133307
114年 · #133307
114年 - 11500 儀表電子 乙級 工作項目 08:微電腦概論與應用 51-74(2025/11/04 更新)#133306
114年 · #133306
114年 - 11500 儀表電子 乙級 工作項目 08:微電腦概論與應用 1-50(2025/11/04 更新)#133305
114年 · #133305
114年 - 11500 儀表電子 乙級 工作項目 07:數位系統 101-150(2025/11/04 更新)#133304
114年 · #133304
114年 - 11500 儀表電子 乙級 工作項目 07:數位系統 51-100(2025/11/04 更新)#133303
114年 · #133303
114年 - 11500 儀表電子 乙級 工作項目 07:數位系統 1-50(2025/11/04 更新)#133302
114年 · #133302
114年 - 11500 儀表電子 乙級 工作項目 06:電子學 151-181(2025/11/04 更新)#133301
114年 · #133301