所屬科目:助理工程師
3. C 下列電路中,已知 R2=5R1 及 R3=(1/2)R1,求未知電阻 R1 為何? (A)10Ω (B) 6.67Ω (C)64Ω (D)40Ω
4.下列電路之電流 I3 為多少安培? (A)163.6mA (B)90.91mA (C)300mA (D)200mA
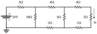
5. A 下列電路中的電流 I8 為多少安培? (A)0.5A (B)1A (C)2A (D)4A
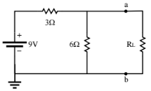
6.下列負載 RL外部電路之諾頓等效電流為多少? (A)2A (B)3A (C)4.5A (D)1A
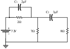
8.下列電路中,當時間夠長趨於穩態之後,儲存在電容 C2 上的能量為何? (A)7776μJ (B)6872μJ (C)4704μJ (D)8088μJ
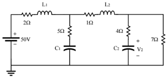
9.一電路如下,當達到穩態時(時間=∞),電壓 V2 為多少? (A)35V (B)28.57V (C)15.38V (D)8.72V
10.有一波形顯示在示波器上,如下圖所示,它的頻率為何? (A)100kHz (B)50kHz (C)25kHz (D)10kHz
12. A 下圖波形的有效值為何?(A)2.236V (B)1V (C)0.25V (D)π/3
14. D 下圖流經 XL2 電感的電流 I 為何? (A)3.75 ∠-90° (B) 3.75 ∠+90° (C) 1.75A ∠-90° (D) 6.25A ∠-90°
21. A 一條三相換位輸電線採水平方式架設,如下圖所示,導線間距為 8 m,其幾何平均距離 GMD 為何? (其中3√2 = 1.26) (A)10.08m (B)10.67m (C)6.35m (D)8m
22. C 下列複導線個別股線半徑為 r,若此複導線的自幾何平均距離Ds b = √te −1/43 ,則 t 為多少? (A)r3 (B) 2r3 (C) 4r3 (D) 6r3
24. B 下列單線阻抗圖的匯流排阻抗矩陣 Zbus 中,第二列第二行的元素 Zbus(2,2)為何? (A)j1.2 (B)j0.286 (C)j0.4 (D)j0.765
25. A 一個三匯流排電力系統的零相序、正相序、與負相序標么阻抗矩陣如下,當其匯流排 2 發生直 接雙線對地故障(Double Line-to-Ground Fault)時,其故障電流大小為何? (A)7.5 pu (B)5.0 pu (C) 4.33 pu (D) 3.25 pu
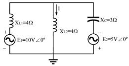
35. A 如下圖所示電路,有兩個正弦電源,若 V1(t) = 24 cos 3tV、V2(t)= 8 cos 4tV,則電阻器的平均 吸收功率為何? (A)12.96W (B)4.48W (C)8.48W (D)17.4W
36. A 如下圖所示之電路,求電壓 v1 為何? (A)21.4 + j42.8V (B)21.4 - j42.8V (C)42.8 + j21.4V (D)42.8 - j21.4V
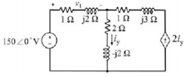
37. B 如下圖所示,求在 ω = 4000 rad/s 時,使流過電阻器的電流 iR 會比電源電流 iS 落後 45∘, 圖中的 R 值為何?(利用相量圖求解) (A)1/4Ω (B)1/3Ω (C)3Ω (D)4Ω
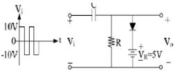
38. B 如下圖方波波峰電壓為 10 V,於二極體端加上 VR=5 V 時,當輸出方波在負半週時,Vo峰值 電壓應為? (A)5V (B) -15 V (C) -10V (D) -5V
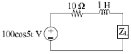
39. B 在下圖電路中,負載 ZL 在特定值時可得到最大功率 轉移,求 ZL 可吸收之最大功率為? (A)100W (B)125W (C)150W (D)175W