所屬科目:助理工程師
4.如圖所示,求總電流為多少安培 (A)10-j2.5 (B)10-j1.5 (C)10-j2.3 (D)10-j1.67
23.四極直流發電機,電樞導體數500,繞成2並聯路徑,每極磁通f=0.005韋伯(Wb),轉速為900rpm, 若電樞電流為 100 安培,則其轉矩為多少牛頓-公尺(N-m)? (A)159.15(N-m) (B)79.58(N-m) (C)318.3(N-m) (D)39.79(N-m)
27.如圖所示電路,有兩個正弦電源,若 V1(t) = 24 cos 3tV、V2(t)= 8 cos 4tV,則電阻器的平均吸 收功率為何? (A)12.96W (B)4.48W (C)8.48W (D)17.4W
36.如圖所示之電路,求 Vo 電壓為何? (A)133V (B)113V (C)173V (D)153V
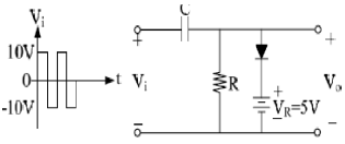
37.如下圖方波波峰電壓為 10 V,於二極體端加上 VR=5 V 時,當輸出方波在負半週時,Vo峰值 電壓應為? (A)5V (B) -15 V (C) -10V (D) -5V (E)本題送分
41.根據下圖,RL的最大功率消耗最接近以下何者? (A)5W (B)4W (C)3W (D)2W
43.如下圖所示電路,節點電壓 VC 為何? (A)14V (B)28V (C)42V (D)56V
50.下圖所示為一交流電壓源供給一阻抗 Z = 20∠30∘的負載,以下供給負載之電氣參數 何者正 確? (A)實功率 P = 623.5W (B)電流 I = 3∠ 60∘ (C) 虛功率 Q = 240VAR (D)視在功率 S = 520VA