所屬科目:電子儀表概要
⑴若由檢流計兩端看進去的戴維寧等效電路為 Eth = 10.1 mV 串聯 Rth 且電流 27.68 μA 由 B 流向 D,求檢流計的內阻值。(10 分)
⑵若此電橋之三臂已知電阻值均有± 0.1%的限制誤差,由此儀器測量時,求未知電阻的限制誤差。(10 分)
二、相移振盪器(phase-shift oscillator)架構使用三個 RC 元件所組成的相移器,請說明 兩個 RC 元件不能使振盪器運作而四個 RC 又顯得不必要。(20 分)
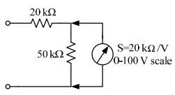
三、一直流伏特計的靈敏度為 20 kΩ/V,用 0-100 V 檔測量圖中跨於 50 kΩ的電壓,請計 算電表指示的百分比誤差。(20 分)
四、一考畢茲振盪器(Colpitts oscillator)之核心電路圖如圖所示,求此振盪器之振盪頻率。圖中之雙載子電晶體可使用簡化之小訊號模型(亦即無限大之輸入阻抗及輸出端僅有一電壓控制之電流源,如 gm υ π )。(20 分)
五、示波器之時間產生器定在 0.4 ms/cm 位置,而水平顯示開關定在“放大十倍”,若有 一個正弦波輸入到垂直輸入,圖形顯示為 3.5 週,水平掃描長度為 10 cm。求輸入信 號之頻率。(20 分)