所屬科目:技檢◆儀表電子-甲級
10. 如下圖電路所示,要產生振盪時,R 的最大值不應超過下列何者?(A)20kΩ(B)100kΩ(C)3kΩ(D)50kΩ。
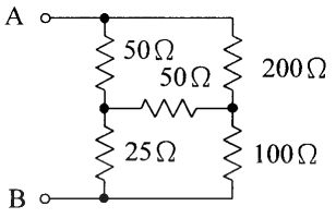
19. 如下圖電路所示,請問由 A、B 兩端看進去的等效電阻為多少歐姆?(A)60(B)425(C)50(D)375
22. 是應用下列哪一定律?(A)結合律(B)吸收律(C)分配律(D)交換律。
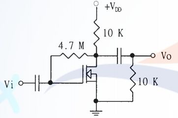
25. 如下圖電路所示,若電壓增益 Vo /Vi 為-4.5,則以密勒定理(Miller's theorem)求其輸入電阻值約為 多少?(A)850kΩ(B)650kΩ(C)950kΩ(D)750kΩ。
30. 如下圖電路,為下列何者?(A)低通主動濾波器(B)帶拒主動濾波器(C)高通主動濾波器(D)帶通主動濾波器。
39. 如下圖電路所示,若,加上負回授後之電流增益 , 則此電路加上負回授後之電壓增益約為若干?(A) (B) (C) (D)
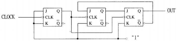
54. 如下圖電路所示,其計數模數為何?(A)6(B)8(C)7(D)5。
63. 有關 dBm 之定義特性,其中的 Po 為輸出功率,則下列敘述哪些正確?(A)1 毫瓦的功率消耗(B) (C) (D)若特性阻抗 600Ω,其參考電壓為。
64. 下列哪些布林函數的關係式為正確? (A) (B) (C) (D)
71. 下列哪些邏輯運算式具有反互斥或閘(NXOR)的功能?(A) (B) (C) (D)
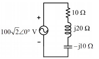
73. 如下圖 RLC 串聯電路所示,則下列哪些正確?(A)總電流 (B)總平均功率 P=1000 W(C)總阻抗 (D)總虛功率 Q=1000 Var
75. 如下圖所示,調整負載 使電路產生最大功率,則下列哪些正確?(A)負載之最大功率約為 417 W(B) (C) (D)
77. 如下圖電路所示,若 β=45,下列敘述哪些正確?(A)(B)(C)(D)Vo≒4. 5V。