所屬科目:教甄◆冷凍空調科
2. 根據克希荷夫電壓定律,如圖所示的 VA、VB 分別等於多少?(A)VA =3 V,VB =5 V (B)VA =10 V, VB =4 V (C)VA =6 V,VB =10 V (D)VA =12 V,VB =2 V 。
3. 如圖所示之電路,電壓源 (A)供給 25 W 之功率 (B) 消耗 25 W 之功率 (C)消耗 5 W 之功率 (D)供給 5 W 之功 率。
5. 把圖 (a)之交流電路化成等值之並聯電路圖(b) 時,其電導、電納為 多少? (A)G = 0.03Ω,B = 0.04 Ω (B)G = 0.04Ω,B = 0.03Ω (C)G = 0.3Ω,B = 0.4Ω (D)G = 0.4Ω,B = 0.3Ω。
7. 截波器之輸出電壓波形 v(t)如圖 所示,若 TON =3ms,T = 5ms,E = 100V,試求輸出電壓平均值為多少 V?(A)80 (B)60 (C)50 (D)40 V 。
8. 圖 中,若 Vi = 30sin t,二極體視為 理想,則其輸出電壓 Vo 之波形為 (A) (B) (C) (D)
9. 如圖 所示,若電晶體的β 值為 50,而 RB 電阻選用100kΩ,則該電晶體的消耗功率為(A)0.1W (B)0.2W (C)1W (D)2W。
10. 圖 為電晶體偏壓電路,以三用電表測試各 點電壓,發現 VC = 9V,VE = 8.7V,VB = 9.4V,則有可能是(A) RC 太小 (B)RE 太大 (C)R1 太大 (D)R2 太大 。
11. 如圖 之 VCC = 15V,RB1 = RB2= 100k ,RC =4.3k ,RE = 6.8k ,VBE = 0.7V,且 C1、C2 及β都非常大,則電 壓增益 AV 約為(A)−0.63 (B)−0.76 (C)−0.996 (D)−2.58 。
12.某八極直流發電機,電刷前移 15 度機械角,則去磁安匝佔總電樞安 匝數之(A) (B) (C) (D) 。
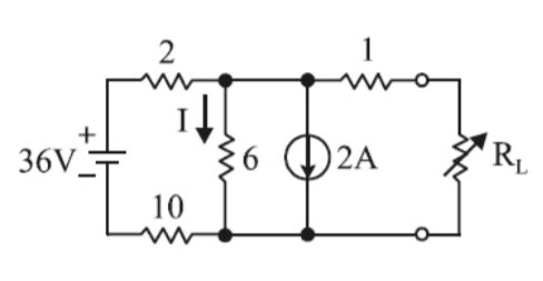
三、計算題(共計 49 分)1. 如圖所示之電路,當負載RL產生最大功率時, 求流經6Ω電阻之電流I為多少?(4分)
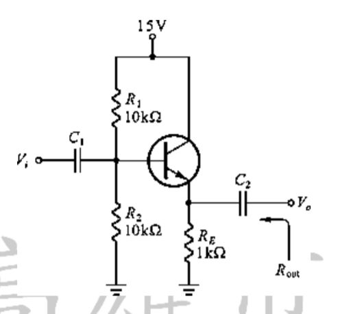
5.如圖所示之電路,若矽電晶體之 β 為 150,試求輸出電阻 Rout約為多少? (4 分)
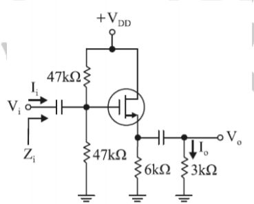
6.如圖所示電路,假設電晶體之參數gm=0.5 mA/V, rds可忽略不計,求 Ai為?(4 分)
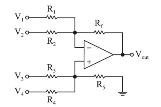
7.如圖所示之電路,設R1=3kΩ,R2=6kΩ, R3=4kΩ,R4=6kΩ,R5=12kΩ,Rf=6kΩ, V1=V4=1V,V2=V3=0V,試求輸出電壓Vout 大約為何?(4分)
9.某一部 10kVA,5000V/500V 之單相變壓器,進行開路及短路試驗數據如下表 所示,試求此單相變壓器產生最大效率時之負載量為多少 kVA?