所屬科目:教甄◆冷凍空調科
(1) =?(1 分)
(2) =?(1 分)
(3) =?(1 分)
2.如圖 2 所示之串、並聯電路,若R1 :R2 :R3 =2:3:6,且流經 之電流為 2A,電阻R1 、R2 、R3 之功率為何?(5 分)
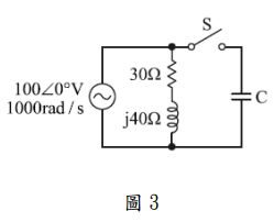
3.如圖 3 所示為 RL 串聯電路,若開關 S 閉合後使功率因數變為 0.6 超前,則並 聯電容值 C 應為多少?(5 分)
4.如圖 4 所示電路,試求出負載電阻 RL為多少時,負載電阻 RL 可以獲得最大功 率轉移,此最大功率 P 為多少?(5 分)
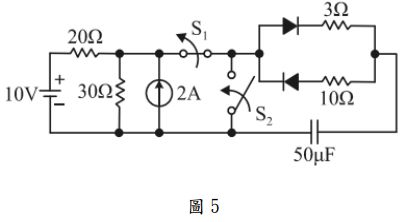
5. 如圖 5 所示電路,若二極體為理想且電路已達穩態,在 t = 0 時將開關 S1打 開且同時將開關 S2閉合,試求 t = 0.5ms 時通過開關 S2的電流約為何?(5 分)
6. 試求下圖 6 電路由 a、b 兩點看進去的等效諾頓(Norton)電路。(6 分)
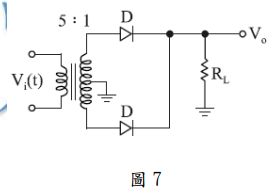
2. 如圖 8 所示之電路,若VBE =0.7V、β =100 且熱電壓 VT=25mV,則電壓增益 約為多少?(5 分)
4. 如圖 9 所示之電路,RE = 0.4Ω,RC = RL = 4kΩ,若電晶體之 β = 99,VBE = 0.7V, 熱電壓 VT = 26.5mV,請問當 S 閉合時的電壓增益為 S 打開時電壓增益的幾 倍? (6 分)
5. 如圖 10 所示之理想運算放大器電路中,試求 Vo/Vi = ? (5 分)
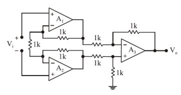
6. 如圖 11 所示電路,A1、A2、A3為理想放大器,則輸出 VO = ? (5 分)