所屬科目:電子學
11. 電晶體中的射極交流電阻 r e 與基極交流電阻 rπ ,下列關係的敘述何者正確? (A) (B) (C) (D)
16. 若右圖為運算放大器所組成之積分器電路,若輸入電 壓Vin為方波,則輸出電壓Vout為那種波形? (A)正弦波 (B)方波 (C)三角波 (D)脈衝波
17. 如右圖所示之OPA電路,若輸入電壓Vin=0.2V, 則輸出電壓Vout為多少? (A) -0.2V (B) -2V (C) 20V (D) -20V
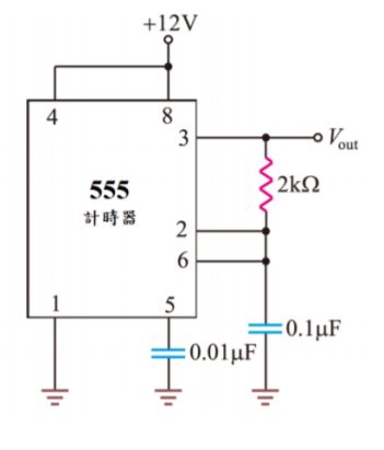
22. 如右圖555計時器所組成之電路,屬於何種電路? (A)多穩態電路 (B)單穩態電路 (C)雙穩態電路 (D)無穩態電路
23. 如右圖所示之電路,若ZD為10V之稽納二極體, 則I為多少? (A) 0.5mA (B) 1mA (C) 1.5mA (D) 2mA
交流電壓 ,交流電流,試問V(t)與i(t) 之相位為何? (A) v(t)超前i(t)30° (B) v(t)與i(t)同相 (C) v(t)落後i(t)30° (D) v(t)超前i(t)60°
31. 有關理想運算放大器的敘述,下列何者錯誤? (A)抵補電壓(Vio)為0 (B)輸入阻抗(Zi)為 (C)轉動率(SR)為0 (D)輸出阻抗(Zo)為0
33. 如右圖所示,請求出Vo為? (A) 8V (B) 12V (C) 14V (D) 6V
35. 如右圖所示,若以直流電壓表量測輸出電壓Vo,其值應為? (A) 100V (B) 50V (C) 50 V (D) 100 V
36. 電壓 ,當t=0秒時之瞬間電壓為多少? (A) 25 V (B) 40 V (C) 50 V (D) 40V
38.若NPN電晶體工作於作用區(active region),則射極E、基極B、集極C之電壓大小關 係為何? (A)(B) (C) (D)
47. 如右圖所示, 。試求出其 I o 電流為多少? (A) 2mA (B) -2mA (C) 3mA (D)-3mA