所屬科目:技檢◆工業配線-甲級
7. 左圖符號表示(A)試驗用電流端子(B)試驗用電壓端子(C)栓型保險絲(D)保險絲。
13. 下圖符號表示(A)手動操作自動復歸按鈕開關接點(B)限時電驛接點(C)自動復歸電驛接點(D)極限開關 接點。
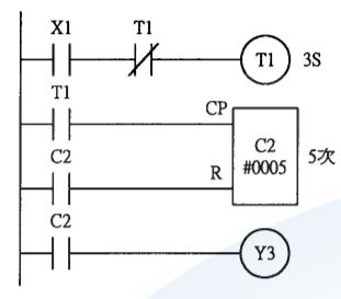
19. 如下圖所示,輸入信號 X1 ON,15 秒後則(A)Y 3 輸出一個掃瞄時間(B)Y3 保持 O N 狀態(C)Y3 無法輸 出(D)Y3 動作 3 秒後 OFF。
26. 左圖表示(A)過電壓電驛(B)接地過電壓電驛(C)不足電壓電驛(D)方向性接地電驛。
41. 左圖表示(A)NOT GATE(B)AND GATE(C)脈衝產生器(D)TIMER。
48. 下圖流體圖符號是表示(A)氣體引導動作(B)電磁線圈或氣體引導動作(C)電磁線圈及氣體引導式動作 (D)電磁線圈動作。
52. 如下圖所示,為三相交流各相電壓之向量圖,若接成圖右則 ac'間之電壓為(A)173∠30°(B)200∠60° (C)173∠60°(D)100∠60°。
57. 如下圖所示電路,設 TR 容量為 3 ψ11.4KV/220V 1000KVA,阻抗為 5%,11.4K V 側為無限 BU S, 則在 F 點之故障電流對稱值約為(A)45KA(B)40KA(C)53KA(D)60KA。(線路及 NFB 之阻抗不計)
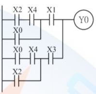
62. 如下圖所示為橋式回路,而由於 PLC 是以掃描方式動作,由左到右,由上而下,所以碰到橋式回 路時,並不能執行運作,需將橋式回路適當的改變,下列哪些正確? (A) (B) (C) (D) 。
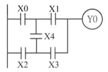
67. 如下圖所示程式,下列敘述哪些正確?(A)當按下 X1,則 M1 ON、M2 O FF;若放開 X1,再按下 X 2,則 M1 O FF、M2 ON(B)當按下 X1,則 M1 ON、M2 O FF;若放開 X1,再按下 X2,則 M1 O N、 M2 OFF(C)後動作優先電路(D)先動作優先電路。