所屬科目:技檢◆儀表電子-甲級
9. 如下圖波形所示,其有效值電壓 V rms =?(A) (B) (C) (D) 。
13. 如下圖電路所示,要產生振盪時,R 的最大值不應超過下列何者?(A)3kΩ(B)20kΩ(C)50kΩ(D)100kΩ。
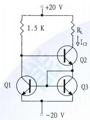
18. 如下圖電路所示,若三只電晶體的特性完全相同,且其 β>>1,V BE 亦等於 0.7V,RL =20Ω,則正常工作下 IC2=?(A)30.6mA(B)21.7mA(C)14.6mA(D)25.7mA。
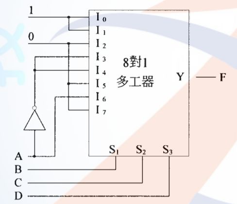
19. 如下圖電路所示,此邏輯電路之輸出 f(A,B, C,D)為何?(A)Σ(0,1,3,4,10,11,12,13 )(B)Σ (0,1,3,4,8,9,1 4)(C)Σ(2,5,6,7,8,9,14 )(D)Σ(2,5,6,7,10,11,12,13 )。
30. 一多範圍直流電流表如下圖,在 10mA 範圍時愛亦頓(Ayrton)分流器的抽頭電阻值 RP 1=1Ω,則 50 mA 範圍時的抽頭電阻值 RP 2 為何?(A)0.2Ω(B)1.67Ω(C)0.25Ω(D)0.22Ω。
31. 如下圖電路所示為一全加器的輸入,則進位輸出 Co 布林代數為何?(A)(A B+BCi+ACi)(B) (C) (D)A⊕B⊕Ci。
52. 如下圖的樞密特觸發電路所示,請問 C 之作用為何?(A)平衡兩端電壓(B)濾波(C)讓交流信號通過(D)加 速電容器。
63. 如下圖電路所示,欲使輸出電壓 Vab 為 6V,若 R3 +R4=20Ω、R1=R2=20Ω 時,則下列哪些為正確?(A)R4=10Ω(B)R3=8Ω(C)v 1=15V(D)i=1.5 A。
64. 下列何者是用來表示為接地的符號?(A) (B) (C) (D) 。
74. 如下圖電路所示,若 β=45,下列敘述哪些正確?(A)I C≒3.8mA(B)IE≒1.8mA(C)IB≒40μA(D)Vo≒4. 5V。