所屬科目:業餘無線電◆一等◆無線電系統原理
156. 在圖 E7-1 中,元件 R1 和 R2 的目的是什麼? (A) 負載電阻器 (B) 固定偏壓 (C) 自我偏壓 (D) 反饋
157. 在圖 E7-1 中,元件 R3 的目的是什麼? (A) 固定偏壓 (B) 射極旁路 (C) 輸出負載電阻器 (D) 自我偏壓
158. 圖 E7-1 所示,是什麼類型的放大器電路? (A) 共基極 (B) 共集極 (C) 共射極 (D) 射極隨耦器
159. 在圖 E7-2 中,元件 R 的目的是什麼? (A) 射極負載 (B) 固定偏壓 (C) 集極負載 (D) 電壓調節
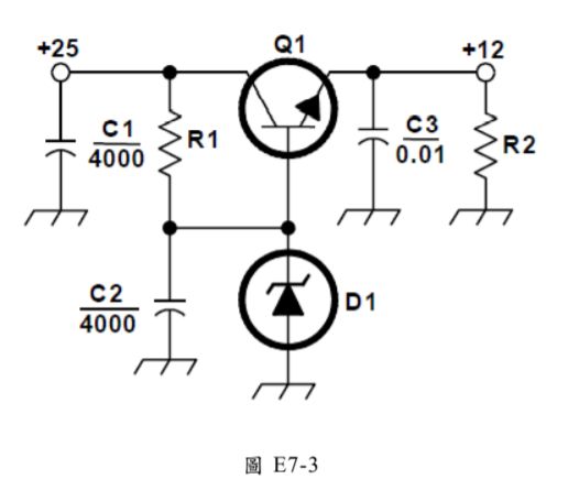
185. 圖 E7-3 所示電路中 Q1 的目的是什麼? (A) 提供負反饋以改善調節 (B) 為電壓源提供恆定的負載 (C) 增加穩壓器的電流處理能力 (D) 為D1提供電流
186. 圖 E7-3 所示電路中 C2 的目的是什麼? (A) 旁路(bypass)D1的嗡嗡聲(hum) (B) 作輸出的平滑濾波器(brute force filter) (C) 在嗡嗡聲頻率下自諧振 (D) 為Q1提供固定的直流偏置