所屬科目:電子學
一、圖一中以理想方波(虛線)vi(t)測試電壓增益為+1之放大器 A 與 B 的頻 率響應,所得輸出分別為 vA(t)與 vB(t),放大器工作於線性區。對輸入信 號頻率而言,判斷 A 與 B 兩放大器各具有低通(low-pass) 、高通(high- 、帶通(band-pass) pass) 、帶止(band-stop)或全通(all-pass)中那一種 頻率響應特性,並比較放大器 A 或 B 之頻寬大小,必須說明所做判斷之 理由。(20分)
二、圖二整流電路使用理想二極體,初級圈與次級圈數比 Na:Nb = 10:1, 次級圈抽頭位置圈數比 N1:N2 = 4:1。為有效(均方根)值100 V 之正弦波。畫出輸出於負載波形,並計算其直流電壓與有效電壓值。(20分)
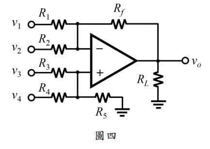
四、圖三為放大器的小訊號等效電路,輸出與輸入電壓 v1、v2與電流 i1、i2如圖右之矩陣關係式表示,, 試求 a、b、c 與 d 之值,必須標明單位。(20分)
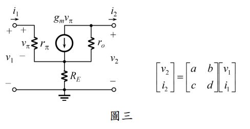
五、圖四運算放大器具有理想特性,v1 ~ v4為小訊號輸入電壓,R1 = 1 kΩ, R2 = 2 kΩ,R3 = 3 kΩ,R4 = 4 kΩ,R5 = 5 kΩ,,vo 與 v1 ~ v4之關係為何?(20分)