所屬科目:圖學
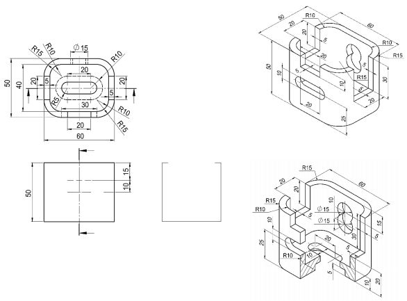
一、請依下列兩等角圖所示之尺度,以1:1之比例繪製正投影視圖,視圖包括 前視圖、俯視圖及右側視圖三個正投影視圖(如下圖所示)(不須標註尺 度)。
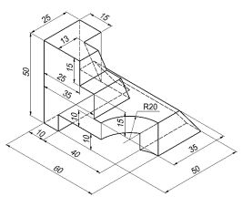
二、請依下列正投影視圖所示視圖方向,以1:1比例繪製一等角圖,不必標註 尺度,視角選擇以能充分表達物件特徵為要求,非等角圖不予計分。
三、請依下列正投影視圖與等角圖所示之尺度,以1:1比例繪製正投影視圖, 不必標註尺度;視圖包含前視圖、俯視圖及右側視圖(前視圖、右側視圖 須依割面線方位繪製剖面圖)。
四、請依下圖所示之尺度,以1:1比例繪製於試卷上,並標註尺度;圖形內之 橢圓形尺度為長軸80,短軸60,以矩形內畫近似橢圓(四心法)作圖並加 註RX、RY之尺度(小數點四捨五入)。圖形左邊R20圓弧內切橢圓形左側 及下方R20之圓弧,圖形右邊R80圓弧外切橢圓形右側及下方R20之圓弧, 請將內外切圓弧之四個切點a、b、c、d以作圖線標示出來。 說明:四心法求近似橢圓之四圓心及內外切圓弧之圓心,作圖線必須保 留。