所屬科目:圖學
一、圖 1 是一棟房子模型的三視圖,請將此圖依照相近似的尺寸比例完整繪 製到試卷上,再依照足點(Standing Point,SP)與視平線(Horizon Line, HL)之位置,以現有之前視圖做為正面,完成此模型的一點透視圖。並 請注意將繪製透視圖過程中所用到之投影線保留在試卷圖面上。 (25 分)
二、圖 2-1 是陶瓷蓋杯的前視角度照片,圖 2-2 和圖 2-3 則分別從俯視角度 和仰視角度顯示杯子內部以及圈足的型態。請參考照片中蓋杯的形狀和 比例自行設定尺寸,以半剖視完成蓋杯的正投影前視圖。並請注意(一)蓋 子須比照圖 2-1 完整蓋好,(二)不必標註尺寸,(三)杯子表面紋飾不必繪製, (四)隱藏線可以省略。 (25 分)
三、圖 3 是大小不同的實心柱狀物組合體,請參照格線所提供之尺寸,將試 題上的俯視圖與側視圖繪製在試卷上,然後完成其前視圖。請注意(一)圖 3 的參考格線,每格為 10 mm,作答時不必畫出格線,(二)前視圖中各柱 體交接所形成之交線,須完整以實線或隱藏線畫出,(三)以 1:1 比例繪 製,不必標註尺寸。 (25 分)
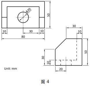
四、圖 4 是一個物件的俯視圖與側視圖,請畫出此物件之前視圖以及等角立 體圖(以 1:1 比例繪製,不必標註尺寸) 。(25 分)