所屬科目:圖學
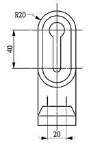
一、請依下列兩等角圖所示之尺度,以第三角法 1:1 之比例繪製前視圖和俯 視圖兩個正投影視圖(不須標註尺度,但須有隱藏線)。 (25 分)
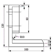
二、請依下列正投影視圖所示,以第三角法 1:1 比例繪製一等角圖(不須標 註尺度,但須有隱藏線,視角選擇以能充分表達物件特徵為要求,非等 角圖不予計分)。 (25 分)
三、請依下列正投影三視圖所示之尺度,以第三角法 1:1 比例繪製前視圖之 剖面圖(須依割面線方位繪製,不須標註尺度)。(25 分)
四、請依下列正投影視圖所示,以第三角法 1:1 比例繪製一等角圖(不必標 註尺度,但須有隱藏線,視角選擇以能充分表達物件特徵為要求,非等 角圖不予計分)。 (25 分)