所屬科目:教甄◆電子科/資訊科/電機科/冷凍空調科/控制科/電機空調科
1.如圖(一)所示電路,求電路在穩態時的總電流I為多少安培?(A)4A (B)5A (C)3A (D)2A。
2.如圖(二)中所示之電路,求總電流 I 為多少?(A)3A (B)4A (C)5A (D)6A。
3.如圖(三)所示電路,Vi 電壓週期 T = 4 秒,求電阻器 R1 所消耗的平均功率為多少瓦特?(A)1.5W (B)1.12W (C)6.5W (D)4.5W
4.如圖(四)所示,Vab為多少?(A)15V (B)12V (C)10V (D)8V。
5.圖(五)為電阻與電感之串聯電路,開關切在“c”的位置經一段很長 時間,試求當開關由位置“c”切至位置“b”起,流經電感的電流i(t)之暫態為何? (A) (B) (C) (D)
6.若要產生由左至右漸亮的廣告燈,如圖(六)所示之電路方塊圖,求組合 邏輯設計的部分何者正確? (A)w=0 (B)X=B+A (C)Y=A (D)Z=B
7.如圖(七)所示,一個三級串接的放大器,若輸入電壓Vi為 4μV,請問 輸出電壓Vo為多少? (A) Vo = –120mV (B) Vo = 120mV (C) Vo = –80mV (D) Vo = 80mV。
9.如圖(八)所示之 IC 555 電路,D 為理想二極體,在電路能正常工作下, 若 R1=1.5R2,則 Vo 工作週期(duty cycle)約為何? (A)30% (B)50% (C)60% (D)70%。
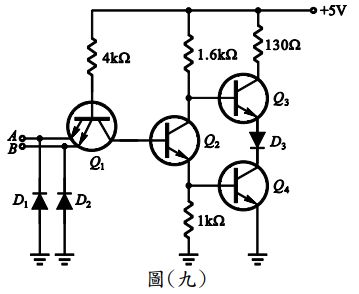
11.如圖(九)所示之圖騰柱 TTL 電路,若 A = 0、B = 1,則 Q3 與 Q4 的動作為何?(A)Q3 與 Q4 皆 OFF (B)Q3 與 Q4 皆 ON(C)Q3 OFF,Q4 ON (D)Q3 ON,Q4 OFF。
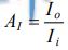
12. 如下圖(十)所示,若 Q3 Q2 Q1 Q0 之初始值為 0 0 0 0,當 CLK ( clock ) 輸入 6 個脈波後,Q3 Q2 Q1 Q0 的輸出為何? (A) 0 0 1 1 (B) 0 1 1 1 (C) 1 1 1 0 (D) 1 1 0 0 。
14.下列有關 Do-Loop 的迴圈,何者的結果不一樣? (A) (B) (C) (D)
15.下列 VB 程式執行結果為何? (A) 56 (B) 26 (C) 42 (D) 24
二、填充題: 1.三相三線制,線電壓為100V,如圖所示,求負載總平均功率為何? 。
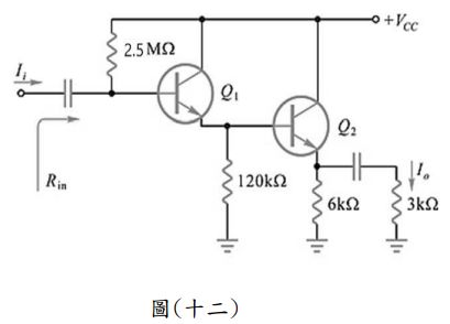
2.如圖(十二)所示,β1 = β2 = 99,試求約為多少?
(4)電容電壓 Vc(t)= ,t ≥ 0。
三、設計題:1. 試利用負緣觸發的 JKFF 設計不規則計數(5→7→1→4→3 循環)之同步計數器 。