所屬科目:升資考/士級晉佐級◆電工原理大意
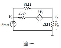
一、如圖一所示的電路,使用節點電壓分析法求出 V1 和 V2。
二、如圖二所示電路中,計算輸送到可變電阻 R 的最大功率。
四、如圖三所示的電晶體電路,若β = 100 且 ,求 。
五、如圖四所示,開關處於位置 a 已達穩態時間,在 t = 0 時,將開關切換到位置 b,則當 t > 0 時計算 i(t)。
六、如圖五所示,求此 RLC 電路的 v(t)。(註:可以設定 來代表相角)