所屬科目:【阿摩】未分類題庫
(一)、首先請你就辦公、學習環境及情境來定義出問題為何?
a.問題定義及設計理念(5%);
b.草圖數量,至少3個(10%);
c.整體創意及構想表現(25%)
二、請以鉛筆素描技法,以你的一隻手為描繪對象,透過不同具「意涵」的手勢,表現出約10公分大小之圖面,數量不拘,表現技法之質與量及手勢意涵(請在其下方以文字說明)都會列入評分之項目中。(20%)
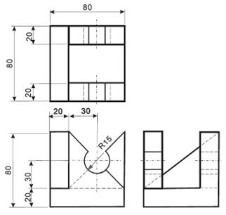
(1)請將下圖之三視圖繪製出其「等角立體圖」(20%)。 依尺寸比例繪製等角立體圖+標尺寸a. 立體圖—15分 b. 尺寸標註—5分
(2)請依下圖之立體圖繪製出其三視圖並標註尺寸(請以第三角法繪出) (20%)。 依比例繪製三視圖,並標註尺寸(第三角法)。a.三視圖—15分b.尺寸標註—5分