所屬科目:【阿摩】未分類題庫
1. 下列哪個 10 進制數無法完整轉換成 2 進制數? (A)(B)(C)(D)
2. 在 8 位元系統中,若最左邊位元為 MSB,最右邊位元為 LSB,以 2 補數 (2's Complement ) 表示法做減法運算,下列何者為 11101011( 2 )– 10001001( 2 )運算後之結果? (A) 11100010 ( 2 ) (B) 01110010 ( 2 ) (C) 01100010 ( 2 ) (D) 11100011 ( 2 )
3. 圖 1 所示為一個使用 2 輸入多工器實現的循序電路,若 X 的現態為 Xn,次態為 Xn+1,則輸出 X 的布林代數式為下列何者? (A)(B)(C)(D)
4. 圖 2 所示之 4 對 1 多工器電路,此多工器電路所代表的布林函數,下列何者正確? (A) f ( x , y , z ) = ∑ ( 1, 3, 4, 5 ) (B) f ( x , y , z ) = ∑ ( 1, 2, 4, 5 ) (C) f ( x , y , z ) = ∑ ( 1, 2, 3, 4 ) (D) f ( x , y , z ) = ∑ ( 1, 4, 6, 7 )
5. 圖 3 所示為一個 4 對 4 線的二極體矩陣編碼器,其輸出分別為 A、B、C、D,且 D0, D1, D2, D3 導通時為邏輯 1, 其等效之布林代數下列何者正確? (A) A = D0 + D1 + D2 + D3 (B) B = D2D3 (C) C = D2 (D) D = D1D3
6. 假設 JK 正反器現態 Qn=1,希望在 CK 觸發後使次態 Qn+1=0,則輸入 J、K 之值為何?(×表隨意項,有可能是0或1) (A) J=0、K=× (B) J=×、K=1 (C) J=1、K=× (D) J=×、K=0
7. 如圖 4 所示電路,當 clock 為頻率 60kHz,工作週期為 15%的週期脈波,則下列敘述何者正確?(A) Q3輸出波形的工作週期為 33.3% (B) Q3輸出波形的頻率為 6kHz (C) Q2輸出波形的頻率為 7.5kHz (D) Q2輸出波形的工作週期為 30%
8. 如圖 5 所示之狀態圖,下列敘述,何者正確? (A) 當輸入變數為 0,則狀態由 S1 轉變為 S0 且輸出變數為 1 (B) 當輸入變數為 1,則狀態由 S0 轉變為 S1 且輸出變數為 1 (C) 當輸入變數為 0,則狀態由 S0 轉變為 S0 且輸出變數為 0 (D) 當輸入變數為 1,則狀態由 S0 轉變為 S1 且輸出變數為 0
二、 填充題7. 在 16 位元的電腦中,-2026(10)以 2's 表示法完成的 16 進制數之值為________。
8. 某一邏輯閘的輸入/輸出特性如下表所示,則此閘的扇出能力(fan-out)為________。
9. 想設計一個加、解密電路,若以 XNOR 設計如下圖的加密電路,其中 A1A0為待傳送信號、B1B0為密鑰信號,C1C0 為加密後的密文信號,而解密 ( 還原 ) 電路的輸出為 F1F0,可將密文 C1C0還原,使 F1 = A1, F0 = A0,請寫出圖 6 中?區的解密電路為何種邏輯閘________。
10. 請化簡圖 7 所示之邏輯電路,其輸出端 Y 之最簡布林代數式為________。
11. 將布林代數式 F(A,B,C,D)=(3,7,9,11,15)+d(4,13)化簡,寫下其 SOP 最簡式________。
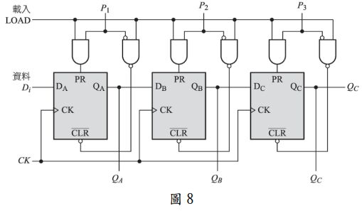
12. 圖 8 所示電路,若載入 LOAD 控制線為 0、輸入端資料 Di 持續為 1,且輸入端資料 P1P2P3 為 101、輸出端起始狀態 QAQBQC為 000,則經過 1 個 CK 觸發後,其輸出端QAQBQC為_________。
13. 試分析圖 9 電路,若QB為 MSB,QA為 LSB,此計數器的名稱為________計數器。註:需說出是幾模(除幾)的計數器、是上數或下數、同步或非同步。
14. 圖 10 是由 7 個 D 型正反器組成的右移記錄器 IC(Shift-Right Register),A、B 為右移的輸入資料,假設輸出7 位元QA至 QG初始狀態為 1111111,當經過十個脈波(CLK)後,輸出QA至QG狀態變成為________。